Каталог запасных частей к технике: ЧТЗ Т-130. Управление двигателем 51-74-1СП

zoom-in zoom-out enlarge shrink circle-right circle-left file-text2 info cart arraw right arraw left zoom out zoom in arraw maximize arraw minimize
1
2
3
3
3
3
3
4
4
5
5
5
5
5
5
5
5
5
5
5
5
5
5
5
6
6
6
6
6
6
6
6
7
7
8
9
10
10
11
12
12
13
13
13
13
14
15
15
15
16
17
18
18
18
18
18
18
18
18
18
19
20
20
20
21
21
21
21
22
23
23
24
24
25
26
26
27
27
27
27
28
29
30
31
31
32
33
34
35
35
35
35
35
35
36
37
38
39
40
41
42
43
43
44
45
46
47
48
49
50
50
51
51
52
53
54
55
56
57
58
59
60
60
61
61
62
62
63
63
64
65
65
65
65
66
67
68
69
70
71
72
73
74
74
75
75
75
76
76
77
77
77
78
78
79
80
80
81
82
83
84
85
85
85
86
87
88
89
90
91
92
93
94
95
95
95
96
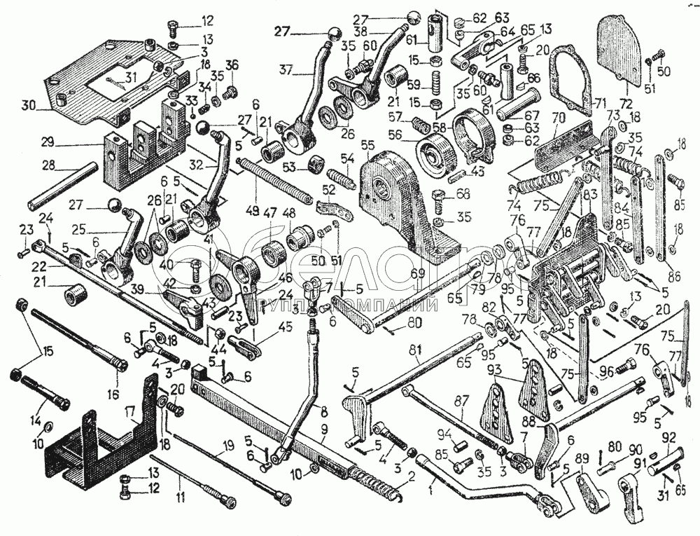
16-74-151СП
Корпус
В узле: 1
16-74-152СП
Рычаг
В узле: 1
16-74-150СП
Акселератор
В узле: 1
16-74-153СП
Тяга акселератора
В узле: 1
74107СП
Муфта
В узле: 2
16-74-166СП
Рычаг
В узле: 1
51-74-117СП
Рычаг
В узле: 1
51-74-118СП
Рычаг
В узле: 1
51-74-119СП
Рычаг
В узле: 1
16-74-100СП
Установка акселератора
В узле: 1
16-74- 196СП
Тяга
В узле: 1
51-74-102СП
Блок управления
В узле: 1
51-74-103СП
Тяга
В узле: 1
51-74-104СП
Тяга
В узле: 1
51-74-105СП
Тяга
В узле: 1
51-74-106СП
Тяга
В узле: 1
1
51-74-113СП
Тяга
В узле: 1
2
700-38-2693
Пружина
В узле: 1
3
Гайка М10.6.019
Гайка М10.6.019
В узле: 6
4
51-74-32
Тяга
В узле: 1
5
Шплинт 2,5x25
Шплинт 2,5x25
В узле: 21
6
700-47-2045
Ось
В узле: 5
7
24-74-98
Вилка
В узле: 1
8
51-74-114СП
Тяга
В узле: 1
9
51-74-112СП
Тяга
В узле: 1
10
3135
Шайба
В узле: 5
11
16-74-182СП
Тяга
В узле: 1
12
Болт М10х20.46.019
Болт М10х20.46.019
В узле: 4
13
Шайба 10.ОТ.65Г.06
Шайба 10.ОТ.65Г.06
В узле: 8
14
16-74-205СП
Оболочка
В узле: 1
15
Гайка М12х1,25.6.019
Гайка М12х1,25.6.019
В узле: 2
16
16-74-181СП
Оболочка
В узле: 1
17
51-74-116СП
Кронштейн
В узле: 1
18
31308
Шайба
В узле: 24
19
16-74-183СП
Тяга
В узле: 1
20
Болт М10х25.46.019
Болт М10х25.46.019
В узле: 5
21
24-15-74
Втулка
В узле: 1
22
16-74-154СП
Тяга
В узле: 1
23
06465
Валик
В узле: 2
24
Шплинт 2x14
Шплинт 2x14
В узле: 2
25
51-74-121СП
Рычаг
В узле: 1
26
18-74-122
Прокладка
В узле: 12
27
Ручка 11 ПЗО
Ручка 11 ПЗО
В узле: 4
28
16-74-121
Валик
В узле: 1
29
16-74-122
Кронштейн
В узле: 1
30
16-74-158СП
Кронштейн
В узле: 1
31
Шплинт 5x50
Шплинт 5x50
В узле: 1
32
51-74-122СП
Рычаг
В узле: 1
33
Шарик BV-10 мм Н
Шарик BV-10 мм Н
В узле: 3
34
38506
Пружина
В узле: 1
35
Шайба 12.ОТ.65Г.06
Шайба 12.ОТ.65Г.06
В узле: 11
36
28458
Болт
В узле: 1
37
51-74-120СП
Рычаг
В узле: 1
38
16-74-165СП
Рычаг
В узле: 1
39
16-74-61
Рычаг
В узле: 1
40
2848
Болт
В узле: 1
41
31342
Шайба
В узле: 1
42
Шайба 8Т.65Г.06
Шайба 8Т.65Г.06
В узле: 1
43
700-32-2043
Штифт
В узле: 1
44
Гайка М8.6.019
Гайка М8.6.019
В узле: 1
45
06616
Вилка
В узле: 1
46
16-74-180СП
Рычаг
В узле: 1
47
24-15-34
Втулка
В узле: 1
48
16-74-62
Втулка
В узле: 1
49
700-38-2585
Пружина
В узле: 1
50
Болт М6х14.46.019
Болт М6х14.46.019
В узле: 6
51
Шайба 6Т.65Г.06
Шайба 6Т.65Г.06
В узле: 6
52
16-74-64
Кронштейн
В узле: 1
53
Гайка М20х1,5.6.019
Гайка М20х1,5.6.019
В узле: 1
54
700-35-2133
Винт
В узле: 1
55
16-74-57
Корпус акселератора
В узле: 1
56
16-74-58
Барабан
В узле: 1
57
700-38-2578
Пружина
В узле: 1
58
24-74-104СП
Лента тормозная
В узле: 1
59
700-29-2142
Шпилька
В узле: 1
60
74109
Палец
В узле: 2
61
74156
Корпус
В узле: 2
62
74111
Вкладыш
В узле: 2
63
74157
Пробка
В узле: 2
64
16-04-23
Рычаг
В узле: 1
65
700-34-2014
Шпонка
В узле: 6
66
34126
Шпонка
В узле: 2
67
16-74-59
Ось
В узле: 1
68
2816
Болт
В узле: 2
69
51-74-110СП
Валик
В узле: 1
70
51-74-8
Кронштейн
В узле: 1
71
700-40-5221
Прокладка
В узле: 1
72
16-74-60
Крышка
В узле: 1
73
51-74-107СП
Тяга
В узле: 1
74
700-38-2279
Пружина
В узле: 3
75
51-74-5
Тяга
В узле: 3
76
51-74-6
Рычаг
В узле: 2
77
Шплинт 3,2x40
Шплинт 3,2x40
В узле: 3
78
51-74-33
Упор
В узле: 2
79
31361
Шайба
В узле: 2
80
Шплинт 3,2x25
Шплинт 3,2x25
В узле: 2
81
51-74-109СП
Валик
В узле: 1
82
51-74-7
Рычаг
В узле: 1
83
51-74-111СП
Мостик переходной
В узле: 1
84
51-74-3
Тяга
В узле: 1
85
Болт М12х30.46.019
Болт М12х30.46.019
В узле: 2
86
51-74-4
Тяга
В узле: 1
87
51-74-9
Тяга
В узле: 1
88
51-74-108СП
Валик
В узле: 1
89
21-74-1
Рычаг
В узле: 1
90
17317
Палец
В узле: 1
91
51-74-2
Рычаг
В узле: 1
92
51-74-10
Валик
В узле: 1
93
51-74-34
Планка
В узле: 2
94
32232
Штифт
В узле: 4
95
700-47-2075
Ось
В узле: 5
96
Болт M12x25.46.019
Болт M12x25.46.019
В узле: 2
Содержащиеся в справочниках-каталогах запасные части и детали не предлагаются к продаже, а носят исключительно информационный характер

Ваша заявка была отправлена. В ближайшее время наши специалисты с Вами свяжутся по указанному Вами телефону.

Представьтесь
Поле обязательно для заполнения
Ваш телефон
Введите правильный номер телефона
E-mail
Введите правильный e-mail
Тема
Тема
применяемость финансирование доставка цена, наличие другое сервис и гарантия
Время для звонка
08:00
08:00 09:00 10:00 11:00 12:00 13:00 14:00 15:00 16:00 17:00 18:00 19:00
19:00
08:00 09:00 10:00 11:00 12:00 13:00 14:00 15:00 16:00 17:00 18:00 19:00

Мы постараемся перезвонить в указанное время

Если вы не хотите ждать, то звоните нашим вежливым консультантам:

8 800 100-2-700
Подтвердите, что вы не робот
Подтвердите, что вы не робот
Спасибо!

Ваше сообщение успешно отправлено!

ЗакрытьПовторить попытку