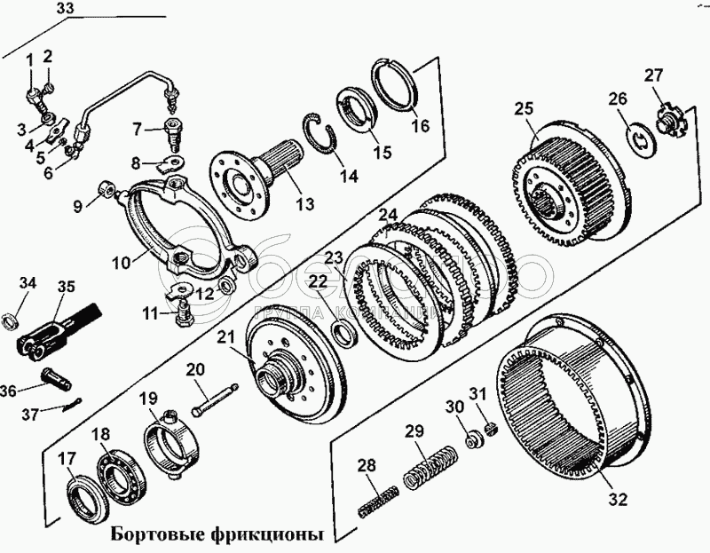
Каталог запасных частей к технике: ЧТЗ Т-170. Бортовые Фрикционы

zoom-in zoom-out enlarge shrink circle-right circle-left file-text2 info cart arraw right arraw left zoom out zoom in arraw maximize arraw minimize
1
2
3
4
5
6
7
8
9
10
11
12
13
14
15
16
17
18
19
20
21
22
23
24
25
26
27
28
29
30
31
32
34
35
36
37
50-16-106СП
Тарелка нажимная
В узле: 1
16131-СП
Рычаг
В узле: 1
50-16-111СП
Фрикцион бортовой
В узле: 1
50-16-110СП
Фрикцион бортовой
В узле: 1
1
700-41-2702
Штуцер
В узле: 2
2
Масленка 1.3.Ц6
Масленка 1.3.Ц6
В узле: 2
3
Гайка М20х1,5-6.019
Гайка М20х1,5-6.019
В узле: 2
4
31543
Шайба
В узле: 2
5
46524
Кольцо
В узле: 4
6
16348-СП
Трубка
В узле: 2
7
16350
Палец
В узле: 1
8
31317
Шайба
В узле: 2
9
16133
Наконечник рычага
В узле: 2
10
16202
Рычаг
В узле: 1
11
16136
Палец
В узле: 1
12
16134
Седло
В узле: 2
13
24-16-4
Полуось
В узле: 1
14
700-58-2004
Кольцо
В узле: 1
15
28-16-13
Гайка
В узле: 1
16
700-58-2003
Кольцо
В узле: 1
17
28-16-12
Отражатель
В узле: 1
18
Подшипник 46120
Подшипник 46120
В узле: 1
19
28-16-11
Корпус подшипника
В узле: 1
20
16127
Палец
В узле: 8
21
28-16-10
Тарелка
В узле: 1
22
28-16-14
Кольцо
В узле: 1
23
16121
Диск
В узле: 10
24
24-16-103-СП
Диск
В узле: 10
25
24-16-5
Барабан внутренний
В узле: 1
26
700-31-2352
Пластина
В узле: 1
27
28-19-37-1
Пробка
В узле: 1
28
38318
Пружина внутренняя
В узле: 8
29
38360
Пружина наружная
В узле: 8
30
16177
Тарелка
В узле: 8
31
16178
Сухарь
В узле: 16
32
28-16-15
Барабан наружный
В узле: 1
33
24-16-102-01СП
Фрикцион бортовой левый
В узле: 1
33
24-16-102-СП
Фрикцион бортовой левый
В узле: 1
33
24-16-101-01СП
Фрикцион бортовой правый
В узле: 1
33
24-16-101-СП
Фрикцион бортовой правый
В узле: 1
34
700-58-2004
Кольцо
В узле: 1
35
16134
Седло
В узле: 1
36
16136
Палец
В узле: 1
37
47 5371 8940
Шпилька
В узле: 1
Содержащиеся в справочниках-каталогах запасные части и детали не предлагаются к продаже, а носят исключительно информационный характер

Ваша заявка была отправлена. В ближайшее время наши специалисты с Вами свяжутся по указанному Вами телефону.

Представьтесь
Поле обязательно для заполнения
Ваш телефон
Введите правильный номер телефона
E-mail
Введите правильный e-mail
Тема
Тема
применяемость финансирование доставка цена, наличие другое сервис и гарантия
Время для звонка
08:00
08:00 09:00 10:00 11:00 12:00 13:00 14:00 15:00 16:00 17:00 18:00 19:00
19:00
08:00 09:00 10:00 11:00 12:00 13:00 14:00 15:00 16:00 17:00 18:00 19:00

Мы постараемся перезвонить в указанное время

Если вы не хотите ждать, то звоните нашим вежливым консультантам:

8 800 100-2-700
Подтвердите, что вы не робот
Подтвердите, что вы не робот
Спасибо!

Ваше сообщение успешно отправлено!

ЗакрытьПовторить попытку