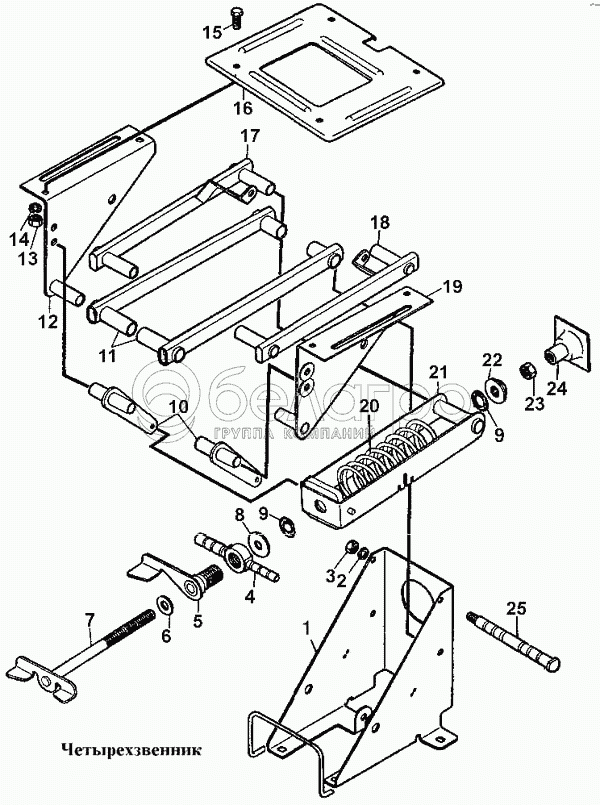
Каталог запасных частей к технике: ЧТЗ Т-170. Четырехзвенник

zoom-in zoom-out enlarge shrink circle-right circle-left file-text2 info cart arraw right arraw left zoom out zoom in arraw maximize arraw minimize
1
1
1
1
2
3
4
4
5
5
5
6
7
7
7
8
8
9
9
10
10
10
10
11
11
11
11
11
11
11
12
12
12
12
13
14
15
16
16
17
17
17
17
18
18
18
18
19
19
19
19
20
21
21
21
21
22
22
23
24
24
24
25
25
1
А31.00.135
Кронштейн
В узле: 1
1
50-23-203СП
Кронштейн
В узле: 1
1
А31.00.135-11
Кронштейн
В узле: 1
1
А31.00.135-10
Кронштейн
В узле: 1
2
Шайба 12 ОТ 65Г 05
Шайба 12 ОТ 65Г 05
В узле: 4
3
Гайка М12-6.019
Гайка М12-6.019
В узле: 4
4
50-23-193
Ось
В узле: 1
4
А31.00.101
Ось фигурная
В узле: 1
5
50-23-174СП
Втулка
В узле: 1
5
А31.00.145
Втулка
В узле: 1
5
А31.00.145-10
Втулка
В узле: 1
6
Шайба 16.04.0112
Шайба 16.04.0112
В узле: 1
7
А31.00.175
Винт
В узле: 1
7
А31.00.175-10
Винт
В узле: 1
7
50-23-206СП
Тяга
В узле: 1
8
50-23-196
Накладка
В узле: 1
8
А31.00.112
Шайба
В узле: 1
9
А31.00.109-01
Упор
В узле: 3
10
50-23-180СП
3вено
В узле: 2
10
А31.00.180
3вено
В узле: 2
10
А31.00.180-10
3вено
В узле: 2
10
А31.00.180-11
3вено
В узле: 2
11
50-23-174СП
Втулка
В узле: 2
11
А31.00.130
3вено нижнее
В узле: 2
11
А31.00.130-10
3вено нижнее
В узле: 2
11
А31.00.130-11
3вено нижнее
В узле: 2
11
А31.00.130
3вено нижнее
В узле: 2
11
А31.00.130-10
3вено нижнее
В узле: 2
11
А31.00.130-11
3вено нижнее
В узле: 2
12
А31.00.165-11
Опора правая
В узле: 1
12
А31.00.165-10
Опора правая
В узле: 1
12
50-23-205СП
Опора правая
В узле: 1
12
А31.00.165
Опора правая
В узле: 1
13
Гайка М8-6.019
Гайка М8-6.019
В узле: 4
14
Шайба 8 65Г 05
Шайба 8 65Г 05
В узле: 4
15
Болт М8-6gх16.66.019
Болт М8-6gх16.66.019
В узле: 4
16
50-23-257
Панель
В узле: 1
16
А31.00.001-01
Постель панели
В узле: 1
17
50-23-211СП
Звено
В узле: 1
17
А31.00.125
Звено верхнее
В узле: 1
17
А31.00.125-10
Звено верхнее
В узле: 1
17
А31.00.125-11
Звено верхнее
В узле: 1
18
50-23-211СП
Звено
В узле: 1
18
А31.00.120-01
Звено верхнее
В узле: 1
18
А31.00.120-10
Звено верхнее
В узле: 1
18
А31.00.120-11
Звено верхнее
В узле: 1
19
А31.00.160-11
Опора левая
В узле: 1
19
А31.00.160
Опора левая
В узле: 1
19
А31.00.160-10
Опора левая
В узле: 1
19
50-23-204СП
Опора левая
В узле: 1
20
А31.00.110
Пружина
В узле: 1
21
50-23-209СП
Вилка
В узле: 1
21
А31.00.140-01
Вилка
В узле: 1
21
А31.00.140-01-10
Вилка
В узле: 1
21
А31.00.140-01-11
Вилка
В узле: 1
22
А31.00.155
Кольцо
В узле: 1
22
А31.00.155-10
Кольцо
В узле: 1
23
Гайка М16-6.019
Гайка М16-6.019
В узле: 4
24
50-23-210СП
Вставка
В узле: 1
24
А31.00.150
Шайба задняя
В узле: 1
24
А31.00.150-10
Шайба задняя
В узле: 1
25
А31.00.102
Ось кронштейна
В узле: 4
25
50-23-193СП
Тяга
В узле: 4
Содержащиеся в справочниках-каталогах запасные части и детали не предлагаются к продаже, а носят исключительно информационный характер

Ваша заявка была отправлена. В ближайшее время наши специалисты с Вами свяжутся по указанному Вами телефону.

Представьтесь
Поле обязательно для заполнения
Ваш телефон
Введите правильный номер телефона
E-mail
Введите правильный e-mail
Тема
Тема
применяемость финансирование доставка цена, наличие другое сервис и гарантия
Время для звонка
08:00
08:00 09:00 10:00 11:00 12:00 13:00 14:00 15:00 16:00 17:00 18:00 19:00
19:00
08:00 09:00 10:00 11:00 12:00 13:00 14:00 15:00 16:00 17:00 18:00 19:00

Мы постараемся перезвонить в указанное время

Если вы не хотите ждать, то звоните нашим вежливым консультантам:

8 800 100-2-700
Подтвердите, что вы не робот
Подтвердите, что вы не робот
Спасибо!

Ваше сообщение успешно отправлено!

ЗакрытьПовторить попытку