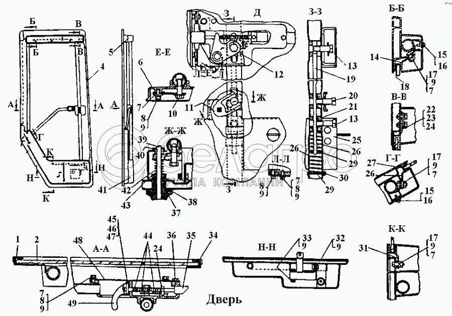
Каталог запасных частей к технике: ЧТЗ Т-170. Дверь

zoom-in zoom-out enlarge shrink circle-right circle-left file-text2 info cart arraw right arraw left zoom out zoom in arraw maximize arraw minimize
1
2
4
5
6
7
7
7
7
7
7
8
8
8
8
9
9
9
9
9
9
9
9
9
10
11
12
13
13
14
15
15
16
16
17
17
17
18
19
20
21
22
23
24
24
25
26
26
26
27
29
29
30
31
32
33
34
35
36
37
38
39
40
41
42
43
44
45
46
47
48
49
50-59-707СП
Дверь
В узле: 1
50-59-707-01 СП
Дверь
В узле: 1
50-59-1439-01 СП
Стойка
В узле: 1
700-42-2689
Панель
В узле: 1
50-59-708-01СП
Дверь
В узле: 1
50-59-708СП
Дверь
В узле: 1
1
700-40-7744-02
Уплотнитель
В узле: 1
2
50-59-860
Стекло
В узле: 1
4
50-59-1439
Стойка
В узле: 1
5
700-42-2687
Панель
В узле: 1
6
700-31-2204
Шайба
В узле: 1
7
Шайба 6.02.3кп.019
Шайба 6.02.3кп.019
В узле: 11
8
Болт М6х12.58.019
Болт М6х12.58.019
В узле: 6
9
Шайба 6Т 65Г 09
Шайба 6Т 65Г 09
В узле: 21
10
31308-1
Шайба
В узле: 1
11
50-59-1385
Рычаг
В узле: 1
12
50-59-1436
Рычаг
В узле: 1
13
28452
Болт
В узле: 2
14
50-59-1437
Накладка
В узле: 1
15
700-31-2353
Шайба
В узле: 1
16
700-35-2007
Шуруп
В узле: 1
17
Гайка М6.6.019
Гайка М6.6.019
В узле: 11
18
700-40-7744
Уплотнитель
В узле: 1
19
50-59-557-01 СП
Штанга
В узле: 1
20
700-28-2483
Болт
В узле: 1
21
50-59-1117
Направляющая
В узле: 1
22
Болт М8х16.58.019
Болт М8х16.58.019
В узле: 4
23
Шайба 8Т 65Г 09
Шайба 8Т 65Г 09
В узле: 4
24
31386
Шайба
В узле: 4
25
50-59-567СП
Механизм запирающий
В узле: 1
26
38356
Пружина
В узле: 2
27
700-40-7744-01
Уплотнитель
В узле: 1
29
3135-1
Шайба
В узле: 2
30
Шплинт 3,3х40
Шплинт 3,3х40
В узле: 11
31
50-59-1438
Накладка
В узле: 1
32
Болт М6х16.58.019
Болт М6х16.58.019
В узле: 2
33
Болт М6х35.58.019
Болт М6х35.58.019
В узле: 2
34
700-40-7744-03
Уплотнитель
В узле: 1
35
50-59-515СП
Защелка
В узле: 1
36
50-59-1461
Накладка
В узле: 1
37
50-59-537СП
Ручка
В узле: 1
38
50-59-1147
Шайба
В узле: 1
39
Шплинт 3,2х18
Шплинт 3,2х18
В узле: 1
40
50-59-1386
Втулка
В узле: 1
41
700-42-2688
Панель
В узле: 1
42
700-38-2659
Пружина
В узле: 1
43
50-59-9817-01
Подкладка
В узле: 1
44
950.41.176
Пружина
В узле: 3
45
Винт В.М3-6gх25.58.019
Винт В.М3-6gх25.58.019
В узле: 1
46
Гайка М3.6.019
Гайка М3.6.019
В узле: 1
47
Шайба 3Т 65Г 09
Шайба 3Т 65Г 09
В узле: 1
48
50-59-1441
Крышка
В узле: 1
49
50-59-1457
Рукоятка
В узле: 1
Содержащиеся в справочниках-каталогах запасные части и детали не предлагаются к продаже, а носят исключительно информационный характер

Ваша заявка была отправлена. В ближайшее время наши специалисты с Вами свяжутся по указанному Вами телефону.

Представьтесь
Поле обязательно для заполнения
Ваш телефон
Введите правильный номер телефона
E-mail
Введите правильный e-mail
Тема
Тема
применяемость финансирование доставка цена, наличие другое сервис и гарантия
Время для звонка
08:00
08:00 09:00 10:00 11:00 12:00 13:00 14:00 15:00 16:00 17:00 18:00 19:00
19:00
08:00 09:00 10:00 11:00 12:00 13:00 14:00 15:00 16:00 17:00 18:00 19:00

Мы постараемся перезвонить в указанное время

Если вы не хотите ждать, то звоните нашим вежливым консультантам:

8 800 100-2-700
Подтвердите, что вы не робот
Подтвердите, что вы не робот
Спасибо!

Ваше сообщение успешно отправлено!

ЗакрытьПовторить попытку