Каталог запасных частей к технике: ЧТЗ Т-170. Кабина

zoom-in zoom-out enlarge shrink circle-right circle-left file-text2 info cart arraw right arraw left zoom out zoom in arraw maximize arraw minimize
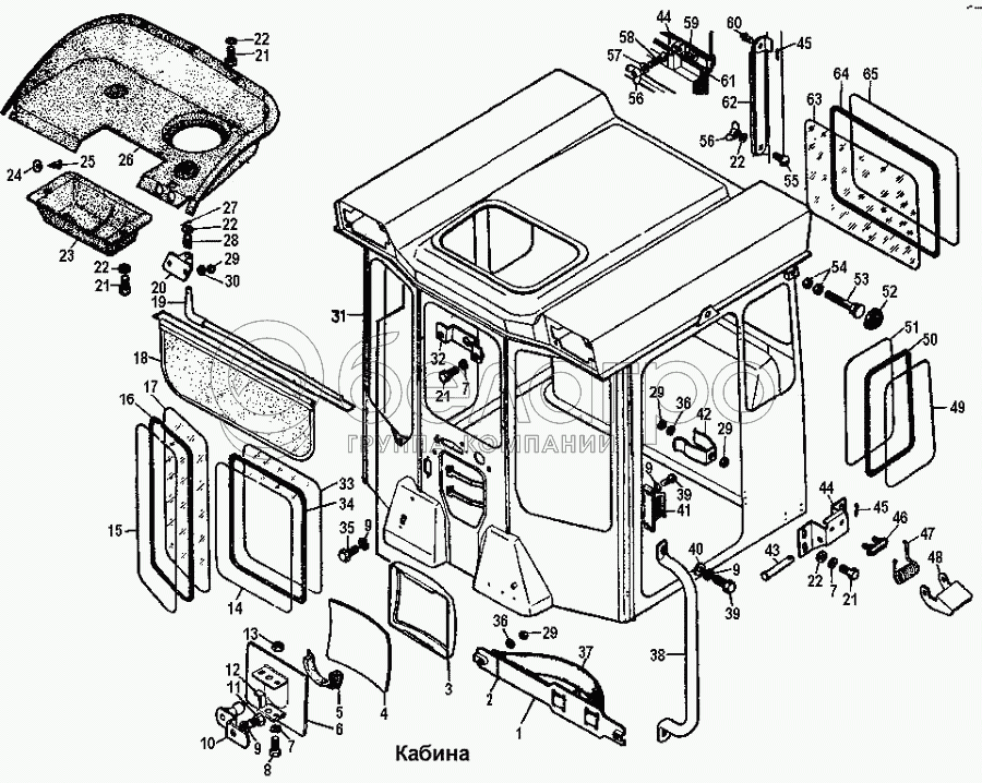
1
2
3
4
5
6
7
7
7
8
9
9
9
9
10
11
12
13
14
15
16
17
17
18
19
20
21
21
21
21
22
22
22
22
22
23
24
25
26
27
28
29
29
29
29
30
31
32
33
33
34
35
36
36
37
38
39
39
40
40
41
42
43
44
44
45
45
46
47
48
49
50
51
51
52
53
54
55
56
56
57
58
59
60
61
61
62
63
63
64
65
50-59-168-СП
Зеркало
В узле: 1
50-59-183-СП
Защелка
В узле: 2
21-59-114СП
Кронштейн
В узле: 1
21-59-112СП
Козырек светозащитный
В узле: 1
50-59-24-02СП
Кабина
В узле: 1
50-59-24СП
Кабина
В узле: 1
50-59-24-01СП
Кабина
В узле: 1
1
50-59-107
Кронштейн
В узле: 1
2
50-59-154
Шлевка
В узле: 1
3
24-59-153
Ободок
В узле: 1
4
24-59-148
Зеркало
В узле: 1
5
700-40-3915-03
Уплотнитель
В узле: 1
6
50-59-110СП
Корпус
В узле: 1
7
Шайба 8Т 65Г 09
Шайба 8Т 65Г 09
В узле: 20
8
Болт М8х35.58.019
Болт М8х35.58.019
В узле: 1
9
Шайба 10 ОТ 65Г 09
Шайба 10 ОТ 65Г 09
В узле: 11
10
50-59-203-СП
Опора
В узле: 1
11
Болт М10х25.58.019
Болт М10х25.58.019
В узле: 1
12
24-59-154
Прижим
В узле: 1
13
Гайка М8-6.019
Гайка М8-6.019
В узле: 1
14
24-59-228-04
Кант
В узле: 1
15
24-59-228-03
Кант
В узле: 2
16
24-59-222-03
Уплотнитель
В узле: 2
17
24-59-197-1
Стекло
В узле: 2
17
24-59-197
Стекло
В узле: 2
18
21-59-115СП
Козырек
В узле: 1
19
21-59-113СП
Ось
В узле: 1
20
21-59-77
Кронштейн
В узле: 1
21
Болт М8х25.88.019
Болт М8х25.88.019
В узле: 19
22
31386-1
Шайба
В узле: 1
23
700-42-2299
Кожух
В узле: 2
24
700-31-2353
Шайба
В узле: 4
25
700-35-2007
Шуруп
В узле: 2
26
50-59-160СП
Кожух
В узле: 1
27
Шплинт 2х14.019
Шплинт 2х14.019
В узле: 1
28
700-38-2360
Пружина
В узле: 1
29
Гайка М6-6.019
Гайка М6-6.019
В узле: 5
30
Шайба 6Т 65Г 09
Шайба 6Т 65Г 09
В узле: 4
31
24-59-180-СП
Каркас
В узле: 1
32
24-59-204-СП
Планка
В узле: 2
33
24-59-198-1
Стекло
В узле: 1
33
24-59-198
Стекло
В узле: 1
34
24-59-222-04
Уплотнитель
В узле: 1
35
Болт М10х20.58.019
Болт М10х20.58.019
В узле: 2
36
31358
Шайба
В узле: ---
37
700-40-6814
Ремень
В узле: 1
38
50-59-147
Поручень
В узле: 2
39
Болт М10х30.58.019
Болт М10х30.58.019
В узле: 8
40
31308
Шайба
В узле: 4
40
31308-1
Шайба
В узле: 4
41
24-59-447
Защелка
В узле: 2
42
50-59-110
Клипса
В узле: 1
43
700-47-96
Валик
В узле: 2
44
50-59-156
Корпус
В узле: 2
45
Шплинт 2,5х14
Шплинт 2,5х14
В узле: 5
46
591044
Амортизатор
В узле: 2
47
700-38-2486
Пружина
В узле: 2
48
24-59-397
Защелка
В узле: 2
49
24-59-228-02
Кант
В узле: 2
50
24-59-222-02
Уплотнитель
В узле: 2
51
24-59-196-1
Стекло
В узле: 2
51
24-59-196
Стекло
В узле: 2
52
700-40-5228
Накладка
В узле: 2
53
50-59-117-СП
Упор
В узле: 2
54
Гайка М12-6.019
Гайка М12-6.019
В узле: 2
55
Болт М8х25.58.35.019
Болт М8х25.58.35.019
В узле: 2
56
05573-1
Гайка
В узле: 3
57
31365-1
Шайба
В узле: 3
58
700-28-2121
Болт откидной
В узле: 1
59
6465
Валик
В узле: 1
60
591127
Валик
В узле: 2
61
700-40-3915
Уплотнитель
В узле: 1
61
700-40-7089
Уплотнитель
В узле: 1
62
24-59-176
Кулиса
В узле: 2
63
24-59-195
Стекло
В узле: 2
63
24-59-195-1
Стекло
В узле: 2
64
24-59-222-01
Уплотнитель
В узле: 2
65
24-59-228-01
Кант
В узле: 2
Содержащиеся в справочниках-каталогах запасные части и детали не предлагаются к продаже, а носят исключительно информационный характер

Ваша заявка была отправлена. В ближайшее время наши специалисты с Вами свяжутся по указанному Вами телефону.

Представьтесь
Поле обязательно для заполнения
Ваш телефон
Введите правильный номер телефона
E-mail
Введите правильный e-mail
Тема
Тема
применяемость финансирование доставка цена, наличие другое сервис и гарантия
Время для звонка
08:00
08:00 09:00 10:00 11:00 12:00 13:00 14:00 15:00 16:00 17:00 18:00 19:00
19:00
08:00 09:00 10:00 11:00 12:00 13:00 14:00 15:00 16:00 17:00 18:00 19:00

Мы постараемся перезвонить в указанное время

Если вы не хотите ждать, то звоните нашим вежливым консультантам:

8 800 100-2-700
Подтвердите, что вы не робот
Подтвердите, что вы не робот
Спасибо!

Ваше сообщение успешно отправлено!

ЗакрытьПовторить попытку