Каталог запасных частей к технике: ЧТЗ Т-170. Корпус регулятора

zoom-in zoom-out enlarge shrink circle-right circle-left file-text2 info cart arraw right arraw left zoom out zoom in arraw maximize arraw minimize
1
1
2
2
2
2
2
2
2
2
2
2
2
2
2
3
4
5
6
7
8
9
9
10
11
12
12
13
14
15
16
16
17
18
18
19
19
20
21
22
22
22
23
23
24
24
25
26
26
27
28
29
30
31
32
33
34
35
36
37
38
39
40
41
42
43
44
45
46
47
48
49
49
50
51
52
53
54
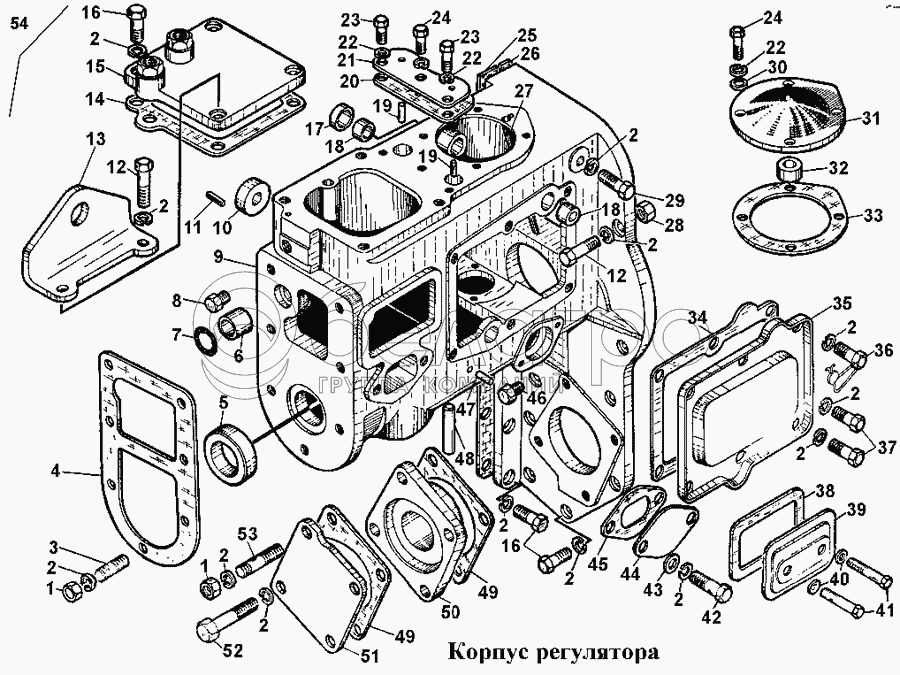
06307СП
Крышка
В узле: 1
51-06-125СП
Корпус регулятора
В узле: 1
Шайба 12 ОТ 65Г 09
Шайба 12 ОТ 65Г 09
В узле: 37
06310СП
Крышка
В узле: 1
1
3084
Гайка
В узле: 3
2
Шайба 10 ОТ 65Г 09
Шайба 10 ОТ 65Г 09
В узле: 37
3
700-29-2463
Шпилька
В узле: 7
4
40748
Прокладка
В узле: 1
5
40976СП
Сальник
В узле: 1
6
6304
Втулка
В узле: 1
7
40747
Кольцо
В узле: 1
8
375-01
Пробка
В узле: 1
9
16-06-4-1
Корпус регулятора
В узле: 1
9
51-06-22
Корпус регулятора
В узле: 1
10
40967СП
Сальник
В узле: 1
11
32249
Штифт
В узле: 1
12
Болт М10х40.58.019
Болт М10х40.58.019
В узле: 3
13
51-06-11
Проушина
В узле: 1
14
40987
Прокладка
В узле: 1
15
51-06-104СП
Крышка
В узле: 1
16
Болт М10х30.58.019
Болт М10х30.58.019
В узле: 12
17
6305
Пробка-колпачок
В узле: 1
18
Подшипник 941/15
Подшипник 941/15
В узле: 2
19
700-32-2182
Штифт
В узле: 2
20
40962
Прокладка
В узле: 1
21
6311
Крышка
В узле: 1
22
Шайба 8Т 65Г 09
Шайба 8Т 65Г 09
В узле: 7
23
28473
Болт
В узле: 2
24
Болт М8х20.58.019
Болт М8х20.58.019
В узле: 5
25
63577
Прокладка
В узле: 1
26
46170
Прокладка
В узле: 1
26
700-40-20011
Прокладка
В узле: 1
27
6306
Трубка
В узле: 1
28
Гайка М10-6.019
Гайка М10-6.019
В узле: 1
29
Болт М10-6gх170.58С.019
Болт М10-6gх170.58С.019
В узле: 1
30
31386-1
Шайба
В узле: 4
31
06308-2
Крышка
В узле: 1
32
6309
Втулка
В узле: 1
33
40961
Прокладка
В узле: 1
34
40963
Прокладка
В узле: 2
35
06312-2
Крышка
В узле: 1
36
700-28-2455
Болт
В узле: 2
37
Болт М10х18.58.019
Болт М10х18.58.019
В узле: 5
38
40964
Прокладка
В узле: 2
39
06562-2
Крышка
В узле: 1
40
40975
Кольцо
В узле: 2
41
700-28-2190
Болт
В узле: 2
42
Болт М10х20.58.019
Болт М10х20.58.019
В узле: 2
43
31308
Шайба
В узле: 2
44
51-06-16
Крышка
В узле: 1
45
40965
Прокладка
В узле: 1
46
41242
Штуцер
В узле: 1
47
32248
Штифт
В узле: 1
48
32247
Штифт
В узле: 1
49
700-40-2631
Прокладка
В узле: 2
50
50-26-830
Плита
В узле: 1
51
51-06-3
Крышка
В узле: 1
52
Болт М10х45.58.019
Болт М10х45.58.019
В узле: 1
53
700-29-2194
Шпилька
В узле: 3
54
14-06-108СП
Корпус
В узле: 1
Содержащиеся в справочниках-каталогах запасные части и детали не предлагаются к продаже, а носят исключительно информационный характер

Ваша заявка была отправлена. В ближайшее время наши специалисты с Вами свяжутся по указанному Вами телефону.

Представьтесь
Поле обязательно для заполнения
Ваш телефон
Введите правильный номер телефона
E-mail
Введите правильный e-mail
Тема
Тема
применяемость финансирование доставка цена, наличие другое сервис и гарантия
Время для звонка
08:00
08:00 09:00 10:00 11:00 12:00 13:00 14:00 15:00 16:00 17:00 18:00 19:00
19:00
08:00 09:00 10:00 11:00 12:00 13:00 14:00 15:00 16:00 17:00 18:00 19:00

Мы постараемся перезвонить в указанное время

Если вы не хотите ждать, то звоните нашим вежливым консультантам:

8 800 100-2-700
Подтвердите, что вы не робот
Подтвердите, что вы не робот
Спасибо!

Ваше сообщение успешно отправлено!

ЗакрытьПовторить попытку