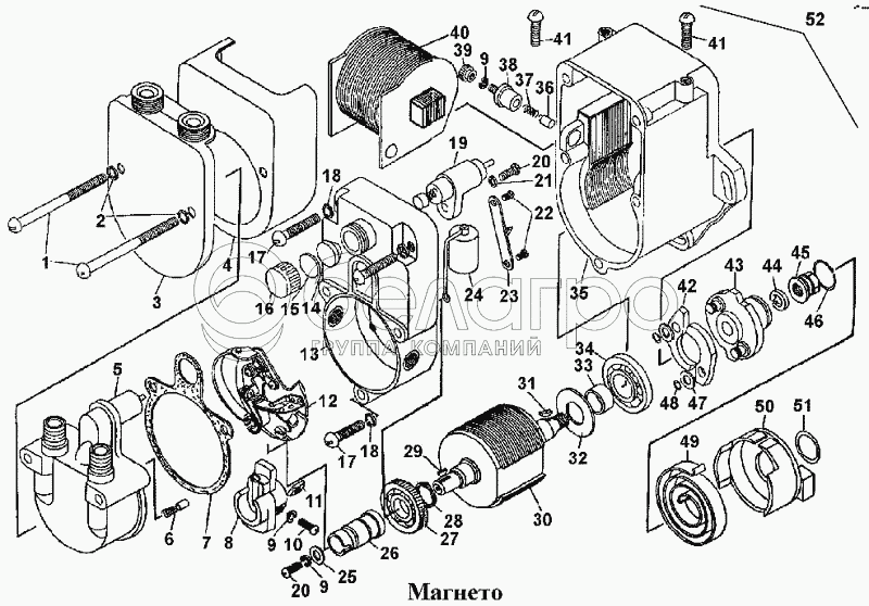
Каталог запасных частей к технике: ЧТЗ Т-170. Магнето

zoom-in zoom-out enlarge shrink circle-right circle-left file-text2 info cart arraw right arraw left zoom out zoom in arraw maximize arraw minimize
1
2
2
3
3
4
5
5
6
7
7
8
8
9
9
9
9
10
11
12
12
13
13
14
14
15
16
17
17
18
18
18
19
19
20
20
21
22
23
24
25
26
26
27
28
28
28
28
28
29
30
30
30
30
31
32
32
33
34
35
35
36
36
37
37
38
38
39
40
40
41
41
42
42
43
44
44
45
46
46
47
48
48
49
50
51
51
52
52
МС149-3728000-01
Пусковой ускоритель
В узле: 1
МС149-3728000
Пусковой ускоритель
В узле: 1
1
НО-0426
Винт
В узле: 2
2
Б21-3705009
Шайба пружинная
В узле: 2
2
Б21-3705009-01
Шайба пружинная
В узле: 2
3
М68-3728850-01
Крышка экрана в сборе
В узле: 1
3
М68-3728850-02
Крышка экрана в сборе
В узле: 1
4
М68-3728002
Корпус экрана
В узле: 1
5
М68Б-3728600
Крышка распределителя в сборе
В узле: 1
5
М68Б-3728600-01
Крышка распределителя в сборе
В узле: 1
6
М11-5194
Контакт с пружиной
В узле: 1
7
М46Б-3728604-01
Прокладка
В узле: 1
7
М46Б-3728604
Прокладка
В узле: 1
8
М47Б1-3728700
Бегунок
В узле: 1
8
М47Б1-3728700-01
Бегунок
В узле: 1
9
Х-1012
Шайба
В узле: 1
9
Х-1012-01
Шайба
В узле: 1
10
НО-0604
Винт
В узле: 1
11
М48Б1-3728703
Гайка специальная
В узле: 1
12
М149-3728500-01
Пластина прерывателя магнета
В узле: 1
12
М149-3728500-02
Пластина прерывателя магнета
В узле: 1
13
М149-3728300-02
Крышка в сборе
В узле: 1
13
М149-3728300-01
Крышка в сборе
В узле: 1
14
ЕСЭ-10-2774
Шайба резиновая
В узле: 1
14
ЕСЭ-10-2774-01
Шайба резиновая
В узле: 1
15
М149-3728014
Заглушка
В узле: 1
16
М42-3728042-01
Гайка зажимная
В узле: 1
17
М42-3728009
Винт
В узле: 1
18
Х-4001
Шайба пружинная
В узле: 3
18
Х-4001-01
Шайба пружинная
В узле: 3
19
М149-3728310
Вывод в сборе
В узле: 1
19
М149-3728310-01
Вывод в сборе
В узле: 1
20
ДС1-3701107
Винт
В узле: 1
21
М11-41079
Шайба пружинная
В узле: 1
22
7Х-1554
Винт
В узле: 2
23
М149-3728303-12
Держатель конденсатора
В узле: 1
24
Конденсатор К-42-18-8-0,2
Конденсатор К-42-18-8-0,2
В узле: 1
25
М48Б1-3728003-11
Шайба
В узле: 1
26
М47Б1-3728005
Кулачок
В узле: 1
26
М47Б1-3728005-01
Кулачок
В узле: 1
27
Подшипник 6012
Подшипник 6012
В узле: 1
28
Х3-108-55
Шайба регулировочная толщиной 0,5
В узле: 1
28
Х3-108-58
Шайба регулировочная толщиной 0,15
В узле: 1
28
Х3-108-56
Шайба регулировочная толщиной 0,3
В узле: 1
28
Х3-108-59
Шайба регулировочная толщиной 0,1
В узле: 1
28
Х3-108-57
Шайба регулировочная толщиной 0,2
В узле: 1
29
М11-40063
Шпонка
В узле: 1
30
М149-3728210
Ротор
В узле: 1
30
М149-3728210-01
Ротор
В узле: 1
30
М149-3728200
Ротор в сборе
В узле: 1
30
М149-3728200-01
Ротор в сборе
В узле: 1
31
М11-41114
Шпонка
В узле: 1
32
М42-3728203
Шайба маслоотражательная
В узле: 1
32
М42-3728203-01
Шайба маслоотражательная
В узле: 1
33
М42-3728206
Втулка
В узле: 1
34
Подшипник 6015
Подшипник 6015
В узле: 1
35
М149-3728100-01
Корпус в сборе
В узле: 1
35
М149-3728100-02
Корпус в сборе
В узле: 1
36
М42-3728016
Контакт
В узле: 1
36
М42-3728016-01
Контакт
В узле: 1
37
М11-1575
Пружина
В узле: 1
37
М11-1575-01
Пружина
В узле: 1
38
М21-3728130
Клемма выключения
В узле: 1
38
М21-3728130-01
Клемма выключения
В узле: 1
39
М8Т-3707012
Гайка
В узле: 1
40
М149-3728400-01
Трансформатор в сборе
В узле: 1
40
М149-3728400
Трансформатор в сборе
В узле: 1
41
М42-3728002
Винт специальный
В узле: 2
42
МС9А-3728001
Защелка
В узле: 2
42
МС9А-3728001-01
Защелка
В узле: 2
43
МС149-3728110
Втулка
В узле: 1
44
Х-4069
Шайба
В узле: 1
44
Х-4069-01
Шайба
В узле: 1
45
МС22-3728005
Гайка
В узле: 1
46
МС22-3728006-01
Замок
В узле: 1
46
МС22-3728006
Замок
В узле: 1
47
ПУ-9353-12
Шайба регулировочная
В узле: 2
48
ПУ-10-3214
Замок
В узле: 2
48
ПУ-10-3214-01
Замок
В узле: 2
49
МС9-3728002
Пружина
В узле: 1
50
МС149-3728101-01
Корпус
В узле: 1
51
МС22-3728007
Замок
В узле: 1
51
МС22-3728007-01
Замок
В узле: 1
52
М149А-3728000-02
Магнето М149-А
В узле: 1
52
М149А-3728000-01
Магнето М149-А-Т
В узле: 1
Содержащиеся в справочниках-каталогах запасные части и детали не предлагаются к продаже, а носят исключительно информационный характер

Ваша заявка была отправлена. В ближайшее время наши специалисты с Вами свяжутся по указанному Вами телефону.

Представьтесь
Поле обязательно для заполнения
Ваш телефон
Введите правильный номер телефона
E-mail
Введите правильный e-mail
Тема
Тема
применяемость финансирование доставка цена, наличие другое сервис и гарантия
Время для звонка
08:00
08:00 09:00 10:00 11:00 12:00 13:00 14:00 15:00 16:00 17:00 18:00 19:00
19:00
08:00 09:00 10:00 11:00 12:00 13:00 14:00 15:00 16:00 17:00 18:00 19:00

Мы постараемся перезвонить в указанное время

Если вы не хотите ждать, то звоните нашим вежливым консультантам:

8 800 100-2-700
Подтвердите, что вы не робот
Подтвердите, что вы не робот
Спасибо!

Ваше сообщение успешно отправлено!

ЗакрытьПовторить попытку