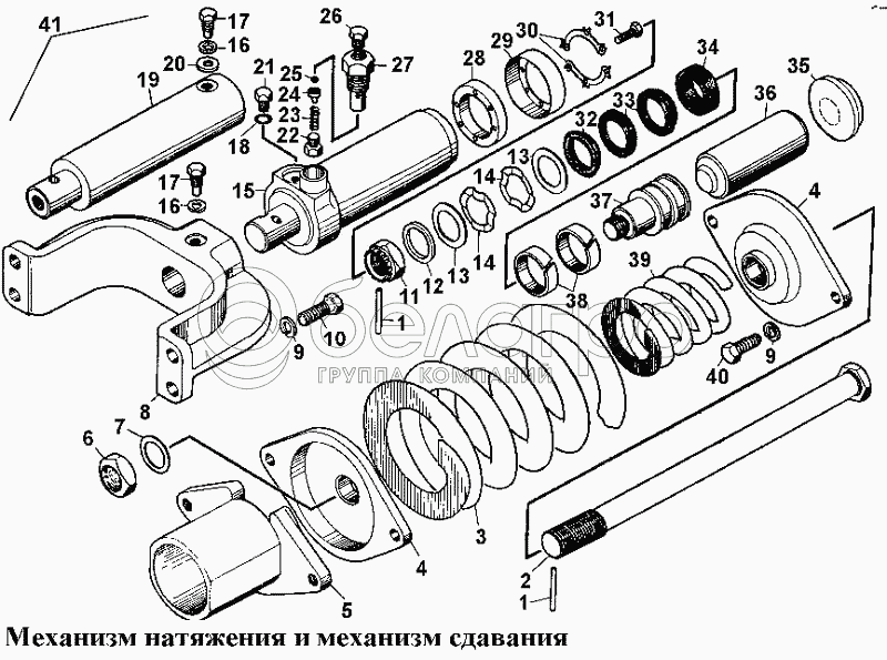
Каталог запасных частей к технике: ЧТЗ Т-170. Механизм натяжения и механизм сдавания

zoom-in zoom-out enlarge shrink circle-right circle-left file-text2 info cart arraw right arraw left zoom out zoom in arraw maximize arraw minimize
1
1
2
3
4
4
4
5
6
7
8
9
9
10
11
12
12
13
13
14
14
15
16
16
17
17
18
19
20
20
21
22
23
24
25
26
27
28
29
30
31
32
33
34
35
36
37
38
39
40
41
41
50-21-161-СП
Цилиндр
В узле: 1
50-21-177-СП
Клапан
В узле: 1
1
35-21-37
Шплинт
В узле: 1
2
50-21-55
Стержень
В узле: 1
3
38391
Пружина
В узле: 1
4
50-21-285
Фланец
В узле: 2
4
50-21-84
Фланец
В узле: 2
5
24-21-150-СП
Фланец
В узле: 1
6
700-30-2275
Гайка
В узле: 1
7
24-21-163
Прокладка
В узле: 1
8
50-21-63
Вилка
В узле: 1
9
Шайба 20 ОТ 65Г 09
Шайба 20 ОТ 65Г 09
В узле: 52
10
28234
Болт
В узле: 12
11
700-30-2195
Гайка
В узле: 1
12
50-21-15
Проставка
В узле: 1
12
50-21-245
Проставка
В узле: 1
13
24-21-95
Прокладка
В узле: 2
14
700-58-2273
Кольцо
В узле: 2
15
50-21-136-СП
Цилиндр
В узле: 1
16
Шайба 16 ОТ 65Г 09
Шайба 16 ОТ 65Г 09
В узле: 2
17
60-21-8
Стопор
В узле: 2
18
Кольцо 014-018-25-2-2
Кольцо 014-018-25-2-2
В узле: 1
19
20-21-135-СП
Проставка
В узле: 1
20
31477
Шайба
В узле: 1
20
331477
Шайба
В узле: 1
21
700-37-2236
Пробка
В узле: 1
22
50-21-216
Заглушка
В узле: 1
23
700-38-2591
Пружина
В узле: 1
24
50-21-165
Толкатель
В узле: 1
25
Шарик Б5-200
Шарик Б5-200
В узле: 1
26
50-21-166
Заглушка
В узле: 1
27
50-21-164
Корпус
В узле: 1
28
35-21-40
Сальник
В узле: 1
29
35-21-38
Крышка
В узле: 1
30
700-31-2558
Шайба
В узле: 2
31
Болт М8х35.88.019
Болт М8х35.88.019
В узле: 6
32
Кольцо КО 50х70-2
Кольцо КО 50х70-2
В узле: 1
33
Кольцо М 50х70-2
Кольцо М 50х70-2
В узле: 4
34
Кольцо КН 50х70-2
Кольцо КН 50х70-2
В узле: 1
35
35-21-34
Упор
В узле: 1
36
24-21-92
Шток
В узле: 1
37
50-21-14
Поршень
В узле: 1
38
18-21-32
Кольцо
В узле: 2
39
700-38-2153
Пружина
В узле: 1
40
Болт М20х50.88.019
Болт М20х50.88.019
В узле: 12
41
50-21-134-СП
Механизм натяжения
В узле: 1
41
20-21-132-СП
Механизм сдавания
В узле: 1
Содержащиеся в справочниках-каталогах запасные части и детали не предлагаются к продаже, а носят исключительно информационный характер

Ваша заявка была отправлена. В ближайшее время наши специалисты с Вами свяжутся по указанному Вами телефону.

Представьтесь
Поле обязательно для заполнения
Ваш телефон
Введите правильный номер телефона
E-mail
Введите правильный e-mail
Тема
Тема
применяемость финансирование доставка цена, наличие другое сервис и гарантия
Время для звонка
08:00
08:00 09:00 10:00 11:00 12:00 13:00 14:00 15:00 16:00 17:00 18:00 19:00
19:00
08:00 09:00 10:00 11:00 12:00 13:00 14:00 15:00 16:00 17:00 18:00 19:00

Мы постараемся перезвонить в указанное время

Если вы не хотите ждать, то звоните нашим вежливым консультантам:

8 800 100-2-700
Подтвердите, что вы не робот
Подтвердите, что вы не робот
Спасибо!

Ваше сообщение успешно отправлено!

ЗакрытьПовторить попытку