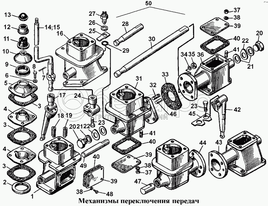
Каталог запасных частей к технике: ЧТЗ Т-170. Механизм переключения передач

zoom-in zoom-out enlarge shrink circle-right circle-left file-text2 info cart arraw right arraw left zoom out zoom in arraw maximize arraw minimize
1
2
3
3
3
3
4
4
5
6
7
9
10
11
12
13
14
15
16
17
18
19
20
20
21
21
22
22
23
23
24
25
26
27
28
29
30
31
32
33
33
34
35
36
37
37
38
38
38
39
39
39
40
40
40
41
41
42
43
44
45
46
47
48
49
50
50
50
50
20-12-130-СП
Проставка
В узле: 1
20-12-129-СП
Проставка
В узле: 1
1
18-12-330
Проставка
В узле: 1
2
13360
Кольцо
В узле: 1
3
40819
Прокладка
В узле: 3
3
40819-1
Прокладка
В узле: 3
4
13317
Фланец шаровой
В узле: 2
5
13318
Фланец шаровой
В узле: 1
6
Шайба 10 ОТ 65Г 09
Шайба 10 ОТ 65Г 09
В узле: 4
7
Шплинт 4х32
Шплинт 4х32
В узле: 1
9
40820
Кольцо
В узле: 1
10
13319
Крышка
В узле: 1
11
46612
Колпачок
В узле: 1
12
13591
Крышка
В узле: 1
13
13310-СП
Рукоятка
В узле: 1
14
18-12-161-СП
Рычаг
В узле: 1
15
18-12-162-СП
Рычаг
В узле: 1
16
18-12-391
Проставка
В узле: 1
17
18-12-410
Рычаг
В узле: 1
18
38325
Пружина
В узле: 1
19
38551
Пружина
В узле: 1
20
700-37-2154
Пробка
В узле: 2
21
40588
Прокладка
В узле: 4
22
31368
Шайба
В узле: 2
23
700-28-2336
Болт
В узле: 4
24
20-12-91
Хвостовик
В узле: 1
25
18-12-411
Пластина
В узле: 1
26
21-12-50
Прокладка
В узле: 7
27
Выключатель ВК-403
Выключатель ВК-403
В узле: 1
28
18-12-412
Валик
В узле: 1
29
Кольцо 014-018-25-2-2
Кольцо 014-018-25-2-2
В узле: 1
30
20-12-92
Валик
В узле: 1
31
20-12-80
Проставка передняя правая
В узле: 1
32
29310
Шпилька
В узле: 4
33
700-40-3254
Прокладка
В узле: 1
33
700-40-3254-1
Прокладка
В узле: 1
34
Шайба 16 ОТ 65Г 09
Шайба 16 ОТ 65Г 09
В узле: 4
35
30246
Гайка
В узле: 4
36
20-12-85
Проставка задняя правая
В узле: 1
37
Гайка М8х1.6.019
Гайка М8х1.6.019
В узле: 8
38
Шайба 8Т 65Г 09
Шайба 8Т 65Г 09
В узле: 4
39
18-12-246
Крышка
В узле: 1
40
700-40-3072-1
Прокладка
В узле: 1
41
Шпилька М8
Шпилька М8
В узле: 8
42
20-12-90
Рычаг
В узле: 1
43
20-12-86
Проставка задняя левая
В узле: 1
44
20-12-84
Проставка передняя левая
В узле: 1
45
700-31-2542
Пластина стопорная
В узле: 1
46
32349
Штифт
В узле: 1
47
20-12-79
Валик
В узле: 1
48
Болт М8х16.58.019
Болт М8х16.58.019
В узле: 4
49
18-12-413
Валик
В узле: 1
50
18-12-177-СП
Механизм переключения передач
В узле: 1
50
18-12-178-СП
Механизм переключения диапазонов и направления движения
В узле: 1
50
20-12-131-СП
Механизм переключения передач
В узле: 1
50
20-12-132-СП
Механизм переключения диапазонов и направления
В узле: 1
Содержащиеся в справочниках-каталогах запасные части и детали не предлагаются к продаже, а носят исключительно информационный характер

Ваша заявка была отправлена. В ближайшее время наши специалисты с Вами свяжутся по указанному Вами телефону.

Представьтесь
Поле обязательно для заполнения
Ваш телефон
Введите правильный номер телефона
E-mail
Введите правильный e-mail
Тема
Тема
применяемость финансирование доставка цена, наличие другое сервис и гарантия
Время для звонка
08:00
08:00 09:00 10:00 11:00 12:00 13:00 14:00 15:00 16:00 17:00 18:00 19:00
19:00
08:00 09:00 10:00 11:00 12:00 13:00 14:00 15:00 16:00 17:00 18:00 19:00

Мы постараемся перезвонить в указанное время

Если вы не хотите ждать, то звоните нашим вежливым консультантам:

8 800 100-2-700
Подтвердите, что вы не робот
Подтвердите, что вы не робот
Спасибо!

Ваше сообщение успешно отправлено!

ЗакрытьПовторить попытку