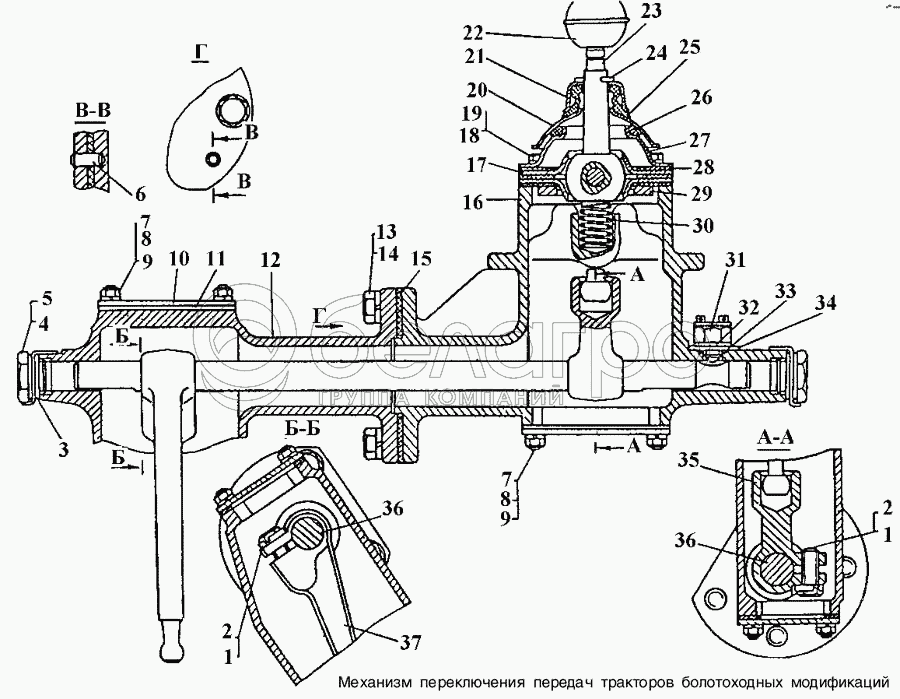
Каталог запасных частей к технике: ЧТЗ Т-170. Механизм переключения передач тракторов болотоходных модификаций

zoom-in zoom-out enlarge shrink circle-right circle-left file-text2 info cart arraw right arraw left zoom out zoom in arraw maximize arraw minimize
1
1
2
2
3
4
5
6
7
7
8
8
9
9
10
11
12
12
13
14
15
16
16
17
18
19
20
21
22
24
25
26
27
28
29
30
31
32
33
34
35
36
36
37
700-40-6769
Прокладка
В узле: 1
50-12-15СП
Коробка передач тракторов Т-170М1.03-51
В узле: 1
16354
Шестерня коническая
В узле: 1
Шайба 10 ОТ 65Г 09
Шайба 10 ОТ 65Г 09
В узле: 10
20-12-129 СП
Проставка в сборе правая
В узле: 1
20-12-1 30 СП
Проставка в сборе левая
В узле: 1
700-40-3788-1
Прокладка
В узле: 1
50-60-200СП
Насос
В узле: 1
20-12-132 СП
Механизм переключенияправый
В узле: 1
20-12-131 СП
Механизм переключения левый
В узле: 1
20-12-9СП
Коробка передач. Коробка передач болотоходных тракторов Т-170МБ.01, Т-170МБ.41
В узле: 1
Болт М10х25.58.019
Болт М10х25.58.019
В узле: 4
БолтМ10х30.58.019
БолтМ10х30.58.019
В узле: 6
Кольцо 14-018-25-2-2
Кольцо 14-018-25-2-2
В узле: 1
50-12-8СП
Коробка передач
В узле: 1
40-12-1 СП
Коробка передач бо-лотоходных тракторов, комплект для запасных частей
В узле: 1
50-12-8СП
Коробка передач
В узле: 1
50-12-16СП
Коробка передач тракторов Т-170М.03-51 и Т-170М.03-52 , комплект для запасных частей
В узле: 1
50-12-12СП
Коробка передач, комплект
В узле: 1
50-60-218СП
Крышка
В узле: 1
1
700-31-2542
Пластина стопорная
В узле: 2
2
700-28-2336
Болт
В узле: 4
3
40588
Прокладка
В узле: 4
4
700-37-2154
Пробка
В узле: 2
5
31368
Шайба
В узле: 2
6
32349
Штифт
В узле: 1
7
Гайка М8х1.6.019
Гайка М8х1.6.019
В узле: 8
8
Шайба 8Т 65Г 09
Шайба 8Т 65Г 09
В узле: 8
9
Шпилька 2М8х1,25х18.66.016
Шпилька 2М8х1,25х18.66.016
В узле: 8
10
18-12-246
Крышка
В узле: 2
11
700-40-3072-01
Прокладка
В узле: 2
12
20-12-85
Проставка задняя правая
В узле: 1
12
20-12-86
Проставка задняя левая
В узле: 1
13
28431
Болт
В узле: 4
14
Шайба 160Т65Г 09
Шайба 160Т65Г 09
В узле: 4
15
700-40-3254
Прокладка
В узле: 1
16
20-12-84
Проставка передняя левая
В узле: 1
16
20-12-80
Проставка передняя правая
В узле: 1
17
13317
Фланец шаровой
В узле: 2
18
Болт М10х30.58.019
Болт М10х30.58.019
В узле: 4
19
Шайба 10 ОТ 65Г 09
Шайба 10 ОТ 65Г 09
В узле: 4
20
13319
Крышка
В узле: 1
21
13591
Крышка
В узле: 1
22
13310 СП
Рукоятка в сборе
В узле: 1
23
18-12-162 СП
Рычаг левый
В узле: 1
23
18-12-161 СП
Рычаг правый
В узле: 1
24
Шплинт 4х32
Шплинт 4х32
В узле: 1
25
46612
Колпачок
В узле: 1
26
40820: КО 50х70-2
Кольцо
В узле: 1
27
13318
Фланец шаровой
В узле: 1
28
40819, 40819-1
Прокладка
В узле: 3
29
13360
Кольцо
В узле: 1
30
38325
Пружина
В узле: 2
31
Выключатель ВК-418 3716000
Выключатель ВК-418 3716000
В узле: 1
32
21-12-50
Прокладка
В узле: 7
33
Кольцо 014-018-25-2-2
Кольцо 014-018-25-2-2
В узле: 1
34
18-12-411
Пластина
В узле: 1
35
20-12-91
Хвостовик
В узле: 1
36
20-12-79
Валик
В узле: 1
36
20-12-92
Валик
В узле: 1
37
20-12-90
Рычаг
В узле: 1
Содержащиеся в справочниках-каталогах запасные части и детали не предлагаются к продаже, а носят исключительно информационный характер

Ваша заявка была отправлена. В ближайшее время наши специалисты с Вами свяжутся по указанному Вами телефону.

Представьтесь
Поле обязательно для заполнения
Ваш телефон
Введите правильный номер телефона
E-mail
Введите правильный e-mail
Тема
Тема
применяемость финансирование доставка цена, наличие другое сервис и гарантия
Время для звонка
08:00
08:00 09:00 10:00 11:00 12:00 13:00 14:00 15:00 16:00 17:00 18:00 19:00
19:00
08:00 09:00 10:00 11:00 12:00 13:00 14:00 15:00 16:00 17:00 18:00 19:00

Мы постараемся перезвонить в указанное время

Если вы не хотите ждать, то звоните нашим вежливым консультантам:

8 800 100-2-700
Подтвердите, что вы не робот
Подтвердите, что вы не робот
Спасибо!

Ваше сообщение успешно отправлено!

ЗакрытьПовторить попытку