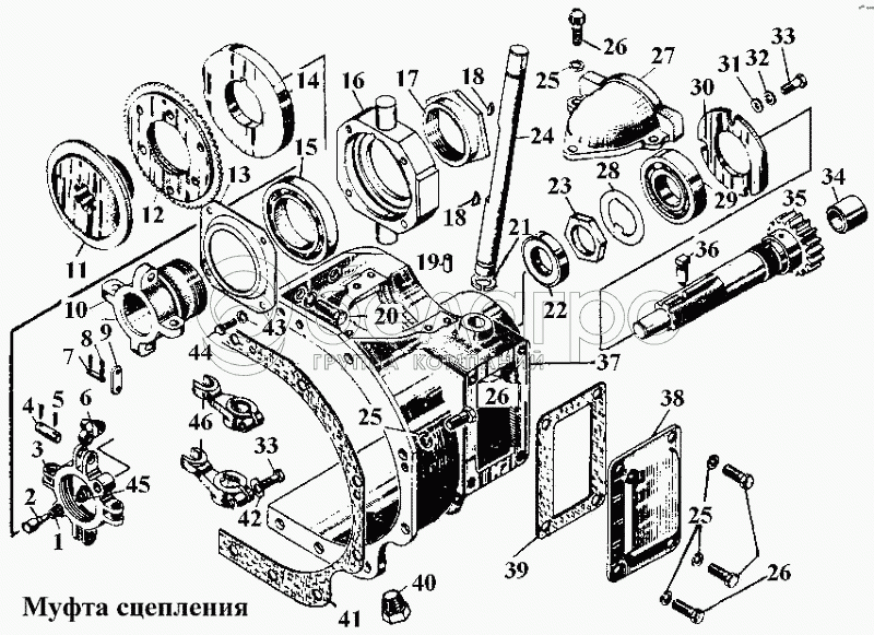
Каталог запасных частей к технике: ЧТЗ Т-170. Муфта сцепления

zoom-in zoom-out enlarge shrink circle-right circle-left file-text2 info cart arraw right arraw left zoom out zoom in arraw maximize arraw minimize
1
2
3
4
5
6
7
8
9
10
11
12
13
14
15
16
17
18
18
19
20
21
22
23
24
25
25
25
26
26
26
27
28
29
30
31
32
33
33
34
35
36
37
38
39
40
41
42
43
44
45
46
17-73-112-03 СП
Корпус
В узле: 1
7324СП
Вал
В узле: 1
17-73-130СП
Подшипник выжимной
В узле: 1
7318СП
Крестовина
В узле: 1
1
3874
Пружина
В узле: 1
2
7316
Защелка
В узле: 1
3
17-73-57
Крестовина
В узле: 1
4
7312
Палец
В узле: 4
5
Шплинт 2,5х16.019
Шплинт 2,5х16.019
В узле: 4
6
7311
Кулачок
В узле: 4
7
7314
Палец
В узле: 8
8
Шплинт 2х12.019
Шплинт 2х12.019
В узле: 8
9
7313
Серьга
В узле: 8
10
17-73-54
Муфта
В узле: 1
11
736
Диск неподвижный
В узле: 1
12
738-4СП
Диск
В узле: 1
13
17-73-53
Крышка
В узле: 1
14
739
Диск нажимной
В узле: 1
15
Подшипник 1000909-1
Подшипник 1000909-1
В узле: 1
16
17-73-52
Обойма
В узле: 1
17
17-73-55
Тормозок
В узле: 1
18
Шпонка 3х6,5
Шпонка 3х6,5
В узле: 2
19
700-31-2196
Штифт
В узле: 2
20
Болт М10х30.58.019
Болт М10х30.58.019
В узле: 4
21
700-58-2526
Кольцо
В узле: 1
22
40257СП
Сальник
В узле: 1
23
700-30-2305
Гайка
В узле: 1
24
17-73-35
Ось
В узле: 1
25
Шайба 10 ОТ 65Г 09
Шайба 10 ОТ 65Г 09
В узле: 4
26
Болт М10х22.58.019
Болт М10х22.58.019
В узле: 7
27
17-73-13
Крышка
В узле: 1
28
700-31-2566
Шайба
В узле: 1
29
Подшипник 208К
Подшипник 208К
В узле: 1
30
73105
Крышка
В узле: 1
31
353-05-1
Шайба
В узле: 3
32
Шайба 8Т 65Г 09
Шайба 8Т 65Г 09
В узле: 3
33
Болт М8х25.88.35.019
Болт М8х25.88.35.019
В узле: 3
34
7323-1
Втулка
В узле: 1
35
735
Вал
В узле: 1
36
7325
Палец стопорный
В узле: 1
37
17-73-20-01
Корпус
В узле: 1
38
73103
Крышка люка
В узле: 1
39
40235
Прокладка
В узле: 1
40
379
Пробка
В узле: 1
41
40954
Прокладка
В узле: 1
42
31103-1
Шайба стопорная
В узле: 1
43
Шайба 6Т 65Г 09
Шайба 6Т 65Г 09
В узле: 4
44
Болт М6-6gх14.88.35.019
Болт М6-6gх14.88.35.019
В узле: 4
45
516
Кнопка
В узле: 1
46
17-73-58
Вилка
В узле: 2
Содержащиеся в справочниках-каталогах запасные части и детали не предлагаются к продаже, а носят исключительно информационный характер

Ваша заявка была отправлена. В ближайшее время наши специалисты с Вами свяжутся по указанному Вами телефону.

Представьтесь
Поле обязательно для заполнения
Ваш телефон
Введите правильный номер телефона
E-mail
Введите правильный e-mail
Тема
Тема
применяемость финансирование доставка цена, наличие другое сервис и гарантия
Время для звонка
08:00
08:00 09:00 10:00 11:00 12:00 13:00 14:00 15:00 16:00 17:00 18:00 19:00
19:00
08:00 09:00 10:00 11:00 12:00 13:00 14:00 15:00 16:00 17:00 18:00 19:00

Мы постараемся перезвонить в указанное время

Если вы не хотите ждать, то звоните нашим вежливым консультантам:

8 800 100-2-700
Подтвердите, что вы не робот
Подтвердите, что вы не робот
Спасибо!

Ваше сообщение успешно отправлено!

ЗакрытьПовторить попытку