Каталог запасных частей к технике: ЧТЗ Т-170. Насос масляный

zoom-in zoom-out enlarge shrink circle-right circle-left file-text2 info cart arraw right arraw left zoom out zoom in arraw maximize arraw minimize
1
1
2
3
4
5
5
6
7
8
9
9
10
10
11
12
13
14
14
15
16
16
17
18
19
20
21
22
23
24
25
26
27
28
29
30
31
32
32
33
33
34
35
36
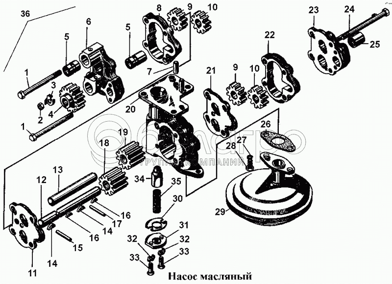
29-09-125СП
Крышка
В узле: 1
16-09-163СП
Валик
В узле: 1
16-09-150СП
Крышка передняя
В узле: 1
1
Болт М10-6gх130.58.019
Болт М10-6gх130.58.019
В узле: 2
2
700-30-2099
Гайка
В узле: 2
3
3137
Шайба
В узле: 4
4
16-09-142
Шестерня
В узле: 1
5
29-09-62
Втулка
В узле: 2
6
16-09-98
Крышка
В узле: 1
7
700-32-2198
Штифт
В узле: 2
8
51-09-157
Корпус
В узле: 1
9
9217
Шестерня
В узле: 2
10
9216
Шестерня
В узле: 2
11
51-09-158
Плита
В узле: 1
12
16-09-140
Валик
В узле: 1
13
9476
Ось
В узле: 1
14
700-34-2031
Шпонка
В узле: 1
15
700-32-2195
Штифт
В узле: 1
16
700-34-2021
Шпонка
В узле: 2
17
700-32-2125
Штифт
В узле: 1
18
16-09-146
Шестерня
В узле: 1
19
16-09-145
Шестерня
В узле: 1
20
29-09-60
Корпус
В узле: 1
21
29-09-64
Плита
В узле: 1
22
29-09-63
Корпус
В узле: 1
23
29-09-57
Крышка
В узле: 1
24
700-28-2087СП
Болт
В узле: 2
25
29-09-58
Втулка
В узле: 1
26
700-40-2886
Прокладка
В узле: 1
27
Шайба 10 ОТ 65Г 09
Шайба 10 ОТ 65Г 09
В узле: 2
28
Болт М10х20.58.019
Болт М10х20.58.019
В узле: 2
29
51-09-150СП
Маслоприемник
В узле: 1
30
16-09-147
Прокладка
В узле: 4
31
29-09-117
Фланец
В узле: 1
32
700-31-2087
Шайба стопорная
В узле: 2
33
Болт М6х25.58.019
Болт М6х25.58.019
В узле: 2
34
9205
Клапан
В узле: 1
35
700-38-2191
Пружина
В узле: 1
36
29-09-124СП
Насос масляный
В узле: 1
Содержащиеся в справочниках-каталогах запасные части и детали не предлагаются к продаже, а носят исключительно информационный характер

Ваша заявка была отправлена. В ближайшее время наши специалисты с Вами свяжутся по указанному Вами телефону.

Представьтесь
Поле обязательно для заполнения
Ваш телефон
Введите правильный номер телефона
E-mail
Введите правильный e-mail
Тема
Тема
применяемость финансирование доставка цена, наличие другое сервис и гарантия
Время для звонка
08:00
08:00 09:00 10:00 11:00 12:00 13:00 14:00 15:00 16:00 17:00 18:00 19:00
19:00
08:00 09:00 10:00 11:00 12:00 13:00 14:00 15:00 16:00 17:00 18:00 19:00

Мы постараемся перезвонить в указанное время

Если вы не хотите ждать, то звоните нашим вежливым консультантам:

8 800 100-2-700
Подтвердите, что вы не робот
Подтвердите, что вы не робот
Спасибо!

Ваше сообщение успешно отправлено!

ЗакрытьПовторить попытку