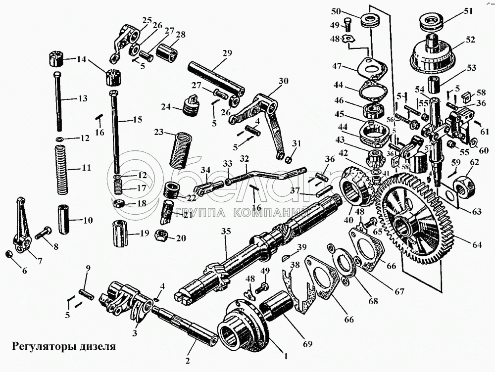
Каталог запасных частей к технике: ЧТЗ Т-170. Регуляторы дизеля

zoom-in zoom-out enlarge shrink circle-right circle-left file-text2 info cart arraw right arraw left zoom out zoom in arraw maximize arraw minimize
1
2
3
4
4
5
5
5
5
5
5
5
6
7
8
9
10
11
12
12
13
14
15
16
16
17
18
19
20
21
22
23
24
25
26
26
27
27
28
29
30
31
32
33
34
35
36
36
36
37
38
39
40
41
42
43
44
44
45
46
47
48
48
48
49
49
50
51
52
53
54
55
55
56
57
58
58
59
60
61
62
64
65
66
66
67
68
69
46
Подшипник 203
Подшипник 203
В узле: 1
Подшипник 203 (6203) (17x40x12) <10 шт. 140.03 р.
06581 СП
Валик
В узле: 1
29-06-101СП
Вал привода
В узле: 1
51-06-101СП
Тяга
В узле: 1
06336СП
Рычаг двуплечий
В узле: 1
16-06-ЗСП
Регуляторы
В узле: 1
51-06-3-01СП
Регулятор дизеля для тракторов Т-170.01
В узле: 1
51-06-1СП
Регулятор дизеля для тракторов Т-170.01
В узле: 1
16-06-5-01СП
Регулятор дизеля
В узле: 1
06367СП
Подшипник
В узле: 1
16-06-106СП
Пружина
В узле: 1
29-06-102СП
Валик
В узле: 1
06584СП
Груз регулятора
В узле: 2
29-06-103СП
Груз регулятора
В узле: 2
6585
Груз регулятора
В узле: 1
06328СП
Муфта
В узле: 1
1
6368
Корпус
В узле: 1
2
6339
Валик
В узле: 1
3
6340
Рычаг трехплечий
В узле: 1
4
341
Шпонка
В узле: 1
5
Шплинт 2х12.019
Шплинт 2х12.019
В узле: 8
6
Гайка М8х1.6.019
Гайка М8х1.6.019
В узле: 1
7
16-06-13-1
Рычаг
В узле: 1
8
2848
Болт
В узле: 1
9
6347
Палец
В узле: 2
10
6353
Упор минимальной подачи
В узле: 1
11
38349
Пружина
В узле: 1
12
31365
Шайба
В узле: 2
13
51-06-128СП
Болт минимальной подачи
В узле: 1
14
6348
Муфта
В узле: 2
15
06375СП
Болт максимальной подачи
В узле: 1
16
700-32-2181
Штифт
В узле: 1
17
38348
Пружина
В узле: 1
18
6350
Колпачок
В узле: 1
19
6351
Упор максимальной подачи
В узле: 1
20
3031-2
Гайка
В узле: 1
21
6346
Наконечник
В узле: 1
22
6345
Наконечник
В узле: 1
23
700-38-2181
Пружина
В узле: 1
24
6592
Наконечник
В узле: 1
25
51-06-2
Рычаг
В узле: 1
26
6334
Ролик
В узле: 2
27
6335
Валик
В узле: 2
28
6332
Втулка
В узле: 1
29
06331-1
Валик регулятора
В узле: 1
30
51-06-1
Рычаг
В узле: 1
31
6338
Втулка
В узле: 1
32
51-06-4
Тяга
В узле: 1
33
Гайка М6.6.019
Гайка М6.6.019
В узле: 2
34
51-06-5
Вилка
В узле: 2
35
51-06-40
Валик привода
В узле: 1
36
6322
Ось
В узле: 1
37
34116
Шпонка
В узле: 1
38
14-06-3
Прокладка
В узле: 1
39
3432
Шпонка
В узле: 1
40
06370-1
Шестерня
В узле: 1
41
30225
Гайка
В узле: 1
42
31363
Шайба
В узле: 1
43
6324
Шестерня
В узле: 1
44
6327
Прокладка
В узле: 7
45
6593
Корпус
В узле: 1
47
6576
Фланец
В узле: 1
48
31366
Шайба
В узле: 3
49
Болт М8х20.58.019
Болт М8х20.58.019
В узле: 10
50
Подшипник 8104
Подшипник 8104
В узле: 1
51
Подшипник 8205
Подшипник 8205
В узле: 1
52
06534-1
Муфта
В узле: 1
53
6330
Втулка
В узле: 1
54
6583
Валик регулятора
В узле: 1
55
6318
Втулка
В узле: 4
56
6323
Ось
В узле: 2
57
29-06-2
Груз регулятора
В узле: 1
58
6321
Сухарь
В узле: 2
59
Шплинт 2х16.019
Шплинт 2х16.019
В узле: 1
60
31386-1
Шайба
В узле: 1
61
32251
Штифт
В узле: 1
62
30227
Гайка
В узле: 1
64
29-06-1
Шестерня
В узле: 1
65
Болт М8х25.88.35.019
Болт М8х25.88.35.019
В узле: 3
66
6363
Плита
В узле: 2
67
6364
Втулка
В узле: 3
68
6615
Шайба
В узле: 1
69
67205
Втулка
В узле: 1
Содержащиеся в справочниках-каталогах запасные части и детали не предлагаются к продаже, а носят исключительно информационный характер

Ваша заявка была отправлена. В ближайшее время наши специалисты с Вами свяжутся по указанному Вами телефону.

Представьтесь
Поле обязательно для заполнения
Ваш телефон
Введите правильный номер телефона
E-mail
Введите правильный e-mail
Тема
Тема
применяемость финансирование доставка цена, наличие другое сервис и гарантия
Время для звонка
08:00
08:00 09:00 10:00 11:00 12:00 13:00 14:00 15:00 16:00 17:00 18:00 19:00
19:00
08:00 09:00 10:00 11:00 12:00 13:00 14:00 15:00 16:00 17:00 18:00 19:00

Мы постараемся перезвонить в указанное время

Если вы не хотите ждать, то звоните нашим вежливым консультантам:

8 800 100-2-700
Подтвердите, что вы не робот
Подтвердите, что вы не робот
Спасибо!

Ваше сообщение успешно отправлено!

ЗакрытьПовторить попытку