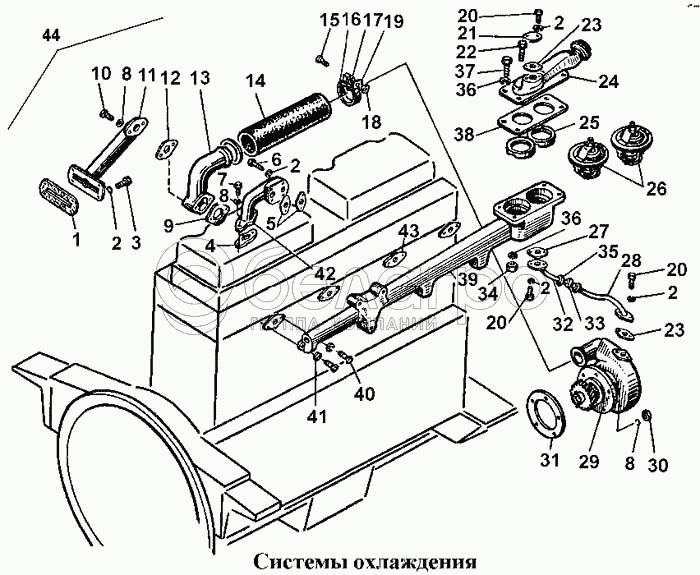
Каталог запасных частей к технике: ЧТЗ Т-170. Системы охлаждения

zoom-in zoom-out enlarge shrink circle-right circle-left file-text2 info cart arraw right arraw left zoom out zoom in arraw maximize arraw minimize
1
2
2
2
2
2
3
4
5
6
7
8
8
8
9
10
11
12
13
14
15
16
17
18
19
20
20
20
21
22
23
23
24
25
26
27
28
29
30
31
32
33
34
35
35
36
36
37
38
39
40
41
42
43
44
44
44
700-41-2230СП
Хомут
В узле: 2
51-08-116СП
Труба
В узле: 1
1
40952
Прокладка
В узле: 3
2
Шайба 8Т 65Г 09
Шайба 8Т 65Г 09
В узле: 18
3
Болт М8х30.58.019
Болт М8х30.58.019
В узле: 4
4
46236
Прокладка
В узле: 3
5
46237
Прокладка
В узле: 4
6
Болт М8х45.58.019
Болт М8х45.58.019
В узле: 4
7
Болт М10х40.58.019
Болт М10х40.58.019
В узле: 2
8
Шайба 10 ОТ 65Г 09
Шайба 10 ОТ 65Г 09
В узле: 14
9
46792
Прокладка
В узле: 2
10
Болт М10х80.58.019
Болт М10х80.58.019
В узле: 2
11
51-08-26
Труба
В узле: 1
12
40285
Прокладка
В узле: 1
13
51-08-19
Труба
В узле: 1
14
42701
Рукав
В узле: 1
15
700-28-2176
Болт
В узле: 2
16
700-41-3334
Лента хомута
В узле: 2
17
37-26-71
Накладка
В узле: 2
18
Гайка М8-6.019
Гайка М8-6.019
В узле: 2
19
700-31-2269
Шайба стопорная
В узле: 2
20
Болт М8х20.58.019
Болт М8х20.58.019
В узле: 4
21
299
Заглушка
В узле: 1
22
Болт М12х1.25х40.58.019
Болт М12х1.25х40.58.019
В узле: 2
23
700-40-2969
Прокладка
В узле: 1
24
51-08-13
Крышка
В узле: 1
25
51-08-28
Кольцо прижимное
В узле: 2
26
Термостат ТС 108-130.6100
Термостат ТС 108-130.6100
В узле: 2
27
40751
Прокладка
В узле: 1
28
16-06-153СП
Труба
В узле: 1
29
16-08-140СП
Насос
В узле: 1
30
700-30-2099
Гайка
В узле: 5
31
700-40-2194
Прокладка
В узле: 1
32
29-08-103СП
Труба
В узле: 1
33
46834
Рукав
В узле: 1
34
3010
Гайка
В узле: 2
35
700-41-2235-10СП
Хомут
В узле: 2
35
700-41-2228-СП
Хомут
В узле: 2
36
Шайба 12 ОТ 65Г 09
Шайба 12 ОТ 65Г 09
В узле: 3
37
700-28-2173
Болт
В узле: 1
38
40919
Прокладка
В узле: 1
39
51-08-27
Труба водоотводная
В узле: 1
40
Болт М10х30.58.019
Болт М10х30.58.019
В узле: 8
41
40839
Кольцо
В узле: 6
42
8598
Труба сливная
В узле: 1
43
40155
Прокладка
В узле: 4
44
51-08-1СП
Система охлаждения дизеля с пусковым двигателем
В узле: 1
44
51-08-1-01СП
Система охлаждения дизеля с электростартерной системой пуска
В узле: 1
44
51-08-3СП
Система охлаждения дизеля с электростартерной системой пуска
В узле: 1
Содержащиеся в справочниках-каталогах запасные части и детали не предлагаются к продаже, а носят исключительно информационный характер

Ваша заявка была отправлена. В ближайшее время наши специалисты с Вами свяжутся по указанному Вами телефону.

Представьтесь
Поле обязательно для заполнения
Ваш телефон
Введите правильный номер телефона
E-mail
Введите правильный e-mail
Тема
Тема
применяемость финансирование доставка цена, наличие другое сервис и гарантия
Время для звонка
08:00
08:00 09:00 10:00 11:00 12:00 13:00 14:00 15:00 16:00 17:00 18:00 19:00
19:00
08:00 09:00 10:00 11:00 12:00 13:00 14:00 15:00 16:00 17:00 18:00 19:00

Мы постараемся перезвонить в указанное время

Если вы не хотите ждать, то звоните нашим вежливым консультантам:

8 800 100-2-700
Подтвердите, что вы не робот
Подтвердите, что вы не робот
Спасибо!

Ваше сообщение успешно отправлено!

ЗакрытьПовторить попытку