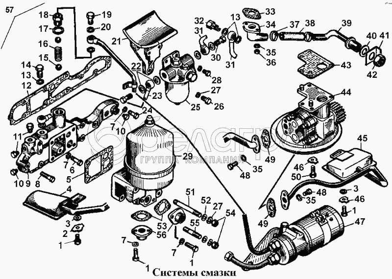
Каталог запасных частей к технике: ЧТЗ Т-170. Системы смазки

zoom-in zoom-out enlarge shrink circle-right circle-left file-text2 info cart arraw right arraw left zoom out zoom in arraw maximize arraw minimize
1
1
1
1
2
3
3
4
5
6
7
7
7
7
8
9
9
10
10
11
12
13
13
14
15
16
17
18
19
20
21
22
23
24
25
26
27
27
28
29
30
31
31
32
33
34
35
35
35
36
37
38
39
40
41
42
43
44
45
46
46
47
48
48
49
49
50
51
52
53
54
55
56
57
57
57
57
57
57
57
57
1
Болт М10х25.58.019
Болт М10х25.58.019
В узле: 6
2
3198
Шайба стопорная (47522116220)
В узле: 1
3
31308
Шайба
В узле: 2
4
51-09-162СП
Маслоприемник
В узле: 1
5
700-40-4746
Прокладка
В узле: 1
6
Болт М10х45.58.019
Болт М10х45.58.019
В узле: 2
7
Шайба 10 ОТ 65Г 09
Шайба 10 ОТ 65Г 09
В узле: 12
8
Болт М10х55.58.019
Болт М10х55.58.019
В узле: 5
9
16-09-135
Плита маслораспределительная
В узле: 1
9
51-09-140
Плита маслораспределительная
В узле: 1
10
375
Пробка
В узле: 2
11
379
Пробка
В узле: 3
12
700-40-6944
Прокладка
В узле: 1
13
Кольцо 14х20
Кольцо 14х20
В узле: 4
14
700-41-2716
Штуцер
В узле: 1
15
Шарик Б 19-200
Шарик Б 19-200
В узле: 2
16
38319
Пружина
В узле: 1
17
261164
Кольцо
В узле: 1
18
51-09-108
Седло клапана
В узле: 1
19
411143
Штуцер
В узле: 1
20
40911
Кольцо
В узле: 2
21
51-09-124
Кронштейн
В узле: 1
22
СМД-1539А
Прокладка СМД-1539А
В узле: 4
23
51-09-187СП
Труба
В узле: 1
24
Болт М10х35.58.019
Болт М10х35.58.019
В узле: 1
25
Фильтр 17К-28С9АУ
Фильтр 17К-28С9АУ
В узле: 1
26
Болт М12х35.58.019
Болт М12х35.58.019
В узле: 3
27
Шайба 12 ОТ 65Г 09
Шайба 12 ОТ 65Г 09
В узле: 7
28
Болт М8х25.88.019
Болт М8х25.88.019
В узле: 2
29
95.000СП
Центрифуга
В узле: 1
30
Д18-051
Болт поворотного угольника
В узле: 2
31
51-09-186СП
Труба
В узле: 1
32
700-41-3364
Переходник
В узле: 1
33
700-40-5650
Прокладка
В узле: 1
34
51-09-129СП
Труба
В узле: 1
35
Шайба 8Т 65 Г 09
Шайба 8Т 65 Г 09
В узле: 8
36
Гайка М8-6.019
Гайка М8-6.019
В узле: 2
37
700-41-2235-10СП
Хомут
В узле: 2
38
46849
Рукав
В узле: 1
39
51-09-130СП
Труба
В узле: 1
40
Кольцо 22х30
Кольцо 22х30
В узле: 2
41
3173
Пластина стопорная
В узле: 1
42
3069
Гайка
В узле: 1
43
700-40-7194
Прокладка
В узле: 1
44
29-09-124СП
Насос масляный
В узле: 1
45
51-09-149СП
Маслоприемник
В узле: 1
46
3137
Шайба
В узле: 5
47
51-09-188СП
Установка маслозакачивающего насоса
В узле: 1
48
Болт М8х20.58.019
Болт М8х20.58.019
В узле: 4
49
40751
Прокладка
В узле: 2
50
Болт М10х30.58.019
Болт М10х30.58.019
В узле: 4
51
700-29-2233
Шпилька
В узле: 3
52
3135
Шайба
В узле: 4
53
700-40-4892
Прокладка
В узле: 2
54
3010
Гайка
В узле: 4
55
700-29-2353
Шпилька
В узле: 1
56
16-09-139
Фланец
В узле: 2
57
51-09-5СП
Система смазки дизеля болотоходного трактора с пусковым двигателем
В узле: 1
57
51-09-8СП
Система смазки дизеля болотоходного трактора с электростартерной системой пуска
В узле: 1
57
51-09-28СП
Система смазки дизеля с пусковым двигателем
В узле: 1
57
51-09-2СП
Система смазки дизеля с пусковым двигателем
В узле: 1
57
51-09-29СП
Система смазки дизеля с пусковым двигателем для болотоходных тракторов
В узле: 1
57
51-09-6СП
Система смазки дизеля с электростартерной системой пуска
В узле: 1
57
51-09-26СП
Система смазки дизеля с электростартерным пуском
В узле: 1
57
51-09-27СП
Система смазки дизеля с электростартерным пуском для болотоходных тракторов
В узле: 1
Содержащиеся в справочниках-каталогах запасные части и детали не предлагаются к продаже, а носят исключительно информационный характер

Ваша заявка была отправлена. В ближайшее время наши специалисты с Вами свяжутся по указанному Вами телефону.

Представьтесь
Поле обязательно для заполнения
Ваш телефон
Введите правильный номер телефона
E-mail
Введите правильный e-mail
Тема
Тема
применяемость финансирование доставка цена, наличие другое сервис и гарантия
Время для звонка
08:00
08:00 09:00 10:00 11:00 12:00 13:00 14:00 15:00 16:00 17:00 18:00 19:00
19:00
08:00 09:00 10:00 11:00 12:00 13:00 14:00 15:00 16:00 17:00 18:00 19:00

Мы постараемся перезвонить в указанное время

Если вы не хотите ждать, то звоните нашим вежливым консультантам:

8 800 100-2-700
Подтвердите, что вы не робот
Подтвердите, что вы не робот
Спасибо!

Ваше сообщение успешно отправлено!

ЗакрытьПовторить попытку