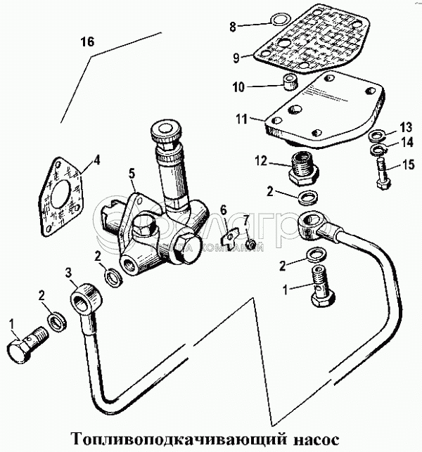
Каталог запасных частей к технике: ЧТЗ Т-170. Топливоподкачивающий насос

zoom-in zoom-out enlarge shrink circle-right circle-left file-text2 info cart arraw right arraw left zoom out zoom in arraw maximize arraw minimize
1
1
2
2
2
2
3
4
5
5
6
7
8
9
10
11
12
13
14
15
16
51-06-102СП
Крышка
В узле: 1
1
700-41-2716
Штуцер
В узле: 2
2
51-06-8
Кольцо
В узле: 4
3
51-41-107СП
Топливопровод
В узле: 1
4
700-40-3323
Прокладка
В узле: 1
5
АВ10М.80.16.085
Насос топливоподкачивающий
В узле: 1
5
АВ10М.80.16.085-10
Насос топливоподкачивающий тропического исполнения
В узле: 1
6
700-31-2087
Шайба стопорная
В узле: 3
7
Гайка М6-6.019
Гайка М6-6.019
В узле: 3
8
40915
Кольцо уплотнительное
В узле: 1
9
40916
Прокладка
В узле: 1
10
51-06-9
Втулка
В узле: 1
11
51-06-7
Крышка
В узле: 1
12
700-41-3395
Штуцер
В узле: 1
13
31308
Шайба
В узле: 4
14
Шайба 10 ОТ 65Г 09
Шайба 10 ОТ 65Г 09
В узле: 4
15
Болт М10х25.58.019
Болт М10х25.58.019
В узле: 4
16
51-71-2СП
Установка топливоподкачивающего насоса
В узле: 1
Содержащиеся в справочниках-каталогах запасные части и детали не предлагаются к продаже, а носят исключительно информационный характер

Ваша заявка была отправлена. В ближайшее время наши специалисты с Вами свяжутся по указанному Вами телефону.

Представьтесь
Поле обязательно для заполнения
Ваш телефон
Введите правильный номер телефона
E-mail
Введите правильный e-mail
Тема
Тема
применяемость финансирование доставка цена, наличие другое сервис и гарантия
Время для звонка
08:00
08:00 09:00 10:00 11:00 12:00 13:00 14:00 15:00 16:00 17:00 18:00 19:00
19:00
08:00 09:00 10:00 11:00 12:00 13:00 14:00 15:00 16:00 17:00 18:00 19:00

Мы постараемся перезвонить в указанное время

Если вы не хотите ждать, то звоните нашим вежливым консультантам:

8 800 100-2-700
Подтвердите, что вы не робот
Подтвердите, что вы не робот
Спасибо!

Ваше сообщение успешно отправлено!

ЗакрытьПовторить попытку