Каталог запасных частей к технике: ЧТЗ Т-170. Управление дизелем с пусковым двигателем

zoom-in zoom-out enlarge shrink circle-right circle-left file-text2 info cart arraw right arraw left zoom out zoom in arraw maximize arraw minimize
1
1
2
3
4
4
4
4
4
5
5
6
6
6
7
8
8
9
9
10
10
10
11
12
13
14
15
16
17
17
18
19
19
19
19
20
21
22
23
24
25
26
27
28
29
30
31
32
32
33
34
35
36
37
38
39
39
40
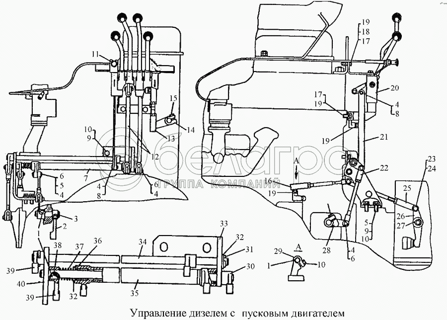
51-74-1 ОСП
Управление дизелем с пусковым двигателем
В узле: 1
1
700-34-2014
Шпонка
В узле: 5
2
51-74-2
Рычаг
В узле: 1
3
51-74-10
Валик
В узле: 1
4
Шплинт 2,5х25
Шплинт 2,5х25
В узле: 10
5
31308
Шайба
В узле: 3
6
700-47-2045
Ось
В узле: 8
7
51-74-130СП
Мостик переходной
В узле: 1
8
700-47-2075
Ось
В узле: 2
9
Шайба 10 ОТ 65Г 09
Шайба 10 ОТ 65Г 09
В узле: 4
10
Болт М10х30.58.019
Болт М10х30.58.019
В узле: 7
11
51-47-220СП
Тяга
В узле: 1
12
51-74-131 СП
Тяга
В узле: 2
13
16-74-196СП
Тяга
В узле: 1
14
16-04-23
Рычаг
В узле: 1
15
Болт М10х30.58.019
Болт М10х30.58.019
В узле: 7
16
16-74-185СП
Тяга
В узле: 1
17
Болт М12х30.58.019
Болт М12х30.58.019
В узле: 4
18
Гайка М12.6.019
Гайка М12.6.019
В узле: 2
19
Шайба 12 ОТ 65Г 09
Шайба 12 ОТ 65Г 09
В узле: 7
20
51-74-208СП
Блок управления дизелем с пусковым двигателем
В узле: 1
21
51-74-46
Тяга
В узле: 1
22
51-74-133СП
Тяга
В узле: 1
23
17317
Палец
В узле: 1
24
Шплинт 3,2х25
Шплинт 3,2х25
В узле: 1
25
50-12-237-СП
Тяга
В узле: 1
26
21-74-1
Рычаг
В узле: 1
27
Шплинт 5х50
Шплинт 5х50
В узле: 1
28
17-74-43
Рычаг
В узле: 1
29
51-74-74
Рычаг
В узле: 1
30
51-74-188СП
Валик
В узле: 1
31
Шплинт 3,2х22
Шплинт 3,2х22
В узле: 1
32
31484
Шайба
В узле: 2
33
51-74-136СП
Кронштейн
В узле: 1
34
51-74-135СП
Валик
В узле: 1
35
51-74-137СП
Валик
В узле: 1
36
700-77-84-01
Сальник
В узле: 2
37
38356
Пружина
В узле: 1
38
Шплинт 3,2х40
Шплинт 3,2х40
В узле: 2
39
51-74-7
Рычаг
В узле: 2
40
51-74-50
Кронштейн
В узле: 1
Содержащиеся в справочниках-каталогах запасные части и детали не предлагаются к продаже, а носят исключительно информационный характер

Ваша заявка была отправлена. В ближайшее время наши специалисты с Вами свяжутся по указанному Вами телефону.

Представьтесь
Поле обязательно для заполнения
Ваш телефон
Введите правильный номер телефона
E-mail
Введите правильный e-mail
Тема
Тема
применяемость финансирование доставка цена, наличие другое сервис и гарантия
Время для звонка
08:00
08:00 09:00 10:00 11:00 12:00 13:00 14:00 15:00 16:00 17:00 18:00 19:00
19:00
08:00 09:00 10:00 11:00 12:00 13:00 14:00 15:00 16:00 17:00 18:00 19:00

Мы постараемся перезвонить в указанное время

Если вы не хотите ждать, то звоните нашим вежливым консультантам:

8 800 100-2-700
Подтвердите, что вы не робот
Подтвердите, что вы не робот
Спасибо!

Ваше сообщение успешно отправлено!

ЗакрытьПовторить попытку