Каталог запасных частей к технике: ЧТЗ Т-170. Управление двигателем

zoom-in zoom-out enlarge shrink circle-right circle-left file-text2 info cart arraw right arraw left zoom out zoom in arraw maximize arraw minimize
1
1
1
1
1
1
1
2
3
3
3
3
3
3
3
3
3
4
5
5
5
5
5
5
5
6
6
6
6
6
6
6
7
7
7
7
7
8
9
10
11
11
11
12
12
12
12
13
14
14
14
14
14
15
15
15
16
16
17
17
18
18
18
19
19
19
20
21
22
22
23
23
24
24
25
26
27
28
29
30
31
32
33
34
35
36
37
37
37
37
38
39
39
40
41
42
43
44
45
46
46
46
47
48
48
49
49
50
50
51
52
53
54
55
56
57
58
59
60
61
62
63
64
65
65
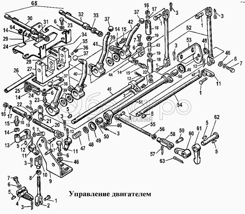
51-74-130СП
Мостик переходной
В узле: 1
51-74-137СП
Валик
В узле: 1
51-74-142СП
Тяга
В узле: 1
51-74-141СП
Тяга
В узле: 1
51-74-133СП
Тяга
В узле: 1
16-74-196СП
Тяга
В узле: 1
24-12-106СП
Тяга
В узле: 1
74107СП
Муфта
В узле: 1
16-74-185СП
Тяга
В узле: 1
1
700-47-2045
Ось
В узле: 8
2
51-74-134СП
Тяга
В узле: 1
3
Шплинт 2,5х25
Шплинт 2,5х25
В узле: 10
4
17-74-43
Рычаг
В узле: 1
5
700-34-2014
Шпонка
В узле: 2
6
Шайба 10 ОТ 65Г 09
Шайба 10 ОТ 65Г 09
В узле: 4
7
Болт М10х0.58.019
Болт М10х0.58.019
В узле: 7
8
Гайка М10-6.019
Гайка М10-6.019
В узле: 1
9
51-74-50
Кронштейн
В узле: 1
10
24-74-98
Вилка
В узле: 1
11
51-74-7
Рычаг
В узле: 2
12
Шплинт 3,2х40
Шплинт 3,2х40
В узле: 3
13
51-74-74
Рычаг
В узле: 1
14
Шайба 12 ОТ 65Г 09
Шайба 12 ОТ 65Г 09
В узле: 6
15
74109
Палец
В узле: 3
16
74157
Пробка
В узле: 3
17
74111
Вкладыш
В узле: 3
18
74156
Корпус
В узле: 3
19
Гайка М12х1,25-6.019
Гайка М12х1,25-6.019
В узле: 1
20
16-74-189СП
Тяга
В узле: 1
21
51-74-46
Тяга
В узле: 1
22
700-47-2075
Ось
В узле: 2
23
Болт М10х20.58.019
Болт М10х20.58.019
В узле: 4
24
Болт М12х30.58.019
Болт М12х30.58.019
В узле: 4
25
51-74-123СП
Кронштейн
В узле: 1
26
700-47-2104
Ось
В узле: 1
27
51-74-38
Кронштейн
В узле: 1
28
Шплинт 4х50
Шплинт 4х50
В узле: 3
29
51-74-129СП
Кронштейн
В узле: 1
30
51-74-146СП
Оболочка
В узле: 1
31
51-74-147СП
Тяга
В узле: 1
32
51-74-143СП
Оболочка
В узле: 1
33
51-74-144СП
Тяга
В узле: 1
34
Шплинт 4х50
Шплинт 4х50
В узле: 3
35
Шарик Б 10-200
Шарик Б 10-200
В узле: 3
36
38506
Пружина
В узле: 1
37
Ручка 409.474.001-03Т
Ручка 409.474.001-03Т
В узле: 4
38
51-74-163СП
Рычаг
В узле: 1
39
18-74-122
Прокладка
В узле: 12
40
51-74-164СП
Рычаг
В узле: 1
41
51-74-162СП
Рычаг
В узле: 1
42
51-74-161СП
Рычаг
В узле: 1
43
700-29-2142
Шпилька
В узле: 1
44
16.04.23
Рычаг
В узле: 1
45
51-74-135СП
Валик
В узле: 1
46
31308
Шайба
В узле: 5
47
38356
Пружина
В узле: 1
48
31484
Шайба
В узле: 2
49
700-77-84-01
Сальник
В узле: 2
50
16-74-98
Втулка
В узле: 2
51
51-74-138СП
Валик
В узле: 1
52
51-74-131СП
Тяга
В узле: 2
53
51-74-136СП
Кронштейн
В узле: 1
54
51-74-188СП
Валик
В узле: 1
55
24.12.06
Тяга
В узле: 1
56
700-30-2099
Гайка
В узле: 1
57
Шплинт 3,2х25
Шплинт 3,2х25
В узле: 1
58
21.12.21
Вилка
В узле: 1
59
17317
Палец
В узле: 1
60
21-74-1
Рычаг
В узле: 1
61
51-74-2
Рычаг
В узле: 1
62
51-74-10
Валик
В узле: 1
63
Шплинт 5х50
Шплинт 5х50
В узле: 1
64
Гайка М12-6.019
Гайка М12-6.019
В узле: 2
65
51-74-128СП
Блок управления
В узле: 1
65
51-74-3СП
Управление двигателем
В узле: 1
Содержащиеся в справочниках-каталогах запасные части и детали не предлагаются к продаже, а носят исключительно информационный характер

Ваша заявка была отправлена. В ближайшее время наши специалисты с Вами свяжутся по указанному Вами телефону.

Представьтесь
Поле обязательно для заполнения
Ваш телефон
Введите правильный номер телефона
E-mail
Введите правильный e-mail
Тема
Тема
применяемость финансирование доставка цена, наличие другое сервис и гарантия
Время для звонка
08:00
08:00 09:00 10:00 11:00 12:00 13:00 14:00 15:00 16:00 17:00 18:00 19:00
19:00
08:00 09:00 10:00 11:00 12:00 13:00 14:00 15:00 16:00 17:00 18:00 19:00

Мы постараемся перезвонить в указанное время

Если вы не хотите ждать, то звоните нашим вежливым консультантам:

8 800 100-2-700
Подтвердите, что вы не робот
Подтвердите, что вы не робот
Спасибо!

Ваше сообщение успешно отправлено!

ЗакрытьПовторить попытку