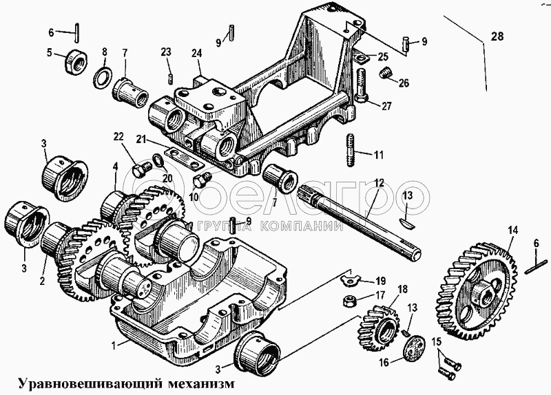
Каталог запасных частей к технике: ЧТЗ Т-170. Уравновешивающий механизм

zoom-in zoom-out enlarge shrink circle-right circle-left file-text2 info cart arraw right arraw left zoom out zoom in arraw maximize arraw minimize
1
2
3
3
3
4
5
6
6
7
7
8
9
9
9
10
11
12
13
13
14
15
16
17
18
19
20
21
22
23
24
25
26
27
28
51-66-103СП
Корпус
В узле: 1
51-66-104СП
Корпус
В узле: 1
51-66-106СП
Валик в сборе с шестерней
В узле: 1
1
51-66-2
Поддон
В узле: 1
2
51-66-26
Противовес
В узле: 1
3
51-66-3
Втулка
В узле: 4
4
51-66-27
Противовес
В узле: 1
5
700-30-2339
Гайка
В узле: 1
6
700-32-2186-01
Штифт
В узле: 1
7
51-66-19
Втулка
В узле: 2
8
51-66-30
Кольцо
В узле: 1
9
700-32-2198
Штифт
В узле: 2
10
375-1
Пробка
В узле: 4
11
700-29-2353
Шпилька
В узле: 8
12
51-66-22
Валик промежуточный
В узле: 1
13
700-34-2051
Шпонка
В узле: 1
14
51-66-23
Шестерня
В узле: 1
15
28473
Болт
В узле: 2
16
51-66-12
Шайба
В узле: 1
17
Гайка М12х1,25.6.019
Гайка М12х1,25.6.019
В узле: 8
18
51-66-11
Шестерня
В узле: 1
19
700-31-2337
Шайба
В узле: 8
20
51-06-8
Кольцо
В узле: 1
21
700-31-2527
Пластина
В узле: 1
22
37151
Пробка
В узле: 1
23
700-32-2195
Штифт
В узле: 2
24
51-66-16
Корпус
В узле: 1
25
700-31-2546
Пластина
В узле: 1
26
37102
Пробка
В узле: 2
27
28639
Болт
В узле: 4
28
51-66-1СП
Уравновешивающий механизм
В узле: 1
Содержащиеся в справочниках-каталогах запасные части и детали не предлагаются к продаже, а носят исключительно информационный характер

Ваша заявка была отправлена. В ближайшее время наши специалисты с Вами свяжутся по указанному Вами телефону.

Представьтесь
Поле обязательно для заполнения
Ваш телефон
Введите правильный номер телефона
E-mail
Введите правильный e-mail
Тема
Тема
применяемость финансирование доставка цена, наличие другое сервис и гарантия
Время для звонка
08:00
08:00 09:00 10:00 11:00 12:00 13:00 14:00 15:00 16:00 17:00 18:00 19:00
19:00
08:00 09:00 10:00 11:00 12:00 13:00 14:00 15:00 16:00 17:00 18:00 19:00

Мы постараемся перезвонить в указанное время

Если вы не хотите ждать, то звоните нашим вежливым консультантам:

8 800 100-2-700
Подтвердите, что вы не робот
Подтвердите, что вы не робот
Спасибо!

Ваше сообщение успешно отправлено!

ЗакрытьПовторить попытку