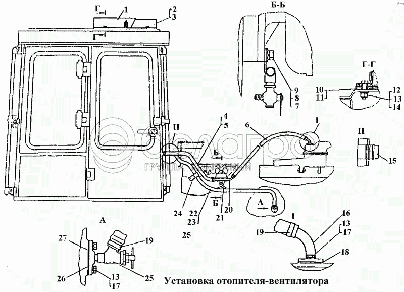
Каталог запасных частей к технике: ЧТЗ Т-170. Установка отопителя-вентилятора

zoom-in zoom-out enlarge shrink circle-right circle-left file-text2 info cart arraw right arraw left zoom out zoom in arraw maximize arraw minimize
1
2
3
4
5
6
7
8
9
10
11
12
13
13
13
14
15
16
17
17
18
19
19
20
21
22
23
24
25
25
26
27
50-47-12-01СП
Установка отопителя-вентилятора на тракторы для тропиков
В узле: 1
50-47-12-02СП
Установка отопителя-вентилятора на тракторы трубоукладочных моделей
В узле: 1
50-47-12СП
Установка отопителя-вентилятора
В узле: 1
1
50-47-161СП
Чехол
В узле: 1
2
50-47-140СП
Отопитель-вентилятор
В узле: 1
3
50-47-140-01СП
Отопитель-вентилятор для тропиков
В узле: 1
4
700-46-2123-10
Рукав
В узле: 1
5
700-46-2123-11
Рукав
В узле: 1
6
700-46-2123-04
Рукав
В узле: 1
7
Болт М12х40.58.019
Болт М12х40.58.019
В узле: 1
8
Шайба 12 ОТ 65Г 09
Шайба 12 ОТ 65Г 09
В узле: 1
9
3135
Шайба
В узле: 1
10
700-40-8354
Уплотнение
В узле: 4
11
700-40-8355
Уплотнение
В узле: 4
12
Гайка М8.6.019
Гайка М8.6.019
В узле: 13
13
Шайба 8Т 65Г 09
Шайба 8Т 65Г 09
В узле: 17
14
31386-1
Шайба
В узле: 13
15
700-42-2215
Пробка
В узле: 2
16
50-47-111-СП
Патрубок
В узле: 1
17
Болт М8х20.58.019
Болт М8х20.58.019
В узле: 4
18
700-40-2969
Прокладка
В узле: 1
19
700-41-2235-06СП
Хомут
В узле: 6
20
50-47-137СП
Патрубок
В узле: 1
21
45 9930 0015
Кран ПС7-2
В узле: 1
22
700-46-2123-06
Рукав
В узле: 1
23
700-46-2123-09
Рукав
В узле: 1
24
261115
Хомут
В узле: 1
25
Кран ВС-11
Кран ВС-11
В узле: 1
26
50-47-31
Фланец
В узле: 1
27
40984
Прокладка
В узле: 1
Содержащиеся в справочниках-каталогах запасные части и детали не предлагаются к продаже, а носят исключительно информационный характер

Ваша заявка была отправлена. В ближайшее время наши специалисты с Вами свяжутся по указанному Вами телефону.

Представьтесь
Поле обязательно для заполнения
Ваш телефон
Введите правильный номер телефона
E-mail
Введите правильный e-mail
Тема
Тема
применяемость финансирование доставка цена, наличие другое сервис и гарантия
Время для звонка
08:00
08:00 09:00 10:00 11:00 12:00 13:00 14:00 15:00 16:00 17:00 18:00 19:00
19:00
08:00 09:00 10:00 11:00 12:00 13:00 14:00 15:00 16:00 17:00 18:00 19:00

Мы постараемся перезвонить в указанное время

Если вы не хотите ждать, то звоните нашим вежливым консультантам:

8 800 100-2-700
Подтвердите, что вы не робот
Подтвердите, что вы не робот
Спасибо!

Ваше сообщение успешно отправлено!

ЗакрытьПовторить попытку