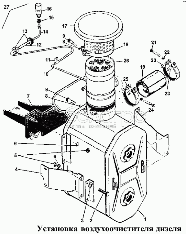
Каталог запасных частей к технике: ЧТЗ Т-170. Установка воздухоочистителя дизеля

zoom-in zoom-out enlarge shrink circle-right circle-left file-text2 info cart arraw right arraw left zoom out zoom in arraw maximize arraw minimize
1
2
3
4
5
6
6
7
8
8
9
9
10
11
12
13
14
15
16
17
18
19
20
21
22
23
24
25
26
27
27
27
51-05-146СП
Установка сигнализатора
В узле: 1
51-05-113СП
Болт стяжной
В узле: 2
51-05-115СП
Хомут
В узле: 2
1
51-05-215СП
Воздухоочиститель
В узле: 1
2
Болт М12х30.58.019
Болт М12х30.58.019
В узле: 4
3
3135-1
Шайба
В узле: 4
4
51-05-6-01
Кронштейн
В узле: 1
5
Гайка М12-6.019
Гайка М12-6.019
В узле: 8
6
Шайба 12ОТ 65Г 09
Шайба 12ОТ 65Г 09
В узле: 8
7
51-05-106СП
Кронштейн
В узле: 1
8
31308-1
Шайба
В узле: 2
9
700-28-2376
Болт
В узле: 2
10
51-05-190СП
Трубка
В узле: 1
11
41638
Хомутик
В узле: 1
12
700-40-7117
Трубка
В узле: 1
13
700-40-4995-1
Втулка
В узле: 2
14
51-05-324СП
Трубка
В узле: 1
15
Гайка М12х1,25-6.019
Гайка М12х1,25-6.019
В узле: 1
16
Сигнализатор засоренности воздухоочистит
Сигнализатор засоренности воздухоочистителя ОР-9928-1
В узле: 1
17
51-05-205СП
Воздухозаборник
В узле: 1
18
51-05-322-01СП
Хомут
В узле: 1
19
700-40-3484
Рукав
В узле: 1
20
51-05-39
Серьга
В узле: 2
21
700-28-2377
Болт
В узле: 2
22
51-05-35
Втулка
В узле: 2
23
51-05-38
Серьга
В узле: 2
24
51-05-5
Кронштейн
В узле: 1
25
51-05-114СП
Лента
В узле: 2
26
51-05-216СП
Мультициклон
В узле: 1
27
51-05-225СП
Воздухоочиститель
В узле: 1
27
51-05-16СП
Установка воздухоочистителя и коллекторов
В узле: 1
27
51-05-7СП
Установка воздухоочистителя и коллекторов для дизеля с электростартерной системой пуска
В узле: 1
Содержащиеся в справочниках-каталогах запасные части и детали не предлагаются к продаже, а носят исключительно информационный характер

Ваша заявка была отправлена. В ближайшее время наши специалисты с Вами свяжутся по указанному Вами телефону.

Представьтесь
Поле обязательно для заполнения
Ваш телефон
Введите правильный номер телефона
E-mail
Введите правильный e-mail
Тема
Тема
применяемость финансирование доставка цена, наличие другое сервис и гарантия
Время для звонка
08:00
08:00 09:00 10:00 11:00 12:00 13:00 14:00 15:00 16:00 17:00 18:00 19:00
19:00
08:00 09:00 10:00 11:00 12:00 13:00 14:00 15:00 16:00 17:00 18:00 19:00

Мы постараемся перезвонить в указанное время

Если вы не хотите ждать, то звоните нашим вежливым консультантам:

8 800 100-2-700
Подтвердите, что вы не робот
Подтвердите, что вы не робот
Спасибо!

Ваше сообщение успешно отправлено!

ЗакрытьПовторить попытку