Каталог запасных частей к технике: ЧТЗ Т-170. Установка воздухоочистителя пускового двигателя

zoom-in zoom-out enlarge shrink circle-right circle-left file-text2 info cart arraw right arraw left zoom out zoom in arraw maximize arraw minimize
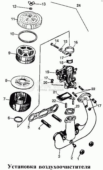
1
2
3
4
5
6
7
8
9
10
11
12
13
14
15
16
17
17
17
18
19
19
20
20
21
22
22
23
24
24
18-26-320СП
Хомут
В узле: 1
1
3036
Гайка
В узле: 2
2
17-05-180СП
Фильтр
В узле: 1
3
17-05-1
Коллектор
В узле: 1
4
2996
Шпилька
В узле: 2
5
700-40-2049
Прокладка
В узле: 1
6
Кольцо 042-050-46-2-2
Кольцо 042-050-46-2-2
В узле: 1
7
17-05-175СП
Поддон
В узле: 1
8
17-05-134
Маслоотражатель
В узле: 1
9
17-05-176СП
Кассета
В узле: 1
10
40796
Кольцо
В узле: 1
11
17-05-149
Крышка
В узле: 1
12
31386-1
Шайба
В узле: 1
13
05573-1
Гайка
В узле: 1
14
700-28-2176
Болт
В узле: 1
15
700-31-2269
Шайба стопорная
В узле: 1
16
18-26-468
Лента
В узле: 1
17
Гайка М8-6.019
Гайка М8-6.019
В узле: 2
18
700-41-3331
Накладка
В узле: 1
19
Карбюратор К125Л
Карбюратор К125Л
В узле: 1
19
Карбюратор К125ЛТ
Карбюратор К125ЛТ
В узле: 1
20
Шайба 8Т 65Г 09
Шайба 8Т 65Г 09
В узле: 4
21
17-05-155СП
Щиток
В узле: 1
22
Шпилька М8
Шпилька М8
В узле: 2
23
46160
Прокладка
В узле: 1
24
17-05-174СП
Воздухоочиститель
В узле: 1
24
17-05-17СП
Установка воздухоочистителя
В узле: 1
Содержащиеся в справочниках-каталогах запасные части и детали не предлагаются к продаже, а носят исключительно информационный характер

Ваша заявка была отправлена. В ближайшее время наши специалисты с Вами свяжутся по указанному Вами телефону.

Представьтесь
Поле обязательно для заполнения
Ваш телефон
Введите правильный номер телефона
E-mail
Введите правильный e-mail
Тема
Тема
применяемость финансирование доставка цена, наличие другое сервис и гарантия
Время для звонка
08:00
08:00 09:00 10:00 11:00 12:00 13:00 14:00 15:00 16:00 17:00 18:00 19:00
19:00
08:00 09:00 10:00 11:00 12:00 13:00 14:00 15:00 16:00 17:00 18:00 19:00

Мы постараемся перезвонить в указанное время

Если вы не хотите ждать, то звоните нашим вежливым консультантам:

8 800 100-2-700
Подтвердите, что вы не робот
Подтвердите, что вы не робот
Спасибо!

Ваше сообщение успешно отправлено!

ЗакрытьПовторить попытку