Каталог запасных частей к технике: ЧТЗ Т-170М-01. Блок-картер пускового двигателя

zoom-in zoom-out enlarge shrink circle-right circle-left file-text2 info cart arraw right arraw left zoom out zoom in arraw maximize arraw minimize
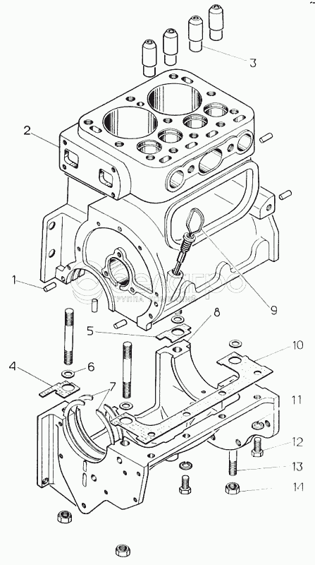
1
1
17-01-168СП
Корпус
В узле: 1
17-01-10СП
Блок
В узле: 1
01265СП
Сапун
В узле: 1
1
Болт М10х30.58.019
Болт М10х30.58.019
В узле: 10
1
700-32-2196
Штифт
В узле: 5
2
17-01-109
Блок цилиндров
В узле: 1
2
Шайба 10 ОТ 65Г 09
Шайба 10 ОТ 65Г 09
В узле: 11
3
4207
Болт
В узле: 1
3
4207
Болт
В узле: 1
3
1504
Втулка клапана
В узле: 4
4
371-01
Пробка
В узле: 2
4
40302
Прокладка
В узле: 1
5
17-01-164СП
Блок-картер
В узле: 1
5
40303
Прокладка
В узле: 1
6
Болт М10х25.58.019
Болт М10х25.58.019
В узле: 4
6
1207
Шайба
В узле: 4
7
50-12-538
Кольцо
В узле: 2
7
40866
Прокладка
В узле: 1
8
17-01-110
Поддон
В узле: 1
8
700-40-3163
Прокладка
В узле: 1
9
17-01-162СП
Линейка масломерная
В узле: 1
9
40251СП
Сальник
В узле: 1
10
40304
Прокладка
В узле: 1
10
Шайба 6Т 65Г 09
Шайба 6Т 65Г 09
В узле: 1
10
Шайба 6Т 65Г 09
Шайба 6Т 65Г 09
В узле: 11
11
Болт М6х45.58.019
Болт М6х45.58.019
В узле: 6
11
Шайба 10 ОТ 65Г 09
Шайба 10 ОТ 65Г 09
В узле: 4
12
Болт М10х 25.58.019
Болт М10х 25.58.019
В узле: 4
12
700-32-2196
Штифт
В узле: 2
13
17-01-106
Опора
В узле: 1
13
29466-01
Шпилька
В узле: 4
14
Болт М10х22.58.019
Болт М10х22.58.019
В узле: 7
14
3082
Гайка
В узле: 4
15
Шайба 8Т 65Г 09
Шайба 8Т 65Г 09
В узле: 4
16
Болт М8х90.58.019
Болт М8х90.58.019
В узле: 1
17
Болт М8х25.88.35.019
Болт М8х25.88.35.019
В узле: 3
18
29363
Шпилька
В узле: 3
19
17-01-100
Кронштейн
В узле: 1
20
700-40-6966
Прокладка
В узле: 1
21
10568
Валик
В узле: 1
22
34126
Шпонка
В узле: 2
23
17-01-114
Корпус распределительных шестерен
В узле: 1
24
Болт М6х60.58.019
Болт М6х60.58.019
В узле: 4
25
1514
Втулка
В узле: 2
26
10497
Шестерня
В узле: 1
27
01201СП
Корпус сапуна
В узле: 1
28
Набивка
Набивка
В узле: 1
29
1200
Крышка
В узле: 1
30
Гайка М6.6.019
Гайка М6.6.019
В узле: 1
31
2997
Шпилька
В узле: 11
32
700-40-7399СП
Прокладка
В узле: 1
33
02240-01
Головка цилиндров
В узле: 1
34
3010
Гайка
В узле: 9
35
30209
Гайка
В узле: 2
36
1510
Крышка заднего люка блока
В узле: 1
37
40863
Прокладка
В узле: 1
38
1196
Заглушка
В узле: 1
39
2994
Шпилька
В узле: 2
40
40225
Прокладка
В узле: 1
41
1187
Крышка люка
В узле: 1
42
700-40-7058
Прокладка
В узле: 2
43
31308
Шайба
В узле: 2
43
31308
Шайба
В узле: 2
44
Гайка М10.6.019
Гайка М10.6.019
В узле: 2
45
17-01-162СП
Линейка масломерная
В узле: 1
46
28466
Болт
В узле: 1
Содержащиеся в справочниках-каталогах запасные части и детали не предлагаются к продаже, а носят исключительно информационный характер

Ваша заявка была отправлена. В ближайшее время наши специалисты с Вами свяжутся по указанному Вами телефону.

Представьтесь
Поле обязательно для заполнения
Ваш телефон
Введите правильный номер телефона
E-mail
Введите правильный e-mail
Тема
Тема
применяемость финансирование доставка цена, наличие другое сервис и гарантия
Время для звонка
08:00
08:00 09:00 10:00 11:00 12:00 13:00 14:00 15:00 16:00 17:00 18:00 19:00
19:00
08:00 09:00 10:00 11:00 12:00 13:00 14:00 15:00 16:00 17:00 18:00 19:00

Мы постараемся перезвонить в указанное время

Если вы не хотите ждать, то звоните нашим вежливым консультантам:

8 800 100-2-700
Подтвердите, что вы не робот
Подтвердите, что вы не робот
Спасибо!

Ваше сообщение успешно отправлено!

ЗакрытьПовторить попытку