Каталог запасных частей к технике: ЧТЗ Т-170М-01. Механизм навески

zoom-in zoom-out enlarge shrink circle-right circle-left file-text2 info cart arraw right arraw left zoom out zoom in arraw maximize arraw minimize
1
1
2
3
4
5
6
7
7
7
8
8
9
10
11
11
12
12
12
12
12
13
13
13
13
14
14
14
14
15
15
16
16
16
16
17
18
19
19
20
20
21
21
21
21
22
23
24
24
25
26
26
27
27
28
29
30
31
32
33
33
34
34
34
35
36
36
36
37
38
39
40
41
41
42
43
44
45
46
46
47
48
49
50
50
51
52
53
54
54
55
56
57
57
58
59
60
61
62
62
63
63
63
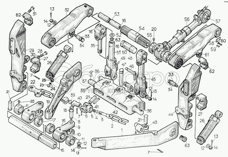
266-СП
Механизм навески
В узле: 1
261406-СП
Вилка
В узле: 2
261535-СП
Цепь
В узле: 1
266-СП
Механизм навески
В узле: 1
40-26-126-СП
Устройство прицепное
В узле: 1
1
261402-СП
Тяга продольная левая
В узле: 1
1
261402-СП
Тяга продольная левая
В узле: 1
2
40-26-130-СП
Цепь
В узле: 1
3
261451
Обойма
В узле: 1
4
46838
Кольцо СП 83-50-10
В узле: 1
5
261524
Вилка
В узле: 1
6
Шплинт 3,2х32
Шплинт 3,2х32
В узле: 1
7
Шплинт 8х80
Шплинт 8х80
В узле: 1
8
50-26-1103
Палец
В узле: 2
8
50-26-1103
Палец
В узле: 2
9
261466
Вилка
В узле: 2
10
261598
Втулка
В узле: 1
11
261430
Проставка
В узле: 2
12
3177-01
Шайба
В узле: 8
12
3177
Шайба
В узле: 8
13
Шплинт 5х70
Шплинт 5х70
В узле: 8
14
700-30-2323
Гайка
В узле: 8
15
261418
Ось нижняя
В узле: 1
15
261418
Ось нижняя
В узле: 1
16
Масленка 1.3.Ц6
Масленка 1.3.Ц6
В узле: 2
17
261431
Проставка
В узле: 2
18
700-58-2432
Кольцо
В узле: 2
19
261401-СП
Тяга продольная правая
В узле: 1
19
261401-СП
Тяга продольная правая
В узле: 1
20
35286
Винт
В узле: 8
21
261533-01
Палец
В узле: 1
21
261533-01
Палец
В узле: 1
22
40-26-129-СП
Цепь
В узле: 1
23
40-26-90
Колпачок
В узле: 2
24
700-40-2395
Прокладка
В узле: 2
24
700-40-2395
Прокладка
В узле: 2
25
700-41-3568
Штуцер
В узле: 2
26
50-26-267СП
Гидроцилиндр
В узле: 2
27
261422
Бугель нижний
В узле: 2
28
28622
Болт
В узле: 8
29
40-26-58
Кронштейн
В узле: 1
30
Шайба 24Т 65Г 09
Шайба 24Т 65Г 09
В узле: 16
31
28621
Болт
В узле: 8
32
40-26-144-СП
Рычаг
В узле: 1
33
700-58-2431
Кольцо
В узле: 6
34
50-26-1102
Палец
В узле: 6
34
50-26-1102
Палец
В узле: 6
35
40-26-120-СП
Винт
В узле: 1
36
261464
Палец
В узле: 2
36
261464
Палец
В узле: 2
37
50-26-1111
Палец
В узле: 2
38
Шплинт 5х40
Шплинт 5х40
В узле: 2
39
18-17-9
Заглушка
В узле: 1
40
261532
Гайка
В узле: 1
41
261525
Палец
В узле: 1
41
261525
Палец
В узле: 1
42
40-26-127-СП
Площадка
В узле: 1
43
261449
Звено соединительное
В узле: 2
44
40-26-57
Кронштейн
В узле: 1
45
261403-СП
Раскос
В узле: 2
46
261432-СП
Палец
В узле: 1
46
261432-СП
Палец
В узле: 1
47
20348
Штырь серьги
В узле: 1
48
700-58-2444
Кольцо
В узле: 2
49
700-58-2434
Кольцо
В узле: 2
50
50-26-1101
Палец
В узле: 2
50
50-26-1101
Палец
В узле: 2
51
40-26-121-СП
Вилка
В узле: 1
52
261438
Обойма
В узле: 1
53
40-26-61
Ось верхняя
В узле: 1
54
40-26-145-СП
Вал
В узле: 1
54
40-26-145-СП
Вал
В узле: 1
55
261415
Проставка
В узле: 2
56
261400-СП
Тяга центральная
В узле: 1
57
261409-СП
Палец
В узле: 1
57
261409-СП
Палец
В узле: 1
58
261426
Планка
В узле: 2
59
Болт М12х25.58.019
Болт М12х25.58.019
В узле: 4
60
Шайба 12 ОТ 65Г 09
Шайба 12 ОТ 65Г 09
В узле: 4
61
40-26-63
Рычаг
В узле: 1
62
261421
Бугель верхний
В узле: 2
63
50-26-1110
Втулка
В узле: 2
63
46839
Кольцо СП-83-50-10
В узле: 1
Содержащиеся в справочниках-каталогах запасные части и детали не предлагаются к продаже, а носят исключительно информационный характер

Ваша заявка была отправлена. В ближайшее время наши специалисты с Вами свяжутся по указанному Вами телефону.

Представьтесь
Поле обязательно для заполнения
Ваш телефон
Введите правильный номер телефона
E-mail
Введите правильный e-mail
Тема
Тема
применяемость финансирование доставка цена, наличие другое сервис и гарантия
Время для звонка
08:00
08:00 09:00 10:00 11:00 12:00 13:00 14:00 15:00 16:00 17:00 18:00 19:00
19:00
08:00 09:00 10:00 11:00 12:00 13:00 14:00 15:00 16:00 17:00 18:00 19:00

Мы постараемся перезвонить в указанное время

Если вы не хотите ждать, то звоните нашим вежливым консультантам:

8 800 100-2-700
Подтвердите, что вы не робот
Подтвердите, что вы не робот
Спасибо!

Ваше сообщение успешно отправлено!

ЗакрытьПовторить попытку