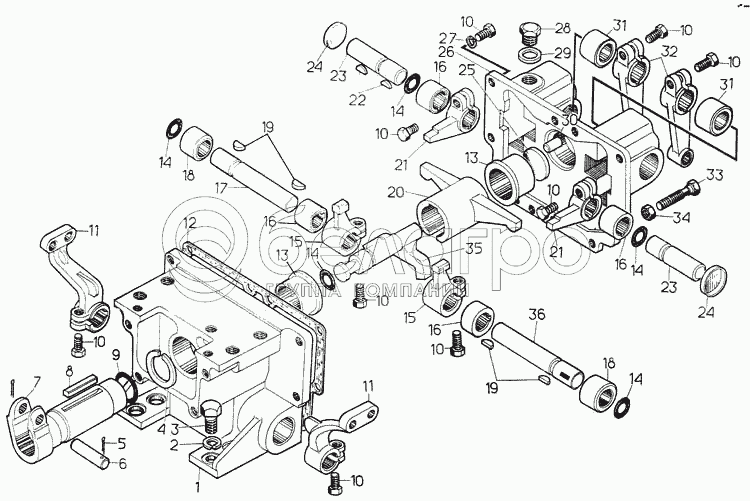
Каталог запасных частей к технике: ЧТЗ Т-170М-01. Механизм управления поворотом

zoom-in zoom-out enlarge shrink circle-right circle-left file-text2 info cart arraw right arraw left zoom out zoom in arraw maximize arraw minimize
1
2
3
4
5
6
7
8
9
10
10
10
10
10
10
10
10
10
10
11
11
12
13
13
14
14
14
14
14
15
15
16
16
16
16
17
18
18
19
19
20
21
21
22
23
23
24
24
25
26
27
28
29
30
31
31
32
33
34
35
36
24-13-102-СП
Корпус
В узле: 1
24-13-103-СП
Корпус
В узле: 1
50-13-5СП
Механизм управления поворотом
В узле: 1
24-13-104-СП
Крышка
В узле: 1
1
24-13-3
Корпус
В узле: 1
2
Шайба 16 ОТ 65Г 09
Шайба 16 ОТ 65Г 09
В узле: 4
3
28431
Болт
В узле: 4
4
18-17-87
Кольцо
В узле: 1
5
Шплинт 2,5х25
Шплинт 2,5х25
В узле: 2
6
35-13-30
Палец
В узле: 1
7
24-13-105-СП
Валик
В узле: 1
8
700-34-2048
Шпонка
В узле: 1
9
Кольцо 038-046-46-2-2
Кольцо 038-046-46-2-2
В узле: 1
10
Болт М10х25.58.019
Болт М10х25.58.019
В узле: 8
10
Болт М10х25.58.019
Болт М10х25.58.019
В узле: 6
11
50-13-29
Рычаг
В узле: 2
12
700-40-3114
Прокладка
В узле: 1
13
35-13-16-1
Втулка
В узле: 2
14
Кольцо 020-025-30-2-2
Кольцо 020-025-30-2-2
В узле: 5
15
50-13-2
Рычаг
В узле: 2
16
50-15-22
Втулка
В узле: 2
17
24-13-21
Валик
В узле: 1
18
50-13-56
Втулка
В узле: 2
19
34128
Шпонка
В узле: 4
20
35-13-9
Рычаг
В узле: 1
21
35-13-11-1
Рычаг
В узле: 2
22
700-34-2040
Шпонка
В узле: 4
23
24-13-18
Валик
В узле: 2
24
13410
Заглушка
В узле: 2
25
18-17-9
Заглушка
В узле: 1
26
24-13-4
Крышка
В узле: 1
27
Шайба 10 ОТ 65Г 09
Шайба 10 ОТ 65Г 09
В узле: 6
28
2621
Пробка
В узле: 1
29
700-40-7114
Прокладка
В узле: 1
30
700-32-2198
Штифт
В узле: 2
31
50-13-25
Втулка
В узле: 2
32
18-17-29-1
Рычаг
В узле: 2
33
700-28-2381
Болт
В узле: 2
34
Гайка М10.6.019
Гайка М10.6.019
В узле: 2
35
50-13-101-СП
Рычаг
В узле: 1
36
24-13-20
Валик
В узле: 1
Содержащиеся в справочниках-каталогах запасные части и детали не предлагаются к продаже, а носят исключительно информационный характер

Ваша заявка была отправлена. В ближайшее время наши специалисты с Вами свяжутся по указанному Вами телефону.

Представьтесь
Поле обязательно для заполнения
Ваш телефон
Введите правильный номер телефона
E-mail
Введите правильный e-mail
Тема
Тема
применяемость финансирование доставка цена, наличие другое сервис и гарантия
Время для звонка
08:00
08:00 09:00 10:00 11:00 12:00 13:00 14:00 15:00 16:00 17:00 18:00 19:00
19:00
08:00 09:00 10:00 11:00 12:00 13:00 14:00 15:00 16:00 17:00 18:00 19:00

Мы постараемся перезвонить в указанное время

Если вы не хотите ждать, то звоните нашим вежливым консультантам:

8 800 100-2-700
Подтвердите, что вы не робот
Подтвердите, что вы не робот
Спасибо!

Ваше сообщение успешно отправлено!

ЗакрытьПовторить попытку