Каталог запасных частей к технике: ЧТЗ Т-170М-01. Редуктор пускового двигателя

zoom-in zoom-out enlarge shrink circle-right circle-left file-text2 info cart arraw right arraw left zoom out zoom in arraw maximize arraw minimize
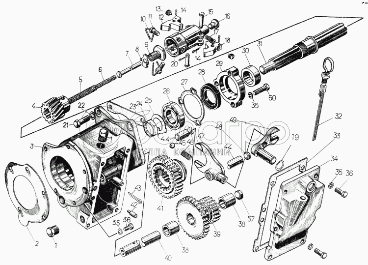
1
2
3
4
5
6
7
8
9
10
11
12
13
14
14
15
16
17
17
18
19
20
21
22
23
24
25
26
27
28
29
30
31
32
33
34
35
35
35
36
36
37
38
38
39
40
41
42
43
44
44
45
46
47
48
49
50
72118СП
Муфта механизма включения
В узле: 1
76106СП
Вал редуктора
В узле: 1
7612СП
Шестерня
В узле: 1
17-76-8СП
Редуктор
В узле: 1
17-76-10СП
Редуктор пускового двигателя
В узле: 1
1
700-37-2025
Пробка
В узле: 2
2
700-40-2368
Прокладка
В узле: 1
3
17-76-13-1
Корпус
В узле: 1
4
17-76-22
Шестерня
В узле: 1
5
38342
Пружина
В узле: 1
6
38343
Пружина
В узле: 1
7
72101
Толкатель муфты
В узле: 1
8
31106
Шайба
В узле: 1
9
7213
Направляющая толкателя
В узле: 1
10
42216
Проволока контроля
В узле: 2
11
Болт СМД 8-1994 (М8-6gх12)
Болт СМД 8-1994 (М8-6gх12)
В узле: 4
12
72106
Защелка муфты
В узле: 1
13
72107
Винт
В узле: 2
14
Шплинт 3.2х20
Шплинт 3.2х20
В узле: 4
15
72119
Ось защелки
В узле: 2
16
72117
Пятка муфты
В узле: 1
17
38344
Пружина защелки
В узле: 1
17
38344
Пружина защелки
В узле: 1
18
72105
Защелка муфты
В узле: 1
19
Кольцо 016-020-25-2-2
Кольцо 016-020-25-2-2
В узле: 1
20
72116
Муфта механизма включения
В узле: 1
21
2816
Болт
В узле: 2
22
Шайба 12 ОТ 65Г 09
Шайба 12 ОТ 65Г 09
В узле: 2
23
700-40-2212
Прокладка
В узле: 6
24
700-30-2305
Гайка
В узле: 1
25
700-31-2566
Шайба
В узле: 1
26
Подшипник 208К
Подшипник 208К
В узле: 1
27
40960
Прокладка
В узле: 1
28
40263СП
Сальник
В узле: 1
29
76105
Крышка сальника
В узле: 1
30
726-1
Втулка
В узле: 1
31
76107
Вал
В узле: 1
32
17-01-162СП
Линейка масломерная
В узле: 1
33
700-40-4482
Прокладка
В узле: 1
34
17-76-32
Крышка
В узле: 1
35
Шайба 10 ОТ 65Г 09
Шайба 10 ОТ 65Г 09
В узле: 9
36
Болт М10х25.58.019
Болт М10х25.58.019
В узле: 5
37
52
Заглушка
В узле: 1
38
766-1
Втулка
В узле: 2
39
765
Шестерня
В узле: 1
40
17-76-3-1
Ось
В узле: 1
41
764
Шестерня
В узле: 1
42
700-32-2014
Штифт
В узле: 1
43
Шплинт 5х50
Шплинт 5х50
В узле: 1
44
17-76-7-1
Вал вилки
В узле: 1
45
Шарик Б 12-200
Шарик Б 12-200
В узле: 1
46
38347
Пружина
В узле: 1
47
76111
Вилка
В узле: 1
48
76113
Заглушка
В узле: 1
49
17-76-31
Вилка
В узле: 1
50
Болт М10х40.58.019
Болт М10х40.58.019
В узле: 3
Содержащиеся в справочниках-каталогах запасные части и детали не предлагаются к продаже, а носят исключительно информационный характер

Ваша заявка была отправлена. В ближайшее время наши специалисты с Вами свяжутся по указанному Вами телефону.

Представьтесь
Поле обязательно для заполнения
Ваш телефон
Введите правильный номер телефона
E-mail
Введите правильный e-mail
Тема
Тема
применяемость финансирование доставка цена, наличие другое сервис и гарантия
Время для звонка
08:00
08:00 09:00 10:00 11:00 12:00 13:00 14:00 15:00 16:00 17:00 18:00 19:00
19:00
08:00 09:00 10:00 11:00 12:00 13:00 14:00 15:00 16:00 17:00 18:00 19:00

Мы постараемся перезвонить в указанное время

Если вы не хотите ждать, то звоните нашим вежливым консультантам:

8 800 100-2-700
Подтвердите, что вы не робот
Подтвердите, что вы не робот
Спасибо!

Ваше сообщение успешно отправлено!

ЗакрытьПовторить попытку