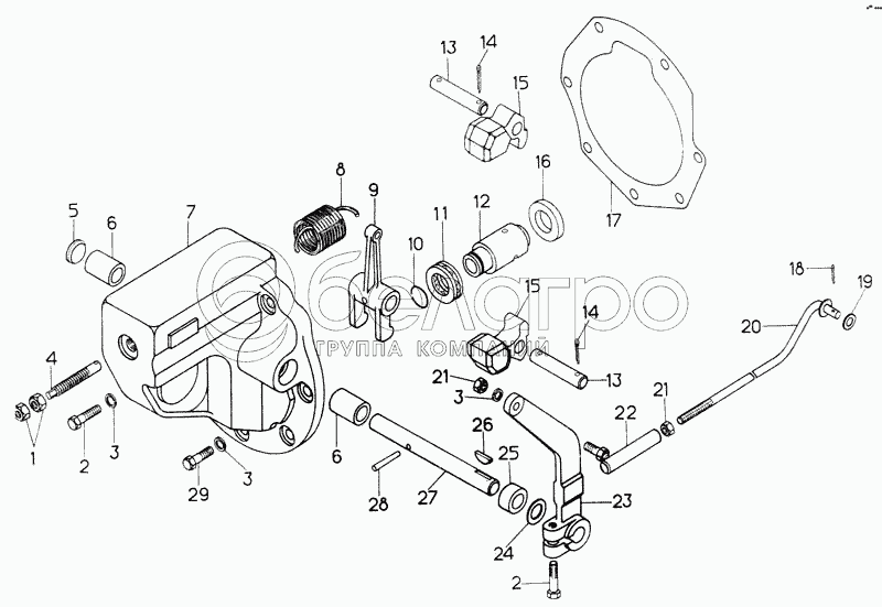
Каталог запасных частей к технике: ЧТЗ Т-170М-01. Регулятор пускового двигателя

zoom-in zoom-out enlarge shrink circle-right circle-left file-text2 info cart arraw right arraw left zoom out zoom in arraw maximize arraw minimize
1
2
2
3
3
3
4
4
5
6
6
7
8
9
10
11
12
13
13
14
14
15
15
15
16
17
18
19
20
21
21
22
23
24
25
26
27
27
28
29
17-06-107СП
Корпус
В узле: 1
06406СП
Втулка
В узле: 1
17-06-4СП
Регулятор пускового двигателя
В узле: 1
1
Гайка М8х1-6.019
Гайка М8х1-6.019
В узле: 2
2
Болт М6х25.58.019
Болт М6х25.58.019
В узле: 2
3
Шайба 6Т 65Г 09
Шайба 6Т 65Г 09
В узле: 8
4
6412
Винт
В узле: 1
4
6412
Винт
В узле: 1
5
690
Заглушка
В узле: 1
6
06403-1
Втулка
В узле: 2
7
17-06-16
Корпус
В узле: 1
8
38340
Пружина
В узле: 1
9
6409
Рычаг
В узле: 1
10
6503
Кольцо
В узле: 1
11
Подшипник 8103
Подшипник 8103
В узле: 1
12
6504
Втулка
В узле: 1
13
17-06-15
Палец
В узле: 2
14
Шплинт 3.2 х 20
Шплинт 3.2 х 20
В узле: 4
15
6405
Груз
В узле: 2
15
06405-1
Груз
В узле: 2
16
6408
Шайба
В узле: 1
17
40949
Прокладка
В узле: 1
18
Шплинт 2х14
Шплинт 2х14
В узле: 1
19
31358
Шайба
В узле: 1
20
06626СП
Тяга
В узле: 1
21
Гайка М6.6.019
Гайка М6.6.019
В узле: 2
22
06417СП
Муфта
В узле: 1
23
6481
Рычаг
В узле: 1
24
6100
Шайба
В узле: 1
25
40264
Сальник
В узле: 1
26
3432
Шпонка
В узле: 1
27
6411
Ось
В узле: 1
27
6411
Ось
В узле: 1
28
32239
Штифт
В узле: 1
29
Болт М6х20.58.019
Болт М6х20.58.019
В узле: 6
Содержащиеся в справочниках-каталогах запасные части и детали не предлагаются к продаже, а носят исключительно информационный характер

Ваша заявка была отправлена. В ближайшее время наши специалисты с Вами свяжутся по указанному Вами телефону.

Представьтесь
Поле обязательно для заполнения
Ваш телефон
Введите правильный номер телефона
E-mail
Введите правильный e-mail
Тема
Тема
применяемость финансирование доставка цена, наличие другое сервис и гарантия
Время для звонка
08:00
08:00 09:00 10:00 11:00 12:00 13:00 14:00 15:00 16:00 17:00 18:00 19:00
19:00
08:00 09:00 10:00 11:00 12:00 13:00 14:00 15:00 16:00 17:00 18:00 19:00

Мы постараемся перезвонить в указанное время

Если вы не хотите ждать, то звоните нашим вежливым консультантам:

8 800 100-2-700
Подтвердите, что вы не робот
Подтвердите, что вы не робот
Спасибо!

Ваше сообщение успешно отправлено!

ЗакрытьПовторить попытку