Каталог запасных частей к технике: ЧТЗ Т-170М-01. Установка привода насоса

zoom-in zoom-out enlarge shrink circle-right circle-left file-text2 info cart arraw right arraw left zoom out zoom in arraw maximize arraw minimize
1
2
3
3
4
5
6
7
8
9
10
11
12
13
14
15
15
16
16
17
18
19
19
20
21
21
22
23
24
25
50-26-85СП
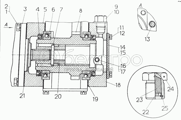
Установка привода насоса
В узле: 1
1
28556
Болт
В узле: 4
2
Шайба 12 ОТ 65Г 09
Шайба 12 ОТ 65Г 09
В узле: 12
3
Насос НШ 100А-ЗЛ
Насос НШ 100А-ЗЛ
В узле: 1
3
Насос НШ 100А-ЗЛТ
Насос НШ 100А-ЗЛТ
В узле: 1
4
Манжета 1.2-90х120-4
Манжета 1.2-90х120-4
В узле: 2
5
18-26-802
Фланец
В узле: 1
6
Подшипник 118
Подшипник 118
В узле: 2
7
700-32-2081
Штифт
В узле: 1
8
50-26-814
Вал
В узле: 1
9
18-26-286-СП
Сапун
В узле: 1
10
700-40-260-17
Прокладка
В узле: 1
11
Болт М10х25.58.019
Болт М10х25.58.019
В узле: 4
12
Шайба 10 ОТ 65Г 09
Шайба 10 ОТ 65Г 09
В узле: 4
13
Гайка М12х1,25.6.019
Гайка М12х1,25.6.019
В узле: 8
14
50-26-832
Крышка
В узле: 1
15
700-40-2631
Прокладка
В узле: 1
15
700-40-2631
Прокладка
В узле: 1
16
37121
Пробка
В узле: 1
16
37121
Пробка
В узле: 1
17
700-40-260-07
Прокладка
В узле: 1
18
18-26-801
Фланец
В узле: 1
19
700-40-3766
Прокладка
В узле: 2
19
700-40-3766
Прокладка
В узле: 2
20
50-26-807
Муфта
В узле: 1
21
700-40-3688
Прокладка
В узле: 1
21
700-40-3688
Прокладка
В узле: 1
22
18-26-422
Шайба
В узле: 1
23
Волос обработанный
Волос обработанный
В узле: ---
24
18-26-421
Корпус сапуна
В узле: 1
25
261046
Кольцо пружинное
В узле: 1
Содержащиеся в справочниках-каталогах запасные части и детали не предлагаются к продаже, а носят исключительно информационный характер

Ваша заявка была отправлена. В ближайшее время наши специалисты с Вами свяжутся по указанному Вами телефону.

Представьтесь
Поле обязательно для заполнения
Ваш телефон
Введите правильный номер телефона
E-mail
Введите правильный e-mail
Тема
Тема
применяемость финансирование доставка цена, наличие другое сервис и гарантия
Время для звонка
08:00
08:00 09:00 10:00 11:00 12:00 13:00 14:00 15:00 16:00 17:00 18:00 19:00
19:00
08:00 09:00 10:00 11:00 12:00 13:00 14:00 15:00 16:00 17:00 18:00 19:00

Мы постараемся перезвонить в указанное время

Если вы не хотите ждать, то звоните нашим вежливым консультантам:

8 800 100-2-700
Подтвердите, что вы не робот
Подтвердите, что вы не робот
Спасибо!

Ваше сообщение успешно отправлено!

ЗакрытьПовторить попытку