Каталог запасных частей к технике: ГАЗ-71. Газопровод

zoom-in zoom-out enlarge shrink circle-right circle-left file-text2 info cart arraw right arraw left zoom out zoom in arraw maximize arraw minimize
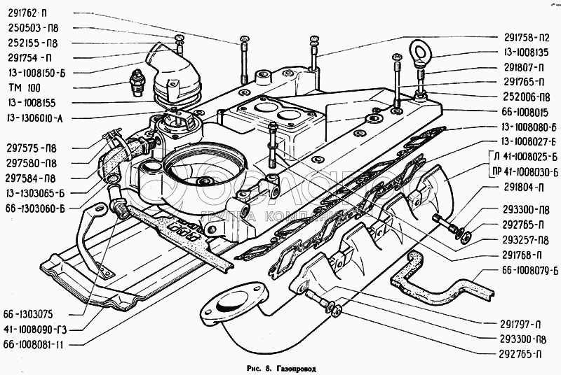
291765-П
252006-П8
293300-П8
293300-П8
293257-П8
252155-П8
66-1303060-Б
291758-П2
291807-П
291762-П
66-1008015
291768-П
291804-П
291797-П
291754-П
297575-П8
13-1303065-Б
66-1303075
13-1008150-Б
250503-П8
292765-П
292765-П
292765-П
13-1008135
52-3808020
41-1008090-Г3
41-1008025-Б
41-1008030-Б
297584 -П8
250503-П8
13-1008080-Б
66-1008079-Б
66-1008081-11
13-1008027-Б
13-1008027-Б
13-1008155
297580-П8
13-1306010-А
291765-П
Шпилька М8х1х80 крепления впускной трубы
В узле: 1
252006-П8
Шайба 10
В узле: 1
293300-П8
Шайба 10
В узле: 7
293257-П8
Шайба 8,5
В узле: 6
252155-П8
Шайба 8 пружинная
В узле: 2
66-1303060-Б
Шланг соединительный
В узле: 1
291758-П2
Шпилька М8х1х58
В узле: 1
291807-П
Шпилька крепления впускной трубы
В узле: 2
291762-П
Шпилька М8х1-4hх75
В узле: 6
66-1008015
Труба впускная
В узле: 1
291768-П
Шпилька М8х1-4hх88
В узле: 2
291804-П
Шпилька крепления выпускного коллектора
В узле: 8
291797-П
Шпилька М10х1х30
В узле: 2
291754-П
Шпилька М8х1х42 крепления выпускного патрубка водяной рубашки
В узле: 2
297575-П8
Шплинт хомутика
В узле: 2
13-1303065-Б
Штуцер К 3/8"
В узле: 1
66-1303075
Штуцер 3/8"
В узле: 1
297584-П8
Лента 10х235
В узле: ---
13-1008150-Б
Патрубок выпускной
В узле: 1
250503-П8
Гайка М8х1-4Н5Н
В узле: 10
292765-П
Гайка М10х1
В узле: 10
13-1008135
Гайка
В узле: 2
52-3808020
Датчик указателя температуры воды в двигателе в сборе ТМ100
В узле: 1
41-1008090-Г3
Кожух газопровода в сборе
В узле: 1
41-1008025-Б
Коллектор выпускной левый
В узле: 1
41-1008030-Б
Коллектор выпускной правый
В узле: 1
297584 -П8
Лента стяжная хомутика шланга
В узле: 2
250503-П8
Гайка М8х1-4Н5Н
В узле: 2
26252 1-П
Пробка
В узле: 2
13-1008080-Б
Прокладка впускной трубы боковая
В узле: 2
66-1008079-Б
Прокладка впускной трубы задняя
В узле: 1
66-1008081-11
Прокладка впускной трубы передняя
В узле: 1
13-1008027-Б
Прокладка выпускного коллектора
В узле: 2
13-1008155
Прокладка патрубка
В узле: 1
297580-П8
Пряжка хомута
В узле: 2
13-1306010-А
Термостат
В узле: 1
Содержащиеся в справочниках-каталогах запасные части и детали не предлагаются к продаже, а носят исключительно информационный характер

Ваша заявка была отправлена. В ближайшее время наши специалисты с Вами свяжутся по указанному Вами телефону.

Представьтесь
Поле обязательно для заполнения
Ваш телефон
Введите правильный номер телефона
E-mail
Введите правильный e-mail
Тема
Тема
применяемость финансирование доставка цена, наличие другое сервис и гарантия
Время для звонка
08:00
08:00 09:00 10:00 11:00 12:00 13:00 14:00 15:00 16:00 17:00 18:00 19:00
19:00
08:00 09:00 10:00 11:00 12:00 13:00 14:00 15:00 16:00 17:00 18:00 19:00

Мы постараемся перезвонить в указанное время

Если вы не хотите ждать, то звоните нашим вежливым консультантам:

8 800 100-2-700
Подтвердите, что вы не робот
Подтвердите, что вы не робот
Спасибо!

Ваше сообщение успешно отправлено!

ЗакрытьПовторить попытку