Каталог запасных частей к технике: ГАЗ-71. Коробка передач в сборе

zoom-in zoom-out enlarge shrink circle-right circle-left file-text2 info cart arraw right arraw left zoom out zoom in arraw maximize arraw minimize
250551-П29
250551-П29
71-1700010
71-1700006
71-1702010-10
52-1601185
588911
52-1601180
11Ю-7562
252138-П2
252178-П29
52-50-1601230
216298-П2
216298-П2
216301-П2
216306-П2
250551-П29
Гайка М14х1,5-4Н5Н
В узле: 4
71-1700010
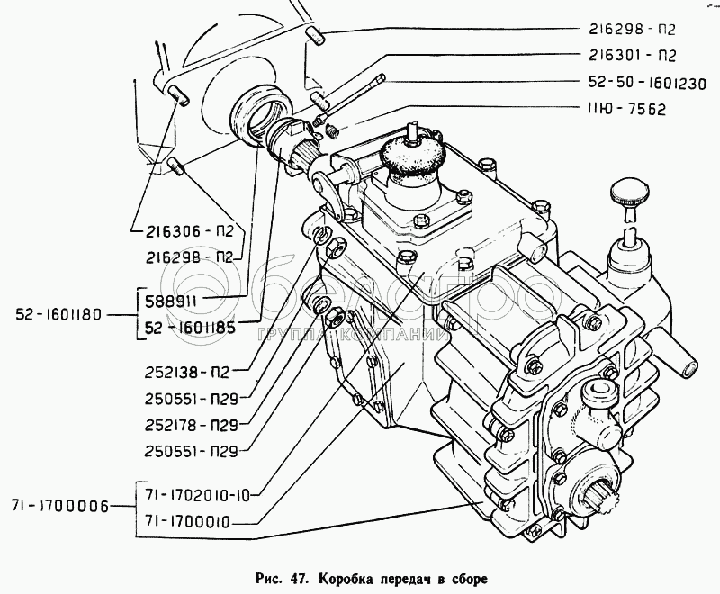
Коробка передач в сборе
В узле: 1
71-1700006
Коробка передач с раздаточной коробкой в сборе
В узле: 1
71-1702010-10
Крышка верхняя коробки передач в сборе
В узле: 1
52-1601185
Муфта выключения сцепления
В узле: 1
588911
Подшипник в сборе (М-7580)
В узле: 1
52-1601180
Муфта выключения сцепления в сборе
В узле: 1
11Ю-7562
Пружина оттяжная муфты подшипника выключения сцепления
В узле: 1
252138-П2
Шайба 14.ОТ ОСТ 37.001.115-75
В узле: 1
252178-П29
Шайба 2-14 ОСТ 37.001.145-75
В узле: 3
52-50-1601230
Шланг гибкий смазки подшипника выключения сцепления в сборе
В узле: 1
216298-П2
Шпилька М14х1,5-4hх32
В узле: 2
216301-П2
Шпилька крепления картера коробки передач к картеру сцепления
В узле: 1
216306-П2
Шпилька крепления картера коробки передач к картеру сцепления
В узле: 1
Содержащиеся в справочниках-каталогах запасные части и детали не предлагаются к продаже, а носят исключительно информационный характер

Ваша заявка была отправлена. В ближайшее время наши специалисты с Вами свяжутся по указанному Вами телефону.

Представьтесь
Поле обязательно для заполнения
Ваш телефон
Введите правильный номер телефона
E-mail
Введите правильный e-mail
Тема
Тема
применяемость финансирование доставка цена, наличие другое сервис и гарантия
Время для звонка
08:00
08:00 09:00 10:00 11:00 12:00 13:00 14:00 15:00 16:00 17:00 18:00 19:00
19:00
08:00 09:00 10:00 11:00 12:00 13:00 14:00 15:00 16:00 17:00 18:00 19:00

Мы постараемся перезвонить в указанное время

Если вы не хотите ждать, то звоните нашим вежливым консультантам:

8 800 100-2-700
Подтвердите, что вы не робот
Подтвердите, что вы не робот
Спасибо!

Ваше сообщение успешно отправлено!

ЗакрытьПовторить попытку