Каталог запасных частей к технике: ГАЗ-71. Корпус

zoom-in zoom-out enlarge shrink circle-right circle-left file-text2 info cart arraw right arraw left zoom out zoom in arraw maximize arraw minimize
71-9204043
252234-П29
252234-П29
252234-П29
252234-П29
47-9201656
66-8401546
40П-9011050-А
71-9205050
71-9204042
201417-П29
71-9205454
71-9200020
66-8401544
220103-П29
12-2202099
201417-П29
201417-П29
201417-П29
71-9204043
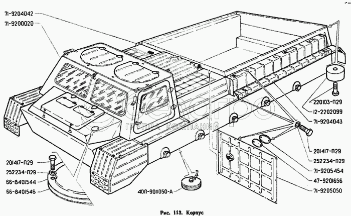
Лист № 3 борта левый в сборе
В узле: 1
252234-П29
Шайба 2-6 ОСТ 37.001.146-75
В узле: 24
252234-П29
Шайба 2-6 ОСТ 37.001.146-75
В узле: 10
252234-П29
Шайба 2-6 ОСТ 37.001.146-75
В узле: 3
252234-П29
Шайба 2-6 ОСТ 37.001.146-75
В узле: 2
47-9201656
Прокладка крышки № 1
В узле: 1
66-8401546
Прокладка заглушки
В узле: 1
40П-9011050-А
Пробка сливного отверстия в сборе
В узле: 7
71-9205050
Лист №4 перегородки с термошумоизоляцией в сборе
В узле: 1
71-9204042
Лист № 3 борта правый в сборе
В узле: 1
201417-П29
Болт М6-6gх14 ОСТ 37.001.123-96
В узле: 3
71-9205454
Крышка № 1 перегородки
В узле: 1
71-9200020
Корпус в сборе (сварка)
В узле: 1
66-8401544
Заглушка верхней панели облицовки радиатора
В узле: 1
220103-П29
Винт М6-6gх12 ОСТ 37.001.127-81
В узле: 2
12-2202099
Буфер в сборе
В узле: 2
201417-П29
Болт М6-6gх14 ОСТ 37.001.123-96
В узле: 10
201417-П29
Болт М6-6gх14 ОСТ 37.001.123-96
В узле: 24
201417-П29
Болт М6-6gх14 ОСТ 37.001.123-96
В узле: 2
Содержащиеся в справочниках-каталогах запасные части и детали не предлагаются к продаже, а носят исключительно информационный характер

Ваша заявка была отправлена. В ближайшее время наши специалисты с Вами свяжутся по указанному Вами телефону.

Представьтесь
Поле обязательно для заполнения
Ваш телефон
Введите правильный номер телефона
E-mail
Введите правильный e-mail
Тема
Тема
применяемость финансирование доставка цена, наличие другое сервис и гарантия
Время для звонка
08:00
08:00 09:00 10:00 11:00 12:00 13:00 14:00 15:00 16:00 17:00 18:00 19:00
19:00
08:00 09:00 10:00 11:00 12:00 13:00 14:00 15:00 16:00 17:00 18:00 19:00

Мы постараемся перезвонить в указанное время

Если вы не хотите ждать, то звоните нашим вежливым консультантам:

8 800 100-2-700
Подтвердите, что вы не робот
Подтвердите, что вы не робот
Спасибо!

Ваше сообщение успешно отправлено!

ЗакрытьПовторить попытку