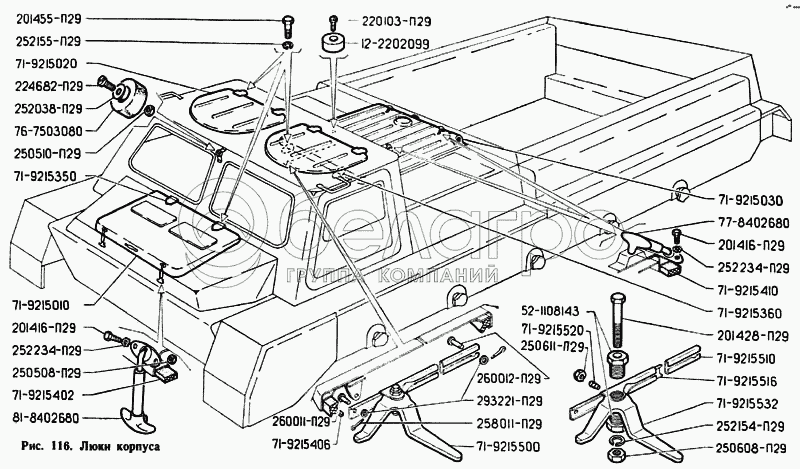
Каталог запасных частей к технике: ГАЗ-71. Люки корпуса

zoom-in zoom-out enlarge shrink circle-right circle-left file-text2 info cart arraw right arraw left zoom out zoom in arraw maximize arraw minimize
71-9215402
71-9215030
260012-П29
260011-П29
71-9215360
71-9215350
71-9215350
71-9215532
71-9215510
71-9215516
71-9215410
71-9215020
71-9215406
252038-П29
293221-П29
252155-П29
252155-П29
252155-П29
252154-П29
252234-П29
252234-П29
252234-П29
258011-П29
224682-П29
201416-П29
201455-П29
201455-П29
201455-П29
201455-П29
201428-П29
12-2202099
76-7503080
71-9215520
220103-П29
201416-П29
52-1108143
250510-П29
250611-П29
250608-П29
250508-П29
71-9215500
77-8402680
81-8402680
71-9215010
71-9215402
Уплотнитель № 1 крышки
В узле: 1
71-9215030
Крышка № 3 в сборе
В узле: 1
260012-П29
Палец 6х20 ОСТ 37.001.163-97
В узле: 2
260011-П29
Палец 6х18
В узле: 2
71-9215360
Петля в сборе
В узле: 2
71-9215350
Петля в сборе
В узле: 2
71-9215350
Петля в сборе
В узле: 4
71-9215532
Ручка замка
В узле: 2
71-9215510
Тяга № 1 замка в сборе
В узле: 2
71-9215516
Тяга № 2 замка
В узле: 2
71-9215410
Уплотнитель крышки № 3
В узле: 1
71-9215020
Крышка № 2 в сборе
В узле: 2
71-9215406
Уплотнитель № 2 крышки
В узле: 2
252038-П29
Шайба 8 ОСТ 37.001.144-96
В узле: 1
293221-П29
Шайба 6
В узле: 4
252155-П29
Шайба пружинная 8
В узле: 4
252155-П29
Шайба пружинная 8
В узле: 6
252155-П29
Шайба пружинная 8
В узле: 12
252154-П29
Шайба 6Л ОСТ 37.001.115-75
В узле: 2
252234-П29
Шайба 2-6 ОСТ 37.001.146-75
В узле: 4
252234-П29
Шайба 2-6 ОСТ 37.001.146-75
В узле: 6
258011-П29
Шплинт 2х10 ОСТ 37.001.171-93
В узле: 4
224682-П29
Винт М8-6gх16 ОСТ 37.001.130-81
В узле: 1
201416-П29
Болт М6-6gх12 ОСТ 37.001.123-96
В узле: 6
201455-П29
Болт М8-6gх18 ОСТ 37.001.123-96
В узле: 4
201455-П29
Болт М8-6gх18 ОСТ 37.001.123-96
В узле: 12
201455-П29
Болт М8-6gх18 ОСТ 37.001.123-96
В узле: 6
201455-П29
Болт М8-6gх18 ОСТ 37.001.123-96
В узле: 6
201428-П29
Болт М6-6gх40 ОСТ 37.001.123-96
В узле: 2
12-2202099
Буфер в сборе
В узле: 2
76-7503080
Буфер фиксатора крышки
В узле: 1
71-9215520
Винт
В узле: 2
220103-П29
Винт М6-6gх12 ОСТ 37.001.127-81
В узле: 2
201416-П29
Болт М6-6gх12 ОСТ 37.001.123-96
В узле: 4
52-1108143
Гайка
В узле: 4
250510-П29
Гайка М8-6Н ОСТ 37.001.124-93
В узле: 1
250611-П29
Гайка М8х1-6Н ОСТ 37.001.124-93
В узле: 2
250608-П29
Гайка М6-6Н ОСТ 37.001.124-93
В узле: 2
250508-П29
Гайка М6-6Н ОСТ 37.001.124-93
В узле: 4
71-9215500
Замок крышки в сборе
В узле: 2
77-8402680
Застежка крышки в сборе
В узле: 3
81-8402680
Замок капота
В узле: 2
71-9215010
Крышка в сборе № 1
В узле: 1
Содержащиеся в справочниках-каталогах запасные части и детали не предлагаются к продаже, а носят исключительно информационный характер

Ваша заявка была отправлена. В ближайшее время наши специалисты с Вами свяжутся по указанному Вами телефону.

Представьтесь
Поле обязательно для заполнения
Ваш телефон
Введите правильный номер телефона
E-mail
Введите правильный e-mail
Тема
Тема
применяемость финансирование доставка цена, наличие другое сервис и гарантия
Время для звонка
08:00
08:00 09:00 10:00 11:00 12:00 13:00 14:00 15:00 16:00 17:00 18:00 19:00
19:00
08:00 09:00 10:00 11:00 12:00 13:00 14:00 15:00 16:00 17:00 18:00 19:00

Мы постараемся перезвонить в указанное время

Если вы не хотите ждать, то звоните нашим вежливым консультантам:

8 800 100-2-700
Подтвердите, что вы не робот
Подтвердите, что вы не робот
Спасибо!

Ваше сообщение успешно отправлено!

ЗакрытьПовторить попытку