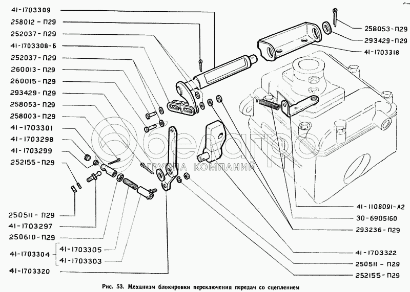
Каталог запасных частей к технике: ГАЗ-71. Механизм блокировки переключения передач со сцеплением

zoom-in zoom-out enlarge shrink circle-right circle-left file-text2 info cart arraw right arraw left zoom out zoom in arraw maximize arraw minimize
41-1703322
258003-П29
258053-П29
258053-П29
258012-П29
258012-П29
293429-П29
293429-П29
252155-П29
252155-П29
293429-П29
293236-П29
252037-П29
252037-П29
41-1703304
41-1703305
41-1703308-Б
41-1703299
41-1703309
41-1703320
30-6905160
41-1703298
41-1703297
260015-П29
260013-П29
41-1703303
41-1703301
41-1108091-А2
41-1703318
250511-П29
250511-П29
250610-П29
41-1703322
Стойка кронштейна блокировки в сборе
В узле: 1
258003-П29
Шплинт 1,6х20 ОСТ 37.001.171-93
В узле: 2
258053-П29
Шплинт 4х25
В узле: 1
258012-П29
Шплинт 2х12 ОСТ 37.001.171-93
В узле: 1
293429-П29
Шайба 16,5
В узле: 1
252155-П29
Шайба пружинная 8
В узле: 2
293429-П29
Шайба 16,5
В узле: 1
293236-П29
Шайба 6
В узле: 2
252037-П29
Шайба 6 ОСТ 37.001.144-96
В узле: 4
41-1703304
Тяга ведущая блокировки переключения передач в сборе
В узле: 1
41-1703305
Тяга ведущая блокировки коробки передач
В узле: 1
41-1703308-Б
Тяга ведомая блокировки коробки передач в сборе
В узле: 1
41-1703299
Сухарь
В узле: 2
41-1703309
Валик блокировки коробки передач в сборе
В узле: 1
41-1703320
Рычаг ведущий блокировки коробки передач
В узле: 1
30-6905160
Пружина оттяжная рычага валика блокировки
В узле: 1
41-1703298
Пробка
В узле: 2
41-1703297
Палец шаровой наконечника тяги ведущей блокировки коробки передач
В узле: 2
260015-П29
Палец 6х28
В узле: 1
260013-П29
Палец 6х22
В узле: 1
41-1703303
Наконечник шаровой тяги блокировки в сборе
В узле: 2
41-1703301
Наконечник тяги блокировки коробки передач
В узле: 2
41-1108091-А2
Кронштейн крепления тяг управления карбюратором
В узле: 1
41-1703318
Кронштейн валика блокировки коробки передач
В узле: 1
250511-П29
Гайка М8х1-6Н ОСТ 37.001.124-93
В узле: 2
250610-П29
Гайка М8-6Н ОСТ 37.001.124-93
В узле: 1
Содержащиеся в справочниках-каталогах запасные части и детали не предлагаются к продаже, а носят исключительно информационный характер

Ваша заявка была отправлена. В ближайшее время наши специалисты с Вами свяжутся по указанному Вами телефону.

Представьтесь
Поле обязательно для заполнения
Ваш телефон
Введите правильный номер телефона
E-mail
Введите правильный e-mail
Тема
Тема
применяемость финансирование доставка цена, наличие другое сервис и гарантия
Время для звонка
08:00
08:00 09:00 10:00 11:00 12:00 13:00 14:00 15:00 16:00 17:00 18:00 19:00
19:00
08:00 09:00 10:00 11:00 12:00 13:00 14:00 15:00 16:00 17:00 18:00 19:00

Мы постараемся перезвонить в указанное время

Если вы не хотите ждать, то звоните нашим вежливым консультантам:

8 800 100-2-700
Подтвердите, что вы не робот
Подтвердите, что вы не робот
Спасибо!

Ваше сообщение успешно отправлено!

ЗакрытьПовторить попытку