Каталог запасных частей к технике: ГАЗ-71. Обогрев ветрового стекла

zoom-in zoom-out enlarge shrink circle-right circle-left file-text2 info cart arraw right arraw left zoom out zoom in arraw maximize arraw minimize
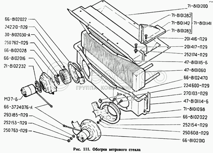
66-3724076-А
МЭ7-Б
252154-П29
252153-П29
252174-П29
252174-П29
66-8102028
293185-П29
71-8101283
71-8101282
66-8102470
30-8102030-А
47-8101060
47-8101115-Б
47-8101114-Б
21-8102232
201417-П29
66-8102022
66-8102022
71-8101200
66-8102016
71-8101141
71-8101142
71-8101098
250763-П29
250608-П29
250762-П29
242210-П29
224600-П29
220103-П29
66-8102010
201416-П29
66-3724076-А
Провод соединения корпуса электродвигателя с кабиной в сборе
В узле: 2
МЭ7-Б
Электромотор в сборе (66-8102080-Б)
В узле: 2
252154-П29
Шайба 6Л ОСТ 37.001.115-75
В узле: 8
252153-П29
Шайба 5
В узле: 4
252174-П29
Шайба 2-6 ОСТ 37.001.145-75
В узле: 13
252174-П29
Шайба 2-6 ОСТ 37.001.145-75
В узле: 2
66-8102028
Шайба опорная корпуса вентилятора
В узле: 2
293185-П29
Шайба 5
В узле: 4
71-8101283
Уплотнитель кожуха шланга нижний
В узле: 1
71-8101282
Уплотнитель кожуха шланга верхний
В узле: 1
66-8102470
Скоба крепления вентилятора
В узле: 4
30-8102030-А
Ротор вентилятора в сборе
В узле: 2
47-8101060
Радиатор в сборе
В узле: 1
47-8101115-Б
Прокладка кожуха радиатора верхняя
В узле: 1
47-8101114-Б
Прокладка кожуха
В узле: 1
21-8102232
Прокладка электродвигателя вентилятора
В узле: 2
201417-П29
Болт М6-6gх14 ОСТ 37.001.123-96
В узле: 13
66-8102022
Крышка корпуса вентилятора
В узле: 2
71-8101200
Корпус отопителя в сборе
В узле: 1
66-8102016
Корпус вентилятора
В узле: 2
71-8101141
Кожух шланга в сборе
В узле: 1
71-8101142
Кожух шланга
В узле: 1
71-8101098
Кожух радиатора отопителя в сборе
В узле: 1
250763-П29
Гайка М5
В узле: 4
250608-П29
Гайка М6-6Н ОСТ 37.001.124-93
В узле: 8
250762-П29
Гайка М4
В узле: 4
242210-П29
Винт
В узле: 2
224600-П29
Винт М5-6gх16
В узле: 4
220103-П29
Винт М6-6gх12 ОСТ 37.001.127-81
В узле: 8
66-8102010
Вентилятор обдува ветрового стекла в сборе
В узле: 2
201416-П29
Болт М6-6gх12 ОСТ 37.001.123-96
В узле: 2
Содержащиеся в справочниках-каталогах запасные части и детали не предлагаются к продаже, а носят исключительно информационный характер

Ваша заявка была отправлена. В ближайшее время наши специалисты с Вами свяжутся по указанному Вами телефону.

Представьтесь
Поле обязательно для заполнения
Ваш телефон
Введите правильный номер телефона
E-mail
Введите правильный e-mail
Тема
Тема
применяемость финансирование доставка цена, наличие другое сервис и гарантия
Время для звонка
08:00
08:00 09:00 10:00 11:00 12:00 13:00 14:00 15:00 16:00 17:00 18:00 19:00
19:00
08:00 09:00 10:00 11:00 12:00 13:00 14:00 15:00 16:00 17:00 18:00 19:00

Мы постараемся перезвонить в указанное время

Если вы не хотите ждать, то звоните нашим вежливым консультантам:

8 800 100-2-700
Подтвердите, что вы не робот
Подтвердите, что вы не робот
Спасибо!

Ваше сообщение успешно отправлено!

ЗакрытьПовторить попытку