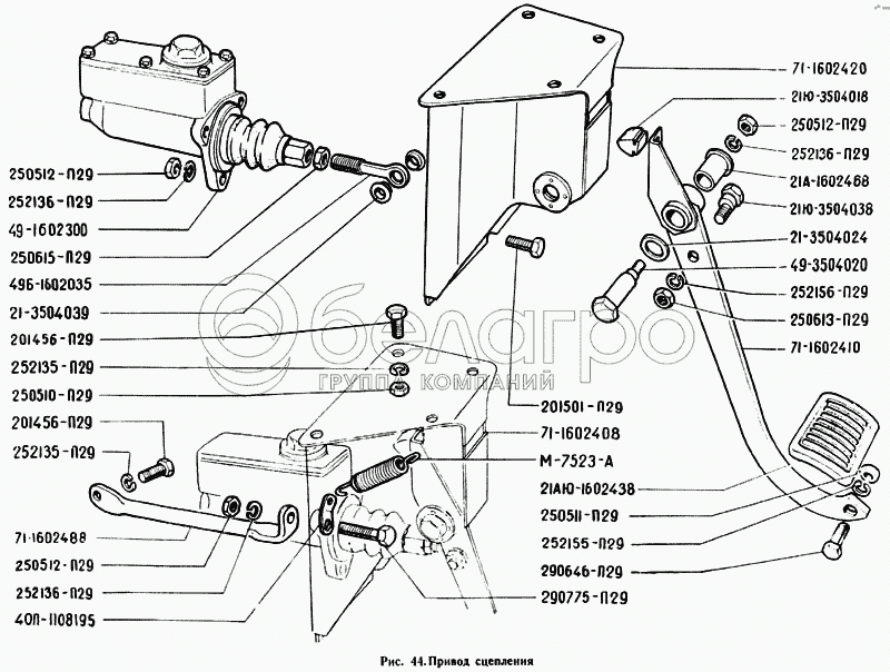
Каталог запасных частей к технике: ГАЗ-71. Привод сцепления

zoom-in zoom-out enlarge shrink circle-right circle-left file-text2 info cart arraw right arraw left zoom out zoom in arraw maximize arraw minimize
71-1602408
21-3504024
252136-П29
252136-П29
252136-П29
252135-П29
252135-П29
252156-П29
252155-П29
49-1602300
49Б-1602035
71-1602488
М-7523-А
21АЮ-1602438
71-1602410
21Ю-3504038
49-3504020
201456-П29
71-1602420
40П-1108195
250615-П29
250613-П29
250512-П29
250512-П29
250511-П29
250512-П29
250510-П29
21-3504039
21А-1602468
21Ю-3504018
201456-П29
290646-П29
201501-П29
290775-П29
71-1602408
Кронштейн с педалью в сборе
В узле: 1
21-3504024
Шайба упорная
В узле: 1
252136-П29
Шайба 10Т
В узле: 3
252136-П29
Шайба 10Т
В узле: 1
252135-П29
Шайба 8Т
В узле: 4
252135-П29
Шайба 8Т
В узле: 1
252156-П29
Шайба 10
В узле: 1
252155-П29
Шайба пружинная 8
В узле: 1
49-1602300
Цилиндр главный гидропривода сцепления
В узле: 1
49Б-1602035
Стержень педали сцепления с главным цилиндром соединительный
В узле: 1
71-1602488
Растяжка кронштейна
В узле: 1
М-7523-А
Пружина
В узле: 1
21АЮ-1602438
Площадка педали сцепления обрезиненная
В узле: 1
71-1602410
Педаль сцепления в сборе
В узле: 1
21Ю-3504038
Ось толкателя педали сцепления
В узле: 1
49-3504020
Ось педали сцепления
В узле: 1
201456-П29
Болт М8-6gх20 ОСТ 37.001.123-96
В узле: 4
71-1602420
Кронштейн педали сцепления в сборе
В узле: 1
40П-1108195
Кронштейн крепления пружины педали сцепления
В узле: 1
250615-П29
Гайка М12х1,25-6Н ОСТ 37.001.124-93
В узле: 1
250613-П29
Гайка 10х1-6Н
В узле: 1
250512-П29
Гайка М10-6Н ОСТ 37.001.124-93
В узле: 3
250511-П29
Гайка М8х1-6Н ОСТ 37.001.124-93
В узле: 1
250512-П29
Гайка М10-6Н ОСТ 37.001.124-93
В узле: 1
250510-П29
Гайка М8-6Н ОСТ 37.001.124-93
В узле: 4
21-3504039
Втулка оси толкателя
В узле: 2
21А-1602468
Втулка оси рычагов
В узле: 1
21Ю-3504018
Буфер педали сцепления
В узле: 1
201456-П29
Болт М8-6gх20 ОСТ 37.001.123-96
В узле: 1
290646-П29
Болт М8х1х22 крепления площадки к педали
В узле: 1
201501-П29
Болт М10-6gх35 ОСТ 37.001.123-96
В узле: 2
290775-П29
Болт М10-6gх40
В узле: 1
Содержащиеся в справочниках-каталогах запасные части и детали не предлагаются к продаже, а носят исключительно информационный характер

Ваша заявка была отправлена. В ближайшее время наши специалисты с Вами свяжутся по указанному Вами телефону.

Представьтесь
Поле обязательно для заполнения
Ваш телефон
Введите правильный номер телефона
E-mail
Введите правильный e-mail
Тема
Тема
применяемость финансирование доставка цена, наличие другое сервис и гарантия
Время для звонка
08:00
08:00 09:00 10:00 11:00 12:00 13:00 14:00 15:00 16:00 17:00 18:00 19:00
19:00
08:00 09:00 10:00 11:00 12:00 13:00 14:00 15:00 16:00 17:00 18:00 19:00

Мы постараемся перезвонить в указанное время

Если вы не хотите ждать, то звоните нашим вежливым консультантам:

8 800 100-2-700
Подтвердите, что вы не робот
Подтвердите, что вы не робот
Спасибо!

Ваше сообщение успешно отправлено!

ЗакрытьПовторить попытку