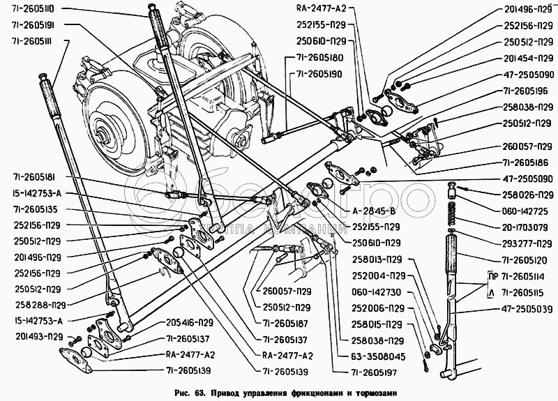
Каталог запасных частей к технике: ГАЗ-71. Привод управления фрикционами и тормозами

zoom-in zoom-out enlarge shrink circle-right circle-left file-text2 info cart arraw right arraw left zoom out zoom in arraw maximize arraw minimize
252006-П29
71-2605135
060-142730
71-2605187
71-2605181
71-2605186
71-2605180
71-2605197
71-2605191
71-2605196
71-2605190
47-2505039
71-2605120
252155-П29
252155-П29
252156-П29
252156-П29
252156-П29
293277-П29
252004-П29
258038-П29
258026-П29
258015-П29
258038-П29
258013-П29
258288-П29
250610-П29
250610-П29
201496-П29
201493-П29
201454-П29
201496-П29
71-2605115
71-2605111
71-2605114
71-2605110
63-3508045
РА-2477-А2
РА-2477-А2
РА-2477-А2
250512-П29
205416-П29
250512-П29
250512-П29
250512-П29
250512-П29
060-142725
47-2505090
47-2505090
71-2605139
71-2605139
А-2845-В
71-2605137
71-2605137
260057-П29
260057-П29
15-142753-А
15-142753-А
20-1703079
252006-П29
Шайба 10 ОСТ 37.001.144-96
В узле: 1
71-2605135
Сектор ручного рычага
В узле: 2
060-142730
Собачка рычага управления фрикционом
В узле: 1
71-2605187
Тяга рычага управления тормозом левая
В узле: 1
71-2605181
Тяга рычага управления тормозом левая в сборе
В узле: 1
71-2605186
Тяга рычага управления тормозом правая
В узле: 1
71-2605180
Тяга рычага управления тормозом правая в сборе
В узле: 1
71-2605197
Тяга рычага управления фрикционом левая
В узле: 1
71-2605191
Тяга рычага управления фрикционом левая в сборе
В узле: 1
71-2605196
Тяга рычага управления фрикционом правая
В узле: 1
71-2605190
Тяга рычага управления фрикционом правая в сборе
В узле: 1
47-2505039
Тяга собачки ручного рычага управления фрикционом и тормозом левая
В узле: 1
71-2605120
Рукоятка ручного рычага управления
В узле: 1
252155-П29
Шайба пружинная 8
В узле: 4
252156-П29
Шайба 10
В узле: 2
252156-П29
Шайба 10
В узле: 2
293277-П29
Шайба 8,5
В узле: 1
252004-П29
Шайба 6 ОСТ 37.001.144-96
В узле: 1
258038-П29
Шплинт 3,2х16 ОСТ 37.001.171-93
В узле: 2
258026-П29
Шплинт 2,2Х25
В узле: 1
258015-П29
Шплинт
В узле: 1
258038-П29
Шплинт 3,2х16 ОСТ 37.001.171-93
В узле: 2
258013-П29
Шплинт 2х16 ОСТ 37.001.171-93
В узле: 1
258288-П29
Шплинт-проволока
В узле: 2
250610-П29
Гайка М8-6Н ОСТ 37.001.124-93
В узле: 4
201496-П29
Болт М10-6gх22 ОСТ 37.001.123-96
В узле: 2
201493-П29
Болт М10-6gх16 ОСТ 37.001.123-96
В узле: 2
201454-П29
Болт М8-6gх16 ОСТ 37.001.123-96
В узле: 4
201496-П29
Болт М10-6gх22 ОСТ 37.001.123-96
В узле: 2
71-2605115
Вал управления с ручным рычагом левый
В узле: 1
71-2605111
Вал управления с ручным рычагом левый в сборе
В узле: 1
71-2605114
Вал управления с ручным рычагом правый
В узле: 1
71-2605110
Вал управления с ручным рычагом правый в сборе
В узле: 1
63-3508045
Вилка регулировочная тяги привода стояночного тормоза
В узле: 2
РА-2477-А2
Втулка сферическая и самосмазывающая набивка в сборе
В узле: 4
250512-П29
Гайка М10-6Н ОСТ 37.001.124-93
В узле: 2
205416-П29
Болт крепления сектора и левого кронштейна сферической втулки
В узле: 8
250512-П29
Гайка М10-6Н ОСТ 37.001.124-93
В узле: 2
250512-П29
Гайка М10-6Н ОСТ 37.001.124-93
В узле: 2
060-142725
Кнопка рычага управления фрикционом
В узле: 1
47-2505090
Кронштейн крепления вала управления
В узле: 1
71-2605139
Кронштейн крепления вала управления левый
В узле: 2
А-2845-В
Кронштейн крепления сферической втулки
В узле: 2
71-2605137
Кронштейн крепления сферической втулки левый
В узле: 2
260057-П29
Палец 10х28 ОСТ 37.001.163-97
В узле: 2
15-142753-А
Палец упорный рычага управления фрикционом
В узле: 2
20-1703079
Пружина
В узле: 1
Содержащиеся в справочниках-каталогах запасные части и детали не предлагаются к продаже, а носят исключительно информационный характер

Ваша заявка была отправлена. В ближайшее время наши специалисты с Вами свяжутся по указанному Вами телефону.

Представьтесь
Поле обязательно для заполнения
Ваш телефон
Введите правильный номер телефона
E-mail
Введите правильный e-mail
Тема
Тема
применяемость финансирование доставка цена, наличие другое сервис и гарантия
Время для звонка
08:00
08:00 09:00 10:00 11:00 12:00 13:00 14:00 15:00 16:00 17:00 18:00 19:00
19:00
08:00 09:00 10:00 11:00 12:00 13:00 14:00 15:00 16:00 17:00 18:00 19:00

Мы постараемся перезвонить в указанное время

Если вы не хотите ждать, то звоните нашим вежливым консультантам:

8 800 100-2-700
Подтвердите, что вы не робот
Подтвердите, что вы не робот
Спасибо!

Ваше сообщение успешно отправлено!

ЗакрытьПовторить попытку