Каталог запасных частей к технике: ГАЗ-71. Шанцевый инструмент и принадлежности

zoom-in zoom-out enlarge shrink circle-right circle-left file-text2 info cart arraw right arraw left zoom out zoom in arraw maximize arraw minimize
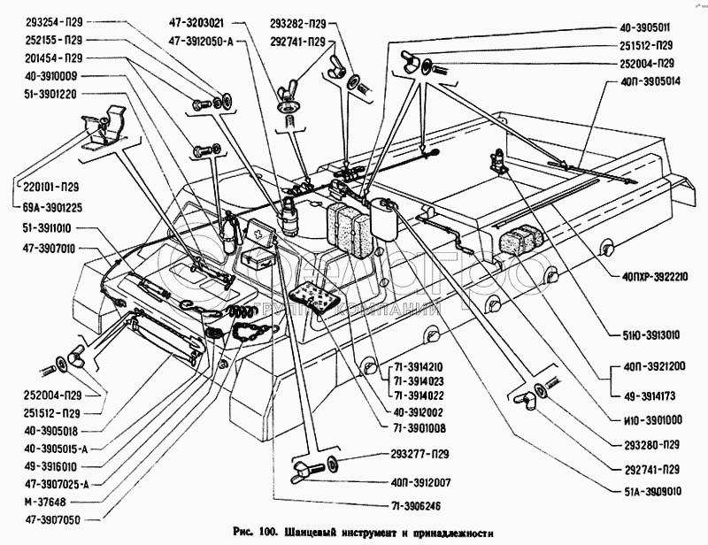
252004-П29
И10-3901000
71-3901008
40-3905011
47-3907010
47-3907050
71-3914023
71-3914022
71-3914210
40-3905018
293277-П29
293282-П29
293254-П29
293280-П29
252004-П29
252155-П29
252155-П29
47-3203021
М-37648
51-3911010
71-3906246
251512-П29
40ПХР-3922210
51А-3909010
47-3912050-А
201454-П29
201454-П29
40П-3912007
220101-П29
251512-П29
251512-П29
251512-П29
292741-П29
292741-П29
292741-П29
40-3912002
251512-П29
51Ю-3913010
40П-3921200
69А-3901225
47-3907025-А
40П-3905014
40-3905015-А
49-3914173
49-3916010
51-3901220
40-3910009
252004-П29
Шайба 6 ОСТ 37.001.144-96
В узле: 1
297540-П29
Пряжка 3,3х5,5
В узле: 2
40-9016322
Ремень для укладки чехлов машины в сборе
В узле: 2
И10-3901000
Рукоятка пусковая (51-3901215)
В узле: 1
51АЮ-3901010
Сумка инструментальная в сборе
В узле: 1
51Ю-3901024
Сумка инструментальная малая в сборе
В узле: 1
71-3901008
Сумка с инструментом в сборе
В узле: 1
71-3901009
Сумка с инструментом малая и сборе
В узле: 1
40-3914170
Тент защитный для покрытия машины в сборе
В узле: 1
40-3905011
Топор в сборе
В узле: 1
47-3907010
Трос буксирный в сборе
В узле: 1
47-3907050
Цепь бревна самовытаскивателя в сборе
В узле: 2
71-3914023
Чехол левый утеплительный в сборе
В узле: 1
71-3914022
Чехол правый утеплительный в сборе
В узле: 1
71-3914210
Чехол утеплительный в сборе
В узле: 1
40-3905018
Пила поперечная двухручная в сборе
В узле: 1
293277-П29
Шайба 8,5
В узле: 2
293282-П29
Шайба 8,4
В узле: 1
293254-П29
Шайба 8
В узле: 3
293280-П29
Шайба 9
В узле: 1
252004-П29
Шайба 6 ОСТ 37.001.144-96
В узле: 1
252155-П29
Шайба пружинная 8
В узле: 2
252155-П29
Шайба пружинная 8
В узле: 3
47-3203021
Заглушка оси балансира
В узле: 2
М-37648
Шланг заправочный шприца
В узле: 1
297535-П29
Шплинт 2,7х12
В узле: 2
51-3911010
Шприц рычажно-плунжерный в сборе (Ш1-3911010)
В узле: 1
060-149450
Ящик запасных частей в сборе
В узле: 1
71-3906246
Ящик с запасными частями в сборе
В узле: 1
251512-П29
Гайка М6-6Н
В узле: 1
40ПХР-3922210
Багор в сборе
В узле: 1
51А-3909010
Бачок для масла с пробками в сборе
В узле: 1
47-3912050-А
Бачок для питьевой воды в сборе
В узле: 1
201454-П29
Болт М8-6gх16 ОСТ 37.001.123-96
В узле: 3
201454-П29
Болт М8-6gх16 ОСТ 37.001.123-96
В узле: 2
40П-3912007
Болт-барашек
В узле: 2
220101-П29
Винт М6-6gх8 ОСТ 37.001.127-81
В узле: 2
251512-П29
Гайка М6-6Н
В узле: 1
251512-П29
Гайка М6-6Н
В узле: 1
251512-П29
Гайка М6-6Н
В узле: 1
292741-П29
Гайка-барашек
В узле: 1
292741-П29
Гайка-барашек
В узле: 2
292741-П29
Гайка-барашек
В узле: 1
40-3912002
Аптечка в сборе
В узле: 1
251512-П29
Гайка М6-6Н
В узле: 1
51Ю-3913010
Домкрат гидравлический в сборе
В узле: 1
40П-3921200
Жилет спасательный в сборе
В узле: 1
69А-3901225
Зажим насоса
В узле: 2
47-3907025-А
Звено сцепки в сборе
В узле: 1
ВК-71-3900010
Комплект инструмента и принадлежностей, придаваемых к машине
В узле: 1
297545-П29
Лента стяжная насоса
В узле: 2
40П-3905014
Лом
В узле: 1
40-3905015-А
Лопата саперная в сборе
В узле: 1
49-3914173
Мешок для спасательного жилета в сборе
В узле: 1
49-3916010
Насос для ручного переливания бензина в сборе
В узле: 1
51-3901220
Насос ручной для накачивания шин в сборе (РН1-3917010)
В узле: 1
40-3910009
Огнетушитель углекислотноснежный в сборе (ОУ-2 ГОСТ 7276-54)
В узле: 1
Содержащиеся в справочниках-каталогах запасные части и детали не предлагаются к продаже, а носят исключительно информационный характер

Ваша заявка была отправлена. В ближайшее время наши специалисты с Вами свяжутся по указанному Вами телефону.

Представьтесь
Поле обязательно для заполнения
Ваш телефон
Введите правильный номер телефона
E-mail
Введите правильный e-mail
Тема
Тема
применяемость финансирование доставка цена, наличие другое сервис и гарантия
Время для звонка
08:00
08:00 09:00 10:00 11:00 12:00 13:00 14:00 15:00 16:00 17:00 18:00 19:00
19:00
08:00 09:00 10:00 11:00 12:00 13:00 14:00 15:00 16:00 17:00 18:00 19:00

Мы постараемся перезвонить в указанное время

Если вы не хотите ждать, то звоните нашим вежливым консультантам:

8 800 100-2-700
Подтвердите, что вы не робот
Подтвердите, что вы не робот
Спасибо!

Ваше сообщение успешно отправлено!

ЗакрытьПовторить попытку