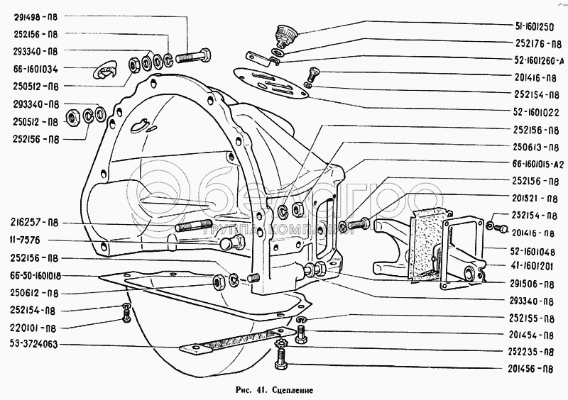
Каталог запасных частей к технике: ГАЗ-71. Сцепление

zoom-in zoom-out enlarge shrink circle-right circle-left file-text2 info cart arraw right arraw left zoom out zoom in arraw maximize arraw minimize
52-1601022
216257-П8
252154-П8
252154-П8
252154-П8
252156-П8
252156-П8
252156-П8
252156-П8
252156-П8
252155-П8
252176-П8
252235-П8
293340-П8
293340-П8
293340-П8
52-1601048
53-3724063
11-7576
51-1601250
66-1601034
291506-П8
52-1601260-А
66-50-1601018
66-1601015-А2
250613-П8
250612-П8
250512-П8
250512-П8
220101-П8
41-1601201
201521-П8
201456-П8
201454-П8
201416-П8
201416-П8
291498-П8
52-1601022
Крышка люка картера сцепления
В узле: 1
216257-П8
Шпилька М10х1-4hх22
В узле: 1
252154-П8
Шайба 6 пружинная
В узле: 6
252154-П8
Шайба 6 пружинная
В узле: 1
252156-П8
Шайба 10Л
В узле: 6
252156-П8
Шайба 10Л
В узле: 1
252155-П8
Шайба 8 пружинная
В узле: 2
252176-П8
Шайба 10 пружинная
В узле: 1
252235-П8
Шайба пружинная 8
В узле: 1
293340-П8
Шайба 10,5
В узле: 8
52-1601048
Рамка чехла вилки подшипника выключения сцепления
В узле: 1
53-3724063
Провод массы двигателя
В узле: 1
11-7576
Опора шаровая вилки подшипника выключения сцепления
В узле: 1
51-1601250
Масленка в сборе
В узле: 1
66-1601034
Крышка люка установки зажигания в сборе
В узле: 1
291506-П8
Болт М10-6gх125
В узле: 1
52-1601260-А
Кронштейн масленки муфты выключения сцепления в сборе
В узле: 1
66-50-1601018
Картер нижняя часть
В узле: 1
66-1601015-А2
Картер сцепления (верхняя часть)
В узле: 1
250613-П8
Гайка М10х1
В узле: 1
250612-П8
Гайка М10
В узле: 1
250512-П8
Гайка М10-6Н
В узле: 4
220101-П8
Винт М6-6gх8
В узле: 1
41-1601201
Вилка подшипника выключения сцепления с чехлом в сборе
В узле: 1
201521-П8
Болт М10х1-6gх32
В узле: 1
201456-П8
Болт М8х1,25х20
В узле: 1
201454-П8
Болт М8-6gх16
В узле: 2
201416-П8
Болт М6-6gх12
В узле: 6
291498-П8
Болт М10-6gх45
В узле: 4
Содержащиеся в справочниках-каталогах запасные части и детали не предлагаются к продаже, а носят исключительно информационный характер

Ваша заявка была отправлена. В ближайшее время наши специалисты с Вами свяжутся по указанному Вами телефону.

Представьтесь
Поле обязательно для заполнения
Ваш телефон
Введите правильный номер телефона
E-mail
Введите правильный e-mail
Тема
Тема
применяемость финансирование доставка цена, наличие другое сервис и гарантия
Время для звонка
08:00
08:00 09:00 10:00 11:00 12:00 13:00 14:00 15:00 16:00 17:00 18:00 19:00
19:00
08:00 09:00 10:00 11:00 12:00 13:00 14:00 15:00 16:00 17:00 18:00 19:00

Мы постараемся перезвонить в указанное время

Если вы не хотите ждать, то звоните нашим вежливым консультантам:

8 800 100-2-700
Подтвердите, что вы не робот
Подтвердите, что вы не робот
Спасибо!

Ваше сообщение успешно отправлено!

ЗакрытьПовторить попытку