Каталог запасных частей к технике: ХТЗ МТ-ЛБ. Электрооборудование 6.50.001-1

zoom-in zoom-out enlarge shrink circle-right circle-left file-text2 info cart arraw right arraw left zoom out zoom in arraw maximize arraw minimize
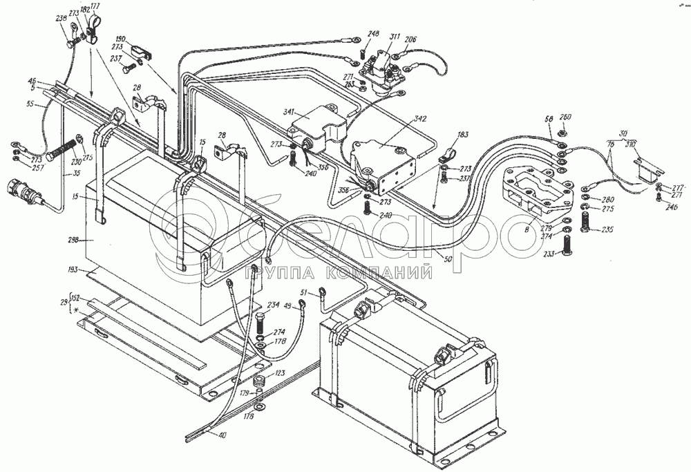
5
8
15
15
28
28
29
30
35
40
46
49
50
51
55
58
76
123
152
177
178
178
179
182
183
190
193
206
230
233
234
235
237
237
238
240
240
246
248
257
260
263
271
271
273
273
273
273
273
273
274
274
275
275
277
279
280
298
310
311
341
342
356
356
5
2С1.50.089-1-03
Жгут
В узле: 1
8
А5.50.097А
Розетка внешнего запуска
В узле: 1
15
6.50.021-1
Лента аккумулятора
В узле: 4
28
6.50.065
Лента аккумулятора
В узле: 4
29
6.50.066
Корзина аккумулятора
В узле: 2
30
6.50.068
Конденсатор
В узле: 1
35
6.50.077-1
Провод
В узле: 1
40
6.50.058-1
Жгут
В узле: 1
46
6.50.096
Жгут
В узле: 1
49
6.50.500
Провод
В узле: 1
50
6.50.502
Провод
В узле: 1
51
6.50.504
Провод
В узле: 1
55
6.50.564
Провод
В узле: 1
58
6.50.636-2
Провод
В узле: 1
76
6.50.706
Провод
В узле: 2
123
2С1.50.148
Втулка
В узле: 12
152
6.50.128-1
Прокладка
В узле: 2
177
6.50.204
Скоба
В узле: 3
178
6.50.207
Шайба
В узле: 24
179
6.50.208
Втулка
В узле: 12
182
7.48.179
Скоба
В узле: 39
183
7.48.231
Скоба
В узле: 15
190
8.50.171
Скоба
В узле: 1
193
8.50.175
Подкладка аккумулятора
В узле: 2
206
8.50.329
Перемычка
В узле: 1
230
[Болт М10.6gx65.66.019 ГОСТ 7795-70]
Болт М10.6gx65.66.019 ГОСТ 7795-70
В узле: 4
233
[Болт М8.6gx20.66.019 ГОСТ 7796-70]
Болт М8.6gx20.66.019 ГОСТ 7796-70
В узле: 5
234
[Болт М8.6gx35.66.019 ГОСТ 7796-70]
Болт М8.6gx35.66.019 ГОСТ 7796-70
В узле: 12
235
[Болт М10.6gx20.66.019 ГОСТ 7796-70]
Болт М10.6gx20.66.019 ГОСТ 7796-70
В узле: 2
237
[Болт М6.6gx12.66.019 ГОСТ 7798-70]
Болт М6.6gx12.66.019 ГОСТ 7798-70
В узле: 126
238
[Болт М6.6gx16.66.019 ГОСТ 7798-70]
Болт М6.6gx16.66.019 ГОСТ 7798-70
В узле: 24
240
[Болт М6.6gx25.66.019 ГОСТ 7798-70]
Болт М6.6gx25.66.019 ГОСТ 7798-70
В узле: 22
246
[Винт В1.М4-6gx8.58.019 ГОСТ 17473-80]
Винт В1.М4-6gx8.58.019 ГОСТ 17473-80
В узле: 41
248
[Винт В1.М4-6gx12.58.019 ГОСТ 17473-80]
Винт В1.М4-6gx12.58.019 ГОСТ 17473-80
В узле: 36
257
[Гайка М6.6.0112 ГОСТ 5915-70]
Гайка М6.6.0112 ГОСТ 5915-70
В узле: 24
260
[Гайка М10.6.0112 ГОСТ 5915-70]
Гайка М10.6.0112 ГОСТ 5915-70
В узле: 2
263
[Гайка М4.6Н.8.0112 ГОСТ 5927-70]
Гайка М4.6Н.8.0112 ГОСТ 5927-70
В узле: 48
271
[Шайба 4.65Г.0115 ГОСТ 6402-70]
Шайба 4.65Г.0115 ГОСТ 6402-70
В узле: 98
273
[Шайба 6.65Г.0115 ГОСТ 6402-70]
Шайба 6.65Г.0115 ГОСТ 6402-70
В узле: 28
274
[Шайба 8.65Г.0115 ГОСТ 6402-70]
Шайба 8.65Г.0115 ГОСТ 6402-70
В узле: 23
275
[Шайба 10.65Г.0115 ГОСТ 6402-70]
Шайба 10.65Г.0115 ГОСТ 6402-70
В узле: 7
277
[Шайба 4.01.0115 ГОСТ 11371-78]
Шайба 4.01.0115 ГОСТ 11371-78
В узле: 9
279
[Шайба 8.01.0115 ГОСТ 11371-78]
Шайба 8.01.0115 ГОСТ 11371-78
В узле: 3
280
[Шайба 10.01.0115 ГОСТ 11371-78]
Шайба 10.01.0115 ГОСТ 11371-78
В узле: 2
298
6СТ-140Р
Аккумуляторная батарея (свинцовая, стартерная) ТУ 16-529.357-78
В узле: 2
310
МБГО-2-160-4-11
Конденсатор МБГО-2-160-4-11 ОЖО.462.023 ТУ
В узле: 2
311
ТКС-101Д0Д
Контактор ТКС-101Д0Д 8А0.361.026 ТУ
В узле: 1
341
Ф-1
Фильтр Ф-1 Ф1.000 ТУ
В узле: 1
342
Ф-5
Фильтр Ф-5 Ф5.000 ТУ
В узле: 1
356
[Проволока КО 1,0 ГОСТ 792-67, l=100 мм]
Проволока КО 1,0 ГОСТ 792-67, l=100 мм
В узле: 3
Содержащиеся в справочниках-каталогах запасные части и детали не предлагаются к продаже, а носят исключительно информационный характер

Ваша заявка была отправлена. В ближайшее время наши специалисты с Вами свяжутся по указанному Вами телефону.

Представьтесь
Поле обязательно для заполнения
Ваш телефон
Введите правильный номер телефона
E-mail
Введите правильный e-mail
Тема
Тема
применяемость финансирование доставка цена, наличие другое сервис и гарантия
Время для звонка
08:00
08:00 09:00 10:00 11:00 12:00 13:00 14:00 15:00 16:00 17:00 18:00 19:00
19:00
08:00 09:00 10:00 11:00 12:00 13:00 14:00 15:00 16:00 17:00 18:00 19:00

Мы постараемся перезвонить в указанное время

Если вы не хотите ждать, то звоните нашим вежливым консультантам:

8 800 100-2-700
Подтвердите, что вы не робот
Подтвердите, что вы не робот
Спасибо!

Ваше сообщение успешно отправлено!

ЗакрытьПовторить попытку