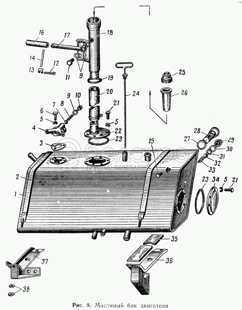
Каталог запасных частей к технике: МАЗ-537. Масляный бак двигателя

zoom-in zoom-out enlarge shrink circle-right circle-left file-text2 info cart arraw right arraw left zoom out zoom in arraw maximize arraw minimize
1
2
3
4
5
5
5
6
7
8
9
9
10
11
12
13
14
15
16
17
18
19
20
21
21
22
23
23
24
25
26
27
28
29
30
31
32
33
34
35
36
37
38
258255-П
Шплинт-проволока
В узле: 1
201452-П2
Болт
В узле: 2
258255-П
Шплинт-проволока
В узле: 4
375828-П
Шайба регулировочная (к-во - по потребности, в среднем 3)
В узле: 3
252138-П2
Шайба пружинная
В узле: 6
252135-П2
Шайба
В узле: 2
535А-1035030
Трубка подводящая в сборе
В узле: 1
537-1018078
Труба масляного бака с арматурой в сборе
В узле: 1
537-1018360
Наконечник сливной масляного бака в сборе
В узле: 1
372203-П2
Болт
В узле: 6
373800-П2
Винт
В узле: 1
250559-П2
Гайка
В узле: 6
374180-П2
Гайка
В узле: 1
537-1018725-Б
Клапан редукционный в сборе
В узле: 1
397215-П1
Кляммер двойной
В узле: 2
537-1018163-Б
Прокладка ленты хомута
В узле: 2
1
537-1018014-В2
Корпус масляного бака в сборе
В узле: 1
2
537-1018160-Б
Хомут крепления масляного бака в сборе
В узле: 2
3
537-1018745
Прокладка редукционного клапана
В узле: 1
4
537-1018727-Б
Корпус редукционного клапана
В узле: 1
5
252136-П2
Шайба
В узле: 27
6
201499-П2
Болт
В узле: 3
7
Шарик 3/4" (19,05) Р
Шарик 3/4" (19,05) Р
В узле: 1
8
535А-5713132
Пружина редукционного клапана
В узле: 1
9
535А-1035040
Кольцо уплотнительное
В узле: 1
9
535А-1035040
Кольцо уплотнительное
В узле: 2
10
537-1018753
Винт редукционного клапана
В узле: 1
11
535А-1035047
Зажим поворотного угольника
В узле: 1
12
297575-П8
Шплинт стяжной
В узле: 38
13
297580-П8
Пряжка хомута
В узле: 38
14
297584-П8
Лента стяжная
В узле: 38
15
262542-П2
Пробка
В узле: 2
16
535А-1035066
Шланг соединительный
В узле: 3
17
537-1018284-В
Суфлирующая трубка в сборе
В узле: 1
18
537-1018085
Труба в сборе
В узле: 1
19
535А-1504323
Хомутик
В узле: 2
20
537-3410190
Шланг гибкий наливной трубы
В узле: 1
21
201495-П2
Болт
В узле: 24
22
537-1018210
Крышка с наконечником в сборе
В узле: 1
23
535А-1503074
Кольцо уплотнительное
В узле: 3
24
537-1018080-Б
Указатель уровня масла в сборе
В узле: 1
25
535А-1518466
Пробка наливной трубы масляного бака
В узле: 1
26
537-1518160
Фильтр наливной трубы масляного бака в сборе
В узле: 1
27
535А-1018412
Прокладка корпуса фильтра
В узле: 1
28
537-1018396
Корпус фильтра отводящего трубопровода в сборе
В узле: 1
29
535А-1018542-Б
Пробка сливная масляного бака
В узле: 1
30
535А-1018544-Б
Прокладка сливной пробки
В узле: 1
31
535А-1018545
Седло клапана сливного фланца
В узле: 1
32
Шарик 11/16" (17,463) Р
Шарик 11/16" (17,463) Р
В узле: 1
33
535А-1018543
Пружина клапана сливного фланца
В узле: 1
34
537-1018098
Крышка фланца масляного бака
В узле: 2
35
537-1018120
Прокладка масляного бака
В узле: 2
36
537-1018089-Б
Балка задняя масляного бака в сборе
В узле: 1
37
537-1018088-Б
Балка передняя масляного бака в сборе
В узле: 1
38
250812-П2
Гайка
В узле: 8
Содержащиеся в справочниках-каталогах запасные части и детали не предлагаются к продаже, а носят исключительно информационный характер

Ваша заявка была отправлена. В ближайшее время наши специалисты с Вами свяжутся по указанному Вами телефону.

Представьтесь
Поле обязательно для заполнения
Ваш телефон
Введите правильный номер телефона
E-mail
Введите правильный e-mail
Тема
Тема
применяемость финансирование доставка цена, наличие другое сервис и гарантия
Время для звонка
08:00
08:00 09:00 10:00 11:00 12:00 13:00 14:00 15:00 16:00 17:00 18:00 19:00
19:00
08:00 09:00 10:00 11:00 12:00 13:00 14:00 15:00 16:00 17:00 18:00 19:00

Мы постараемся перезвонить в указанное время

Если вы не хотите ждать, то звоните нашим вежливым консультантам:

8 800 100-2-700
Подтвердите, что вы не робот
Подтвердите, что вы не робот
Спасибо!

Ваше сообщение успешно отправлено!

ЗакрытьПовторить попытку