Каталог запасных частей к технике: МАЗ-537. Плунжерный насос

zoom-in zoom-out enlarge shrink circle-right circle-left file-text2 info cart arraw right arraw left zoom out zoom in arraw maximize arraw minimize
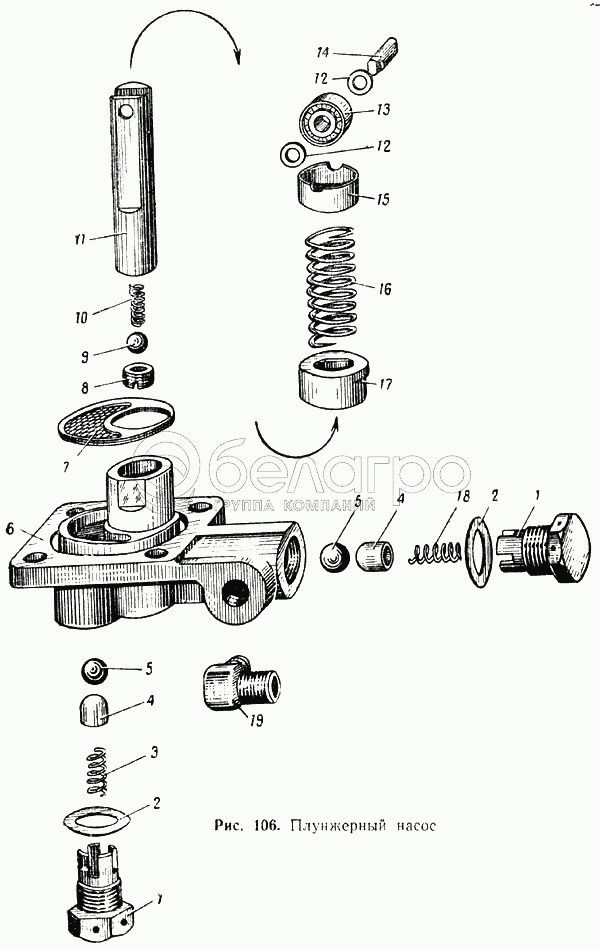
1
1
1
2
2
3
3
3
4
4
5
5
6
7
7
8
9
9
9
10
10
10
11
12
12
13
13
13
14
14
15
15
15
16
16
17
18
18
19
314802-П
Муфта конусная
В узле: 2
314708-П8
Гайка соединительная
В узле: 2
258286-П
Шплинт-проволока
В узле: 1
258286-П
Шплинт-проволока
В узле: 1
537-2402484
Фиксатор
В узле: 1
537-4202406
Плунжер с подшипником в сборе
В узле: 1
537-2402490
Плунжер с клапаном в сборе
В узле: 1
537-2402438-Б
Плунжер в сборе
В узле: 1
379404-П8
Переходник ниппеля
В узле: 1
537-2402490
Плунжер с клапаном в сборе
В узле: 1
1
537-2402412
Пробка
В узле: 2
1
537-2402412
Пробка
В узле: 2
1
537-24024121
Пробка
В узле: 2
2
537-2402432
Шайба
В узле: 2
2
537-2402432
Шайба
В узле: 2
3
537-2402418
Пружина
В узле: 1
3
537-2402418
Пружина
В узле: 1
3
537-2402418
Пружина
В узле: 1
4
537-2402424
Стаканчик
В узле: 2
4
537-2402424
Стаканчик
В узле: 2
5
Шарик 1/2" (12,7) Р
Шарик 1/2" (12,7) Р
В узле: 2
6
537-2402402
Корпус насоса
В узле: 1
7
537-2402470
Сетка в сборе
В узле: 1
7
537-2402470
Сетка в сборе
В узле: 1
8
537-2402492
Седло
В узле: 1
9
Шарик 3/8 (9,525) Р
Шарик 3/8 (9,525) Р
В узле: 1
9
Шарик 3/8" (9,525) Р
Шарик 3/8" (9,525) Р
В узле: 3
9
Шарик 3/8" (9,525) Р
Шарик 3/8" (9,525) Р
В узле: 1
10
535А-2001314
Пружина
В узле: 1
10
535А-1512125
Пружина фиксатора
В узле: 1
10
535А-1512125
Пружина клапана
В узле: 1
11
537-2402440-Б
Плунжер
В узле: 1
12
375446-П
Шайба
В узле: 2
13
27
Шарикоподшипник
В узле: 1
13
27
Шарикоподшипник
В узле: 1
13
27
Шарикоподшипник
В узле: 1
14
537-2402482
Ось
В узле: 1
14
537-2402482
Ось
В узле: 1
15
537-2402486
Тарелка
В узле: 1
15
537-2402486
Тарелка
В узле: 1
15
537-2402486
Тарелка
В узле: 1
16
537-2402442-Б
Пружина
В узле: 1
16
537-2402442-Б
Пружина
В узле: 1
17
537-4202449
Фиксатор
В узле: 1
18
537-2402416
Пружина
В узле: 1
18
537-2402416
Пружина
В узле: 1
19
379053-П8
Угольник
В узле: 3
Содержащиеся в справочниках-каталогах запасные части и детали не предлагаются к продаже, а носят исключительно информационный характер

Ваша заявка была отправлена. В ближайшее время наши специалисты с Вами свяжутся по указанному Вами телефону.

Представьтесь
Поле обязательно для заполнения
Ваш телефон
Введите правильный номер телефона
E-mail
Введите правильный e-mail
Тема
Тема
применяемость финансирование доставка цена, наличие другое сервис и гарантия
Время для звонка
08:00
08:00 09:00 10:00 11:00 12:00 13:00 14:00 15:00 16:00 17:00 18:00 19:00
19:00
08:00 09:00 10:00 11:00 12:00 13:00 14:00 15:00 16:00 17:00 18:00 19:00

Мы постараемся перезвонить в указанное время

Если вы не хотите ждать, то звоните нашим вежливым консультантам:

8 800 100-2-700
Подтвердите, что вы не робот
Подтвердите, что вы не робот
Спасибо!

Ваше сообщение успешно отправлено!

ЗакрытьПовторить попытку