Каталог запасных частей к технике: МАЗ-537. Подвеска гидротрансмиссии

zoom-in zoom-out enlarge shrink circle-right circle-left file-text2 info cart arraw right arraw left zoom out zoom in arraw maximize arraw minimize
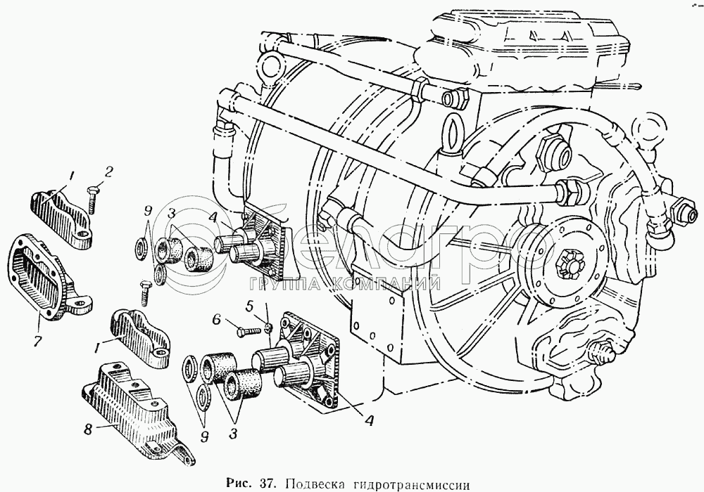
1
1
2
3
3
4
4
5
6
7
8
9
9
252873-П
Заклепка
В узле: 10
537-1521022
Кронштейн крепления гидротрансмиссии
В узле: 4
537-1521013
Кронштейн подвески передний с крышкой в сборе
В узле: 2
537-1521014
Кронштейн подвески с крышкой в сборе
В узле: 2
537-1521024
Палец кронштейна крепления гидротрансмиссии
В узле: 8
258285-П
Шплинт-проволока
В узле: 4
1
535А-1521032
Крышка кронштейна подвески гидротрансмиссии
В узле: 4
2
206912-П2
Болт крепления крышки
В узле: 12
3
210-1801030
Подушка подвески гидротрансмиссии
В узле: 8
4
537-1521020
Кронштейн крепления гидротрансмиссии в сборе
В узле: 4
5
252139-П2
Шайба
В узле: 20
6
202119-П2
Болт
В узле: 20
7
537-1521016
Кронштейн подвески гидротрансмиссии
В узле: 2
8
537-1521017
Кронштейн подвески гидротрансмиссии передний
В узле: 2
9
537-1302066
Шайба регулировочная
В узле: 8
Содержащиеся в справочниках-каталогах запасные части и детали не предлагаются к продаже, а носят исключительно информационный характер

Ваша заявка была отправлена. В ближайшее время наши специалисты с Вами свяжутся по указанному Вами телефону.

Представьтесь
Поле обязательно для заполнения
Ваш телефон
Введите правильный номер телефона
E-mail
Введите правильный e-mail
Тема
Тема
применяемость финансирование доставка цена, наличие другое сервис и гарантия
Время для звонка
08:00
08:00 09:00 10:00 11:00 12:00 13:00 14:00 15:00 16:00 17:00 18:00 19:00
19:00
08:00 09:00 10:00 11:00 12:00 13:00 14:00 15:00 16:00 17:00 18:00 19:00

Мы постараемся перезвонить в указанное время

Если вы не хотите ждать, то звоните нашим вежливым консультантам:

8 800 100-2-700
Подтвердите, что вы не робот
Подтвердите, что вы не робот
Спасибо!

Ваше сообщение успешно отправлено!

ЗакрытьПовторить попытку