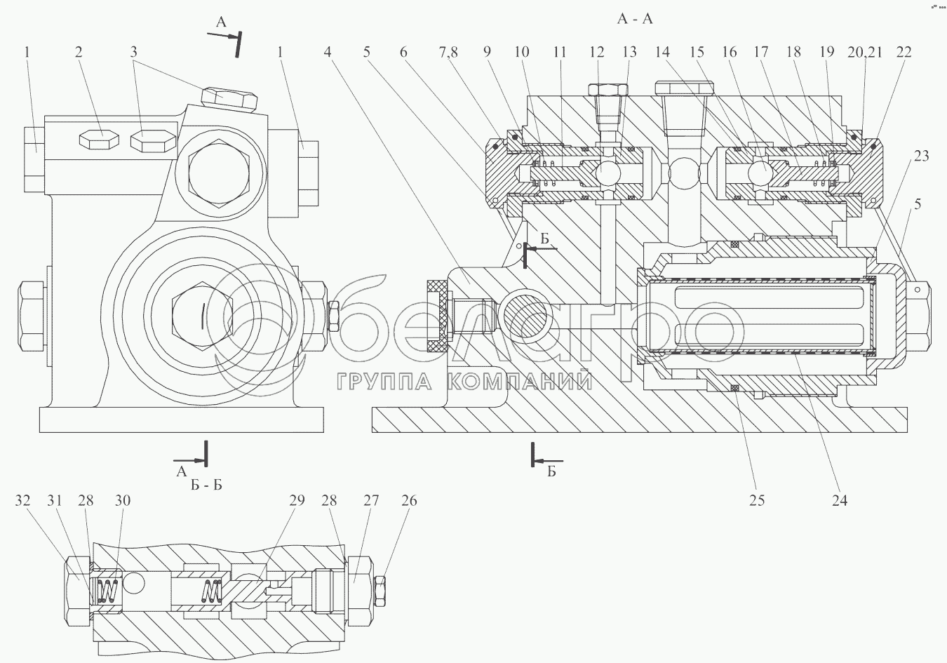
Каталог запасных частей к технике: МТЗ 1502. Коробка клапанная с фильтром

zoom-in zoom-out enlarge shrink circle-right circle-left file-text2 info cart arraw right arraw left zoom out zoom in arraw maximize arraw minimize
1
1
2
3
4
5
5
6
7
8
9
10
11
12
13
14
15
16
17
18
19
20
21
22
23
24
25
26
27
28
28
29
30
31
32
32
50-1404075
Пробка
В узле: 1
50-1404075 Пробка МТЗ редукционного клапана, ММЗ Под заказ 190.12 р.
2102-2400190
Клапан
В узле: 1
2102-2400180
Коробка клапанная с фильтром
В узле: 1
2102-2400190-01
Клапан
В узле: 1
1
80-3513019-01
Заглушка
В узле: 3
2
ПробкаКГ1/4dmА12.019
Пробка КГ 1/4dm А12.019
В узле: 2
3
ПККГ3/8dm
Пробка
В узле: 2
4
2102-2400181
Корпус
В узле: 1
5
Проволока1.0-О-с
Проволока 1.0-О-с
В узле: 1
22
2102-2400194
Пробка
В узле: 1
20
2102-2400193
Шайба
В узле: 2
21
2102-2400193-01
Шайба
В узле: 2
31
ШайбаС5.01.019
Шайба
В узле: 6
10
2102-2400197
Пружина
В узле: 1
16
Шарик10,0-60
Шарик 10,0-60
В узле: 1
15
2102-2400191
Корпус
В узле: 1
14
Кольцо017-021-25-2-2
Кольцо
В узле: 4
17
2102-2400192
Направляющая
В узле: 1
18
2102-2400196
Пружина
В узле: 1
23
2102-2400200
Фильтр
В узле: 1
24
2102-2023470
Фильтр
В узле: 1
25
Кольцо054-060-36-1-4
Кольцо 054-060-36-1-4
В узле: 1
26
ПробкаКГ1/8dmА12.019
Пробка КГ 1/8dm А12.019
В узле: 1
27
1221-1737114
Пробка
В узле: 1
28
1221-1737126
Прокладка клапана
В узле: 2
29
80-1737117
Клапан
В узле: 1
30
80-1737118
Пружина
В узле: 1
Содержащиеся в справочниках-каталогах запасные части и детали не предлагаются к продаже, а носят исключительно информационный характер

Ваша заявка была отправлена. В ближайшее время наши специалисты с Вами свяжутся по указанному Вами телефону.

Представьтесь
Поле обязательно для заполнения
Ваш телефон
Введите правильный номер телефона
E-mail
Введите правильный e-mail
Тема
Тема
применяемость финансирование доставка цена, наличие другое сервис и гарантия
Время для звонка
08:00
08:00 09:00 10:00 11:00 12:00 13:00 14:00 15:00 16:00 17:00 18:00 19:00
19:00
08:00 09:00 10:00 11:00 12:00 13:00 14:00 15:00 16:00 17:00 18:00 19:00

Мы постараемся перезвонить в указанное время

Если вы не хотите ждать, то звоните нашим вежливым консультантам:

8 800 100-2-700
Подтвердите, что вы не робот
Подтвердите, что вы не робот
Спасибо!

Ваше сообщение успешно отправлено!

ЗакрытьПовторить попытку