Каталог запасных частей к технике: МТЗ 1502. Радиатор масляный ГСП

zoom-in zoom-out enlarge shrink circle-right circle-left file-text2 info cart arraw right arraw left zoom out zoom in arraw maximize arraw minimize
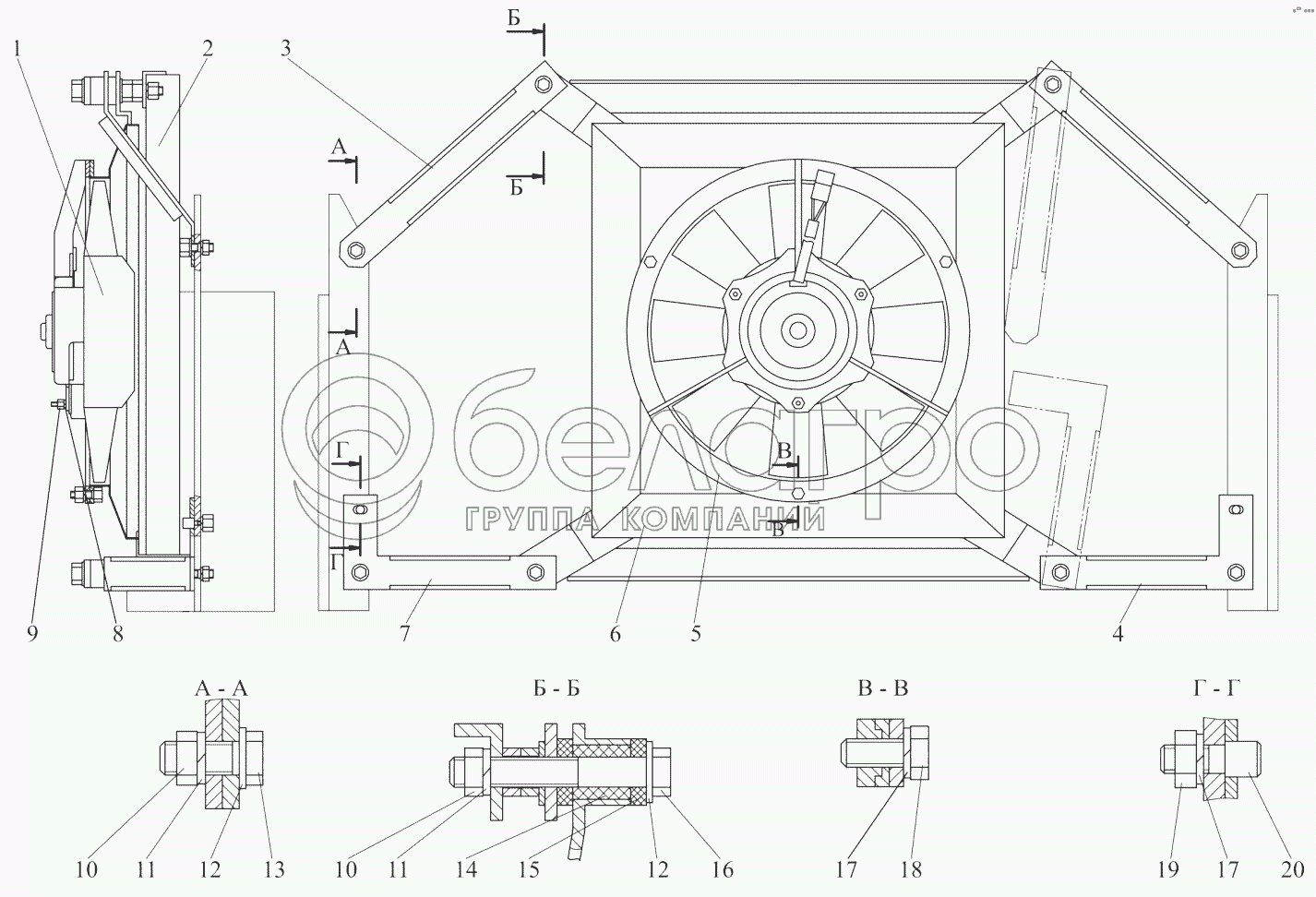
1
2
3
4
5
6
7
8
9
10
10
11
11
12
12
13
14
15
16
17
17
18
19
20
2103-2023500
Радиатор масляный ГСП
В узле: 1
1
6802.3730
Электровентилятор
В узле: 1
2
100А-1013010-05
Радиатор масляный
В узле: 1
3
2103-2023520
Кронштейн
В узле: 2
4
2103-2023525-01
Кронштейн
В узле: 1
5
2103-2023570
Каркас
В узле: 1
6
2103-2023560
Колпак
В узле: 1
7
2103-2023525
Кронштейн
В узле: 1
8
4598166045
Шайба 6Т
В узле: 3
9
ГайкаМ6-6Н.6.019
Гайка
В узле: 3
10
ГайкаМ10-6Н.6.019
Гайка
В узле: 16
11
4598166067
Шайба 10ОТ
В узле: 8
12
ШайбаС.10.01.019
Шайба С.10.01.019
В узле: 16
13
БолтМ10-6gx25.88.35.019
Болт
В узле: 4
14
2102-2023503
Амортизатор
В узле: 4
15
2102-2023201
Амортизатор
В узле: 8
16
БолтМ10-6gx100.58.019
Болт М10-6gx100.58.019
В узле: 4
17
4598166046
Шайба 8Т
В узле: 5
18
БолтМ8-6gx20.88.35.019
Болт
В узле: 3
19
ГайкаМ8-6Н.6.019
Гайка
В узле: 2
20
2102-2023506
Штырь
В узле: 2
Содержащиеся в справочниках-каталогах запасные части и детали не предлагаются к продаже, а носят исключительно информационный характер

Ваша заявка была отправлена. В ближайшее время наши специалисты с Вами свяжутся по указанному Вами телефону.

Представьтесь
Поле обязательно для заполнения
Ваш телефон
Введите правильный номер телефона
E-mail
Введите правильный e-mail
Тема
Тема
применяемость финансирование доставка цена, наличие другое сервис и гарантия
Время для звонка
08:00
08:00 09:00 10:00 11:00 12:00 13:00 14:00 15:00 16:00 17:00 18:00 19:00
19:00
08:00 09:00 10:00 11:00 12:00 13:00 14:00 15:00 16:00 17:00 18:00 19:00

Мы постараемся перезвонить в указанное время

Если вы не хотите ждать, то звоните нашим вежливым консультантам:

8 800 100-2-700
Подтвердите, что вы не робот
Подтвердите, что вы не робот
Спасибо!

Ваше сообщение успешно отправлено!

ЗакрытьПовторить попытку