Каталог запасных частей к технике: МТЗ БЕЛАРУС 1502. Агрегат силовой

zoom-in zoom-out enlarge shrink circle-right circle-left file-text2 info cart arraw right arraw left zoom out zoom in arraw maximize arraw minimize
1
2
2
3
3
4
5
6
7
8
8
9
10
11
12
13
14
15
16
17
18
19
6
50-1601180-А
Отводка с масленкой и подшипником упорным в сборе
В узле: 1
50-1601180-А Отводка МТЗ в сборе с подшипником (выжимной подшипник) >10 шт. 1 898.86 р.
9
Д01-015
Штифт установочный
В узле: 2
Д01-015 Штифт МТЗ корпуса сцепления установочный, САЗ <10 шт. 42.13 р.
7
70-2800016
Болт
В узле: 4
70-2800016 Болт МТЗ крепления левого лонжерона М16х195 Под заказ 422.79 р.
4
50-1601352
Штифт
В узле: 2
50-1601352 Штифт установочный МТЗ (d=14мм, l=40мм), САЗ Под заказ 44.47 р.
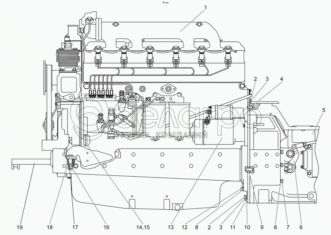
1502-1002010
Агрегат силовой
В узле: ---
1
Д-260.1S2260-0000100-589
Дизель
В узле: 1
2
БолтM12-6gx35.88.35.019
Болт
В узле: 6
3
4598166068
Шайба 12ОТ
В узле: 6
5
1502-0002000
Блок трансмиссионный
В узле: 1
8
4598166070
Шайба 16ОТ
В узле: 8
10
4598166046
Шайба 8Т
В узле: 2
11
БолтM8-6gx35.88.35.019
Болт M8-6gx35.88.35.019
В узле: 2
12
БолтM16-6gx70.88.35.019
Болт M16-6gx70.88.35.019
В узле: 2
13
80-3708010-02
Установка стартера
В узле: 1
14
2102-1002008
Заглушка
В узле: 1
15
2102-1002009
Прокладка
В узле: 1
16
ГайкаМ16-6Н.6.019
Гайка
В узле: 4
17
ШайбаС16.01.019
Шайба С 16.01.019
В узле: 2
18
БолтM16-6gx60.88.35.019
Болт M16-6gx60.88.35.019
В узле: 2
19
1502-1002015
Полурама
В узле: 1
Содержащиеся в справочниках-каталогах запасные части и детали не предлагаются к продаже, а носят исключительно информационный характер

Ваша заявка была отправлена. В ближайшее время наши специалисты с Вами свяжутся по указанному Вами телефону.

Представьтесь
Поле обязательно для заполнения
Ваш телефон
Введите правильный номер телефона
E-mail
Введите правильный e-mail
Тема
Тема
применяемость финансирование доставка цена, наличие другое сервис и гарантия
Время для звонка
08:00
08:00 09:00 10:00 11:00 12:00 13:00 14:00 15:00 16:00 17:00 18:00 19:00
19:00
08:00 09:00 10:00 11:00 12:00 13:00 14:00 15:00 16:00 17:00 18:00 19:00

Мы постараемся перезвонить в указанное время

Если вы не хотите ждать, то звоните нашим вежливым консультантам:

8 800 100-2-700
Подтвердите, что вы не робот
Подтвердите, что вы не робот
Спасибо!

Ваше сообщение успешно отправлено!

ЗакрытьПовторить попытку