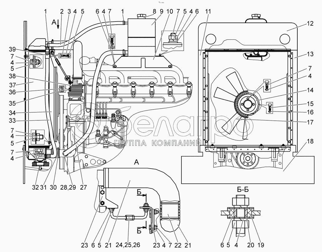
Каталог запасных частей к технике: МТЗ БЕЛАРУС 1502. Блок охлаждения

zoom-in zoom-out enlarge shrink circle-right circle-left file-text2 info cart arraw right arraw left zoom out zoom in arraw maximize arraw minimize
1502-1300010-01
1502-1300010
1
1
2
3
4
4
4
4
4
4
4
4
4
5
5
5
5
5
5
6
6
6
6
7
7
7
7
7
7
7
8
9
10
11
12
13
14
15
16
17
18
19
20
21
21
22
23
23
24
25
26
27
28
29
30
31
32
33
34
35
36
37
38
39
31
1220-1303004-01
Шланг
В узле: 1
1220-1303004-01 Патрубок (шланг) радиатора МТЗ нижний силиконовый Под заказ 114.96 р.
1220-1303004-01 Патрубок (шланг) радиатора МТЗ нижний, (У) <10 шт. 95.06 р.
1220-1303004-01 Патрубок (шланг) радиатора МТЗ нижний, Беларусь Под заказ 263.54 р.
19
85-1302071
Амортизатор
В узле: 2
85-1302071 Амортизатор МТЗ, Беларусь Под заказ 21.06 р.
29
2022-1301001
Штуцер
В узле: 1
2022-1301001 Штуцер МТЗ Под заказ 1 231.32 р.
14
2022-1308001
Проставка
В узле: 1
2022-1308001 Проставка МТЗ Под заказ 7 434.97 р.
22
2522-1303011-А
Переходник
В узле: 1
2522-1303011-А Переходник МТЗ Под заказ 1 639.14 р.
23
1520-1302072
Кронштейн
В узле: 2
1520-1302072 Кронштейн МТЗ Под заказ 599.65 р.
1502-1300010-01
Блок охлаждения
В узле: ---
1502-1300010
Блок охлаждения
В узле: ---
1
NORMATORRO16-27/971
Хомут с червячной резьбой 16-27
В узле: 2
2
1502-1300011
Рукав
В узле: 1
3
БолтМ8-6gх35.88.35.019
Болт
В узле: 1
35
4598166046
Шайба 8Т
В узле: 2
5
ГайкаМ8-6Н.6.019
Гайка
В узле: 18
6
ШайбаС8.01.019
Шайба
В узле: 16
7
БолтМ8-6gх16.88.35.019
Болт
В узле: 18
8
А21.01.270-1
Пробка радиатора
В узле: 1
9
1502-1311010
Бачок расширительный
В узле: 1
10
1502-1311042
Кронштейн
В узле: 1
11
1502-1301060
Уплотнитель боковой
В узле: 1
12
1502-1301050
Уплотнитель верхний
В узле: 1
13
1502-1301060-01
Уплотнитель боковой
В узле: 1
15
БолтМ6-6gх16.88.35.019
Болт
В узле: 6
16
4598166045
Шайба 6Т
В узле: 6
17
148122
Вентилятор «ВWCS»
В узле: 1
18
1502-1301040
Уплотнитель нижний
В узле: 1
20
90-1302004
Трубка
В узле: 2
21
142-1303010-02
Шланг
В узле: 2
24
1502-1302003
Растяжка
В узле: 1
25
1502-1302003-01
Растяжка
В узле: 1
26
Р50-4616033
Муфта
В узле: 1
27
1502-1300012
Рукав
В узле: 1
28
NORMATORRO25-40/971
Хомут с червячной резьбой 25-40
В узле: 2
30
NORMATORRO50-70/971
Хомут
В узле: 6
32
Шплинт3,2х18.019
Шплинт
В узле: 2
33
1502-1009010
Устройство сливное
В узле: 1
34
2022-1309085
Кронштейн
В узле: 1
36
БолтМ10-6gх25.88.35.019
Болт
В узле: 2
37
2022-1301.010
Радиатор водяной
В узле: 1
38
1502-1302001
Пластина
В узле: 1
39
МЛ127-3400038-01
Хомут
В узле: 1
Содержащиеся в справочниках-каталогах запасные части и детали не предлагаются к продаже, а носят исключительно информационный характер

Ваша заявка была отправлена. В ближайшее время наши специалисты с Вами свяжутся по указанному Вами телефону.

Представьтесь
Поле обязательно для заполнения
Ваш телефон
Введите правильный номер телефона
E-mail
Введите правильный e-mail
Тема
Тема
применяемость финансирование доставка цена, наличие другое сервис и гарантия
Время для звонка
08:00
08:00 09:00 10:00 11:00 12:00 13:00 14:00 15:00 16:00 17:00 18:00 19:00
19:00
08:00 09:00 10:00 11:00 12:00 13:00 14:00 15:00 16:00 17:00 18:00 19:00

Мы постараемся перезвонить в указанное время

Если вы не хотите ждать, то звоните нашим вежливым консультантам:

8 800 100-2-700
Подтвердите, что вы не робот
Подтвердите, что вы не робот
Спасибо!

Ваше сообщение успешно отправлено!

ЗакрытьПовторить попытку