Каталог запасных частей к технике: МТЗ БЕЛАРУС 1502. Электрооборудование гидросистемы. Панель боковая

zoom-in zoom-out enlarge shrink circle-right circle-left file-text2 info cart arraw right arraw left zoom out zoom in arraw maximize arraw minimize
1502-8700750
1502-3700150
1
2
3
4
5
6
7
8
9
10
11
12
13
14
15
16
17
18
18
19
19
20
20
21
22
23
17
БП-2
Блок предохранителей
В узле: 1
БП-2 Блок МТЗ предохранительный, (А) >10 шт. 215.33 р.
БП-2 Блок МТЗ предохранительный, Беларусь Под заказ 338.35 р.
14
80-3805065
Винт
В узле: 1
80-3805065 Винт МТЗ, Беларусь Под заказ 24.19 р.
1502-8700750
Панель боковая
В узле: 1
1502-3700150
Электрооборудование гидросистемы
В узле: –
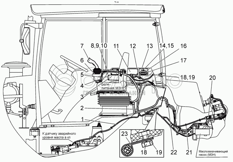
1
1502-3724820
Жгут 820
В узле: 1
2
1502-3724115
Жгут
В узле: 1
3
1502-8700616
Пластина
В узле: 1
4
ВинтВ.М4-6gх20.58.019
Винт
В узле: 4
5
577391.2
Кабель джойстика
В узле: 1
6
ВинтВ.М5-6gх16.58.019
Винт
В узле: 4
7
577391.1
Джойстик
В узле: 1
8
70-1115012-01
Хомутик
В узле: 3
9
БолтМ8-6gх14.88.35.019
Болт
В узле: 1
10
4598166046
Шайба 8Т
В узле: 1
11
1502-8700770
Панель
В узле: 1
12
ВинтВ.М6-6gх20.58.019
Винт
В узле: 4
13
1502-3724825
Жгут
В узле: 1
15
Кольцо006-010-25-1-4
Кольцо 006-010-25-1-4
В узле: 1
16
822-3801341
Щиток
В узле: 1
18
БолтМ6-6gх12.88.35.019
Болт
В узле: 4
19
4598166045
Шайба 6Т
В узле: 4
20
145000AB
Выключатель кнопочный
В узле: 1
20
ВК60.3710
Выключатель
В узле: 1
21
80-3723045
Манжета
В узле: 8
22
80-3723045-01
Манжета
В узле: 12
23
52.98.710-05
Хомутик
В узле: 3
Содержащиеся в справочниках-каталогах запасные части и детали не предлагаются к продаже, а носят исключительно информационный характер

Ваша заявка была отправлена. В ближайшее время наши специалисты с Вами свяжутся по указанному Вами телефону.

Представьтесь
Поле обязательно для заполнения
Ваш телефон
Введите правильный номер телефона
E-mail
Введите правильный e-mail
Тема
Тема
применяемость финансирование доставка цена, наличие другое сервис и гарантия
Время для звонка
08:00
08:00 09:00 10:00 11:00 12:00 13:00 14:00 15:00 16:00 17:00 18:00 19:00
19:00
08:00 09:00 10:00 11:00 12:00 13:00 14:00 15:00 16:00 17:00 18:00 19:00

Мы постараемся перезвонить в указанное время

Если вы не хотите ждать, то звоните нашим вежливым консультантам:

8 800 100-2-700
Подтвердите, что вы не робот
Подтвердите, что вы не робот
Спасибо!

Ваше сообщение успешно отправлено!

ЗакрытьПовторить попытку