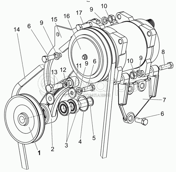
Каталог запасных частей к технике: МТЗ БЕЛАРУС 1502. Компрессор кондиционера с приводом. Рычаг натяжной

zoom-in zoom-out enlarge shrink circle-right circle-left file-text2 info cart arraw right arraw left zoom out zoom in arraw maximize arraw minimize
1
2
3
4
5
6
6
6
7
8
9
9
9
9
10
10
11
12
13
14
15
16
17
7
1221-8114022
Кронштейн
В узле: 1
1221-8114022 Кронштейн МТЗ >10 шт. 3 090.61 р.
2103-8114020
Рычаг натяжной
В узле: 1
2103-8114010
Установка компрессора
В узле: ---
1
2103-8114021
Шкив
В узле: 1
2
1221-8114071
Рычаг натяжной
В узле: 1
3
Подшипник180203К1С17
Подшипник
В узле: 2
4
КольцоС40
Кольцо С40
В узле: 1
5
2103-8114022
Ось
В узле: 1
6
БолтМ10-6gх25.88.35.019
Болт
В узле: 6
8
364-8114013
Болт специальный
В узле: 2
9
4598166067
Шайба 10ОТ
В узле: 9
10
ГайкаМ10-6Н.6.019
Гайка
В узле: 3
11
50-1002073
Шайба
В узле: 1
12
4598166068
Шайба 12ОТ
В узле: 1
13
БолтМ12-6gх35.88.35.019
Болт
В узле: 1
14
SPA/S-1650
Ремень
В узле: 1
15
364-8114011
Пластина
В узле: 1
16
015200
Компрессор
В узле: 1
17
БолтМ10-6gх30.88.35.019
Болт
В узле: 1
Содержащиеся в справочниках-каталогах запасные части и детали не предлагаются к продаже, а носят исключительно информационный характер

Ваша заявка была отправлена. В ближайшее время наши специалисты с Вами свяжутся по указанному Вами телефону.

Представьтесь
Поле обязательно для заполнения
Ваш телефон
Введите правильный номер телефона
E-mail
Введите правильный e-mail
Тема
Тема
применяемость финансирование доставка цена, наличие другое сервис и гарантия
Время для звонка
08:00
08:00 09:00 10:00 11:00 12:00 13:00 14:00 15:00 16:00 17:00 18:00 19:00
19:00
08:00 09:00 10:00 11:00 12:00 13:00 14:00 15:00 16:00 17:00 18:00 19:00

Мы постараемся перезвонить в указанное время

Если вы не хотите ждать, то звоните нашим вежливым консультантам:

8 800 100-2-700
Подтвердите, что вы не робот
Подтвердите, что вы не робот
Спасибо!

Ваше сообщение успешно отправлено!

ЗакрытьПовторить попытку