Каталог запасных частей к технике: МТЗ М75-04. Устройство опорно-поворотное

zoom-in zoom-out enlarge shrink circle-right circle-left file-text2 info cart arraw right arraw left zoom out zoom in arraw maximize arraw minimize
М75-04.0101100
1
2
2
3
4
5
6
7
8
9
10
10
11
12
13
14
15
16
17
17
17
18
18
19
19
20
21
22
23
24
25
25
25
26
26
26
27
28
29
30
31
32
33
34
35
36
37
38
39
40
41
42
43
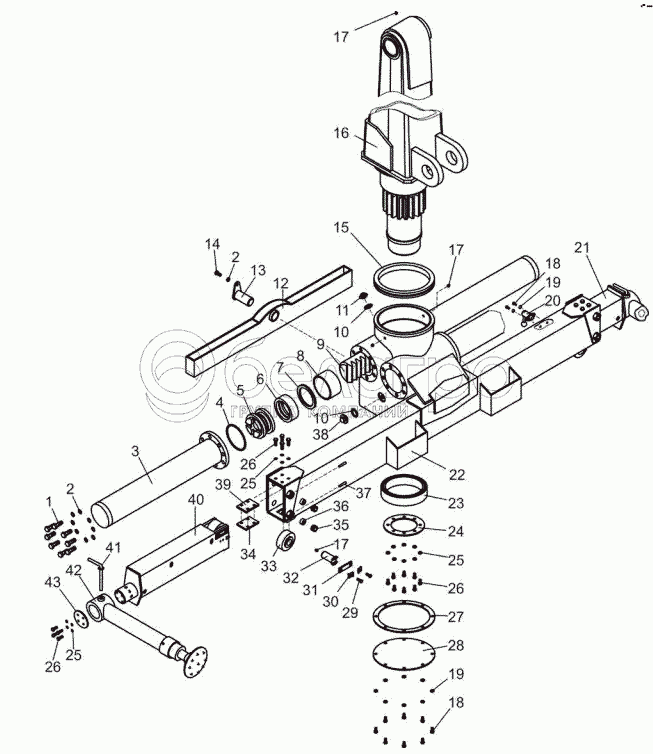
М75-04.0101100
Устройство опорно-поворотное
В узле: ---
1
М75-01.01.102-1
Болт
В узле: 32
2
4598166070
Шайба 16ОТ
В узле: 33
3
М75-04.0101110
Корпус цилиндра
В узле: 4
4
Кольцо 115-125-58-2-2
Кольцо 115-125-58-2-2
В узле: 4
5
М75-01.01.103-01
Поршень
В узле: 4
6
DBM 393295
Уплотнение поршневое
В узле: 4
7
I/DWR100
Кольцо опорное I/DWR 100
В узле: 4
8
М75-01.01.101-01
Подшипник
В узле: 4
9
ЛВ-203.01.002
Шток-рейка
В узле: 2
10
027-032-30-1-4
Кольцо
В узле: 3
11
У459.034-01
Заглушка
В узле: 1
12
М75-01.00.050-1
Балка
В узле: 1
13
М75-01.00.100
Ось
В узле: 1
14
М16-6gx25.88.35.019
Болт М16-6gx25.88.35.019
В узле: 1
15
М75-01.01.019-1
Пыльник
В узле: 1
16
М75-04.0101200
Колонна
В узле: 1
17
1.2.Ц6
Масленка
В узле: 4
18
М8-6gx16.88.35.019
Болт
В узле: 12
19
4598166046
Шайба 8Т
В узле: 12
20
ЛВ-203.01.680
Фиксатор
В узле: 2
21
ЛВ-203.01.500
Балка правая
В узле: 1
22
М75-04.0101130
Остов
В узле: 1
23
3003130
Подшипник 3003130
В узле: 1
24
М75-04.0101101
Шайба
В узле: 1
25
4598166067
Шайба 10ОТ
В узле: 24
26
М10-6gx30.88.35.019
Болт
В узле: 24
27
М75-01.01.023
Прокладка
В узле: 1
28
М75-01.01.018-1
Крышка
В узле: 1
29
М6-6gx16.88.35.019
Болт
В узле: 4
30
ЛВ-203.01.023
Шайба
В узле: 4
31
ЛВ-203.01.022
Планка
В узле: 2
32
ЛВ-203.01.021
Ось
В узле: 2
33
ЛВ-203.01.412
Ролик
В узле: 2
34
ЛВ-203.01.028
Вкладыш
В узле: 2
35
ЛВ-203.01.025
Пробка
В узле: 8
36
М75-04.0102109
Вкладыш
В узле: 8
37
5x63.019
Шплинт
В узле: 8
38
М90-01.01.400
Пробка
В узле: 2
39
ЛВ-203.01.026
Прокладка
В узле: 8
40
ЛВ-203.01.400
Балка левая
В узле: 1
41
М75-01.01.390
Палец
В узле: 2
42
ЛВ-203А.12.00.000
Опора
В узле: 2
43
М75-01.01.017
Крышка
В узле: 2
Содержащиеся в справочниках-каталогах запасные части и детали не предлагаются к продаже, а носят исключительно информационный характер

Ваша заявка была отправлена. В ближайшее время наши специалисты с Вами свяжутся по указанному Вами телефону.

Представьтесь
Поле обязательно для заполнения
Ваш телефон
Введите правильный номер телефона
E-mail
Введите правильный e-mail
Тема
Тема
применяемость финансирование доставка цена, наличие другое сервис и гарантия
Время для звонка
08:00
08:00 09:00 10:00 11:00 12:00 13:00 14:00 15:00 16:00 17:00 18:00 19:00
19:00
08:00 09:00 10:00 11:00 12:00 13:00 14:00 15:00 16:00 17:00 18:00 19:00

Мы постараемся перезвонить в указанное время

Если вы не хотите ждать, то звоните нашим вежливым консультантам:

8 800 100-2-700
Подтвердите, что вы не робот
Подтвердите, что вы не робот
Спасибо!

Ваше сообщение успешно отправлено!

ЗакрытьПовторить попытку