Каталог запасных частей к технике: МТЗ МЛ-131. Коробка передач
МЛ131-1700010
1
2
2
3
4
5
6
7
8
9
10
11
12
13
14
14
15
16
16
17
18
19
20
20
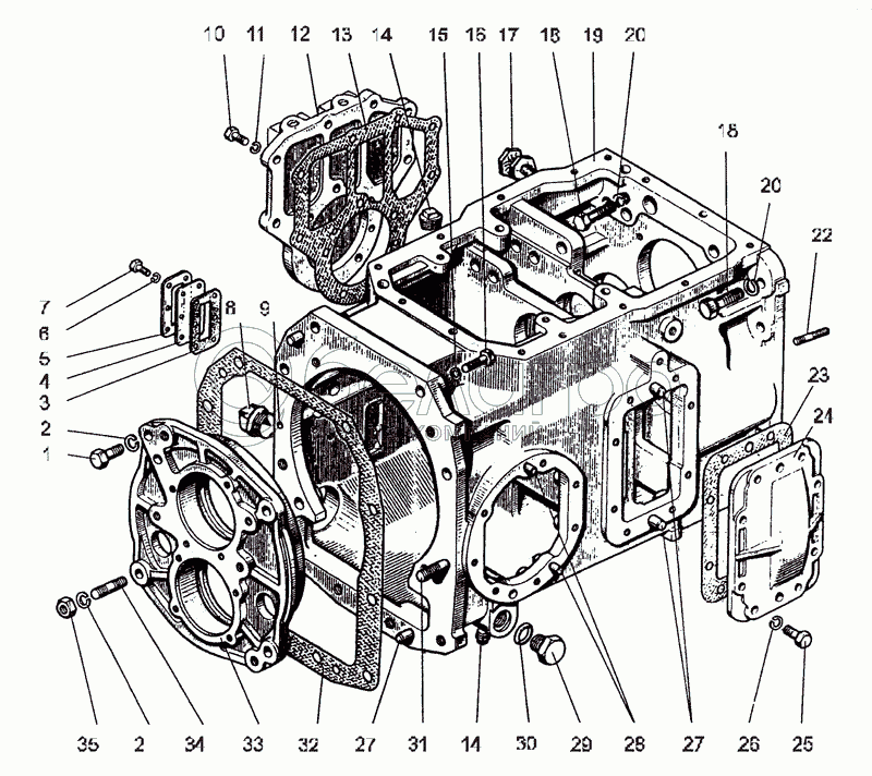
22
23
24
25
26
27
27
28
29
30
31
32
33
34
35
|
3
85-4608086-А
Прокладка
В узле: 1
|
|||||||||||||||||||||||||||||||||||||||||||||||||||||||||||||||||||||||||||||||||||||||
| 85-4608086-А Прокладка (паронит 0,8мм) |
|
>10 шт. | 6.54 р. | ||||||||||||||||||||||||||||||||||||||||||||||||||||||||||||||||||||||||||||||||||||
|
23
50-1701456-А
Прокладка
В узле: 1
|
|||||||||||||||||||||||||||||||||||||||||||||||||||||||||||||||||||||||||||||||||||||||
| 50-1701456-А Прокладка МТЗ левого лючка корпуса КПП (под ГХУ), Беларусь |
|
>10 шт. | 26.13 р. | ||||||||||||||||||||||||||||||||||||||||||||||||||||||||||||||||||||||||||||||||||||
|
31
80-1701525
Шпилька
В узле: 1
|
|||||||||||||||||||||||||||||||||||||||||||||||||||||||||||||||||||||||||||||||||||||||
| 80-1701525 Шпилька |
|
>10 шт. | 360.94 р. | ||||||||||||||||||||||||||||||||||||||||||||||||||||||||||||||||||||||||||||||||||||
|
19
80С-1702080
Корпус в сборе
В узле: 1
|
|||||||||||||||||||||||||||||||||||||||||||||||||||||||||||||||||||||||||||||||||||||||
| 80С-1702080 Корпус МТЗ вилок (А) |
|
Под заказ | 6 324.41 р. | ||||||||||||||||||||||||||||||||||||||||||||||||||||||||||||||||||||||||||||||||||||
| 80С-1702080 Корпус МТЗ вилок |
|
Под заказ | 33 216.98 р. | ||||||||||||||||||||||||||||||||||||||||||||||||||||||||||||||||||||||||||||||||||||
|
17
50-1002318-Б
Рым
В узле: 2
|
|||||||||||||||||||||||||||||||||||||||||||||||||||||||||||||||||||||||||||||||||||||||
| 50-1002318-Б Рым-болт |
|
Под заказ | 503.70 р. | ||||||||||||||||||||||||||||||||||||||||||||||||||||||||||||||||||||||||||||||||||||
|
13
80-1701399-Б
Прокладка
В узле: 1
|
|||||||||||||||||||||||||||||||||||||||||||||||||||||||||||||||||||||||||||||||||||||||
| 80-1701399-Б Прокладка МТЗ боковой крышки КПП (паронит), РФ |
|
Под заказ | 44.54 р. | ||||||||||||||||||||||||||||||||||||||||||||||||||||||||||||||||||||||||||||||||||||
|
29
80-4608021
Заглушка
В узле: 1
|
|||||||||||||||||||||||||||||||||||||||||||||||||||||||||||||||||||||||||||||||||||||||
| 80-4608021 Пробка МТЗ (заглушка), БЗТДиА |
|
Под заказ | 234.76 р. | ||||||||||||||||||||||||||||||||||||||||||||||||||||||||||||||||||||||||||||||||||||
|
32
80-1701026
Прокладка
В узле: 1
|
|||||||||||||||||||||||||||||||||||||||||||||||||||||||||||||||||||||||||||||||||||||||
| 80-1701026 Прокладка МТЗ КПП |
|
Под заказ | 118.60 р. | ||||||||||||||||||||||||||||||||||||||||||||||||||||||||||||||||||||||||||||||||||||
|
33
80-1701034-01
Стакан
В узле: 2
|
|||||||||||||||||||||||||||||||||||||||||||||||||||||||||||||||||||||||||||||||||||||||
| 80-1701034-01 Стакан МТЗ |
|
Под заказ | 12 653.51 р. | ||||||||||||||||||||||||||||||||||||||||||||||||||||||||||||||||||||||||||||||||||||
Содержащиеся в справочниках-каталогах запасные части и детали не предлагаются к продаже, а носят исключительно информационный характер